LT5512

製造中

1kHz~3GHz高信号レベル・アクティブ・ミキサ

利用上の注意

本データシートの英語以外の言語への翻訳はユーザの便宜のために提供されるものであり、リビジョンが古い場合があります。最新の内容については、必ず最新の英語版をご参照ください。

なお、日本語版のデータシートは基本的に「Rev.0」(リビジョン0)で作成されています。そのため、英語版が後に改訂され、複数製品のデータシートがひとつに統一された場合、同じ「Rev.0」の日本語版のデータシートが異なる製品のデータシートとして表示されることがあります。たとえば、「ADM3307E」の場合、日本語データシートをクリックすると「ADM3311E」が表示されます。これは、英語版のデータシートが複数の製品で共有できるように1本化され、「ADM3307E/ADM3310E/ADM3311E/ADM3312E/ADM3315E」(Rev.J)と改訂されたからで、決して誤ってリンクが張られているわけではありません。和文化されたデータシートを少しでも有効に活用していただくためにこのような方法をとっておりますので、ご了解ください。

アナログ・デバイセズ社は、提供する情報が正確で信頼できるものであることを期していますが、その情報の利用に関して、あるいはその利用によって生じる第三者の特許やその他の権利の侵害に関して一切の責任を負いません。また、アナログ・デバイセズ社の特許または特許の権利の使用を明示的または暗示的に許諾するものでもありません。仕様は予告なしに変更する場合があります。本紙記載の商標および登録商標は、各社の所有に属します。

Viewing:

製品情報

  •   広帯域RF、LO、IFの各動作
  •   高入力IP3:
    • 30MHz~900MHzで>20dBm
    • 1900MHzで+17dBm
  •   標準変換利得:1dB
  •   SSBノイズ・フィギュア:
    • 900MHzで11dB
    • 1900MHzで14dB
  •   LOバッファ内蔵:LOドライブ・レベルの影響なし
  •   シングルエンドまたは差動LOドライブ
  •   高LO-RF絶縁
  •   イネーブル機能
  •   電源電圧範囲:4.5V~5.25V
  •   4mm×4mmのQFNパッケージ

LT5512は、高直線性HF、VHFおよびUHFアプリケーション向けに最適化されたアクティブ二重平衡ミキサ・デバイスです。このデバイスはミキサをドライブするLOバッファ・アンプとRFバッファ・アンプを内蔵し、優れたLO-RF絶縁を提供します。また、バイアス回路を内蔵しているので、高精度の外付け抵抗が不要で、イネーブル制御(EN)ピンを使用してデバイスのパワーダウンが可能になります。

RFポートとIFポートが外部で整合されるので、ミキサを1MHz以下という非常に低い周波数から最大3GHzの範囲で使用可能です。差動LO入力はシングルエンドまたは差動入力ドライブが可能です。

LT5512はパッシブ・ダイオード・ミキサに対する高直線性の代替デバイスです。変換損失を生じ高いLOドライブ・レベルを必要とするパッシブ・ミキサと異なり、変換利得が得られ、必要なLOドライブ・レベルを大幅に引き下げることができます。


アプリケーション

  •   HF/VHF/UHFミキサ
  •   セルラー/PCS/UMTSインフラストラクチャ
  •   高直線性ミキサ・アプリケーション
  •   ISM帯域レシーバ
  •   無線医療テレメトリ・システム(WMTS)

LT5512
1kHz~3GHz高信号レベル・アクティブ・ミキサ
High Signal-Level Downmixer for 600MHz Wireless Medical Telemetry System Conv Gain, IIP3, NF and LO Leakage vs LO Power Product Package 1
myAnalogに追加

myAnalogの製品セクション(通知受け取り)、既存/新規プロジェクトに製品を追加する。

新規プロジェクトを作成
質問する
サポート

アナログ・デバイセズのサポート・ページはアナログ・デバイセズへのあらゆるご質問にお答えするワンストップ・ポータルです。


ドキュメント

データシート

これは最新改訂バージョンのデータシートです。

さらに詳しく
myAnalogに追加

myAnalogのリソース・セクション、既存/新規プロジェクトにメディアを追加する。

新規プロジェクトを作成

ソフトウェア・リソース

必要なソフトウェア/ドライバが見つかりませんか?

ドライバ/ソフトウェアをリクエスト

ハードウェア・エコシステム

製品モデル 製品ライフサイクル 詳細
フェーズ・ロック・ループ(PLL)シンセサイザ 1
LTC6946 製造中止 ノイズとスプリアスを極めて低く抑えたVCO内蔵の0.37GHz~5.7GHz整数分周方式シンセサイザ
Modal heading
myAnalogに追加

myAnalogの製品セクション(通知受け取り)、既存/新規プロジェクトに製品を追加する。

新規プロジェクトを作成

ツールおよびシミュレーション

ADIsimRF

ADIsimRFは使いやすいRFシグナル・チェーン計算ツールです。最大50段までのシグナル・チェーンについて、カスケード・ゲイン、ノイズ、歪み、消費電力を計算し、プロット、エクスポートが可能です。ADIsimRFには、アナログ・デバイセズのRFおよびミックスド・シグナル部品のデバイス・モデルの広範なデータ・ベースも含まれています。

ツールを開く

評価用キット

eval board
DC503A

LT5512EUF | High Signal Level, Down-Converting Mixer, (Wide IF Output, CATV Applications)

製品詳細

DC503A: Demo Board for the LT5512 1kHz-3GHz High Signal Level Active Mixer.

eval board
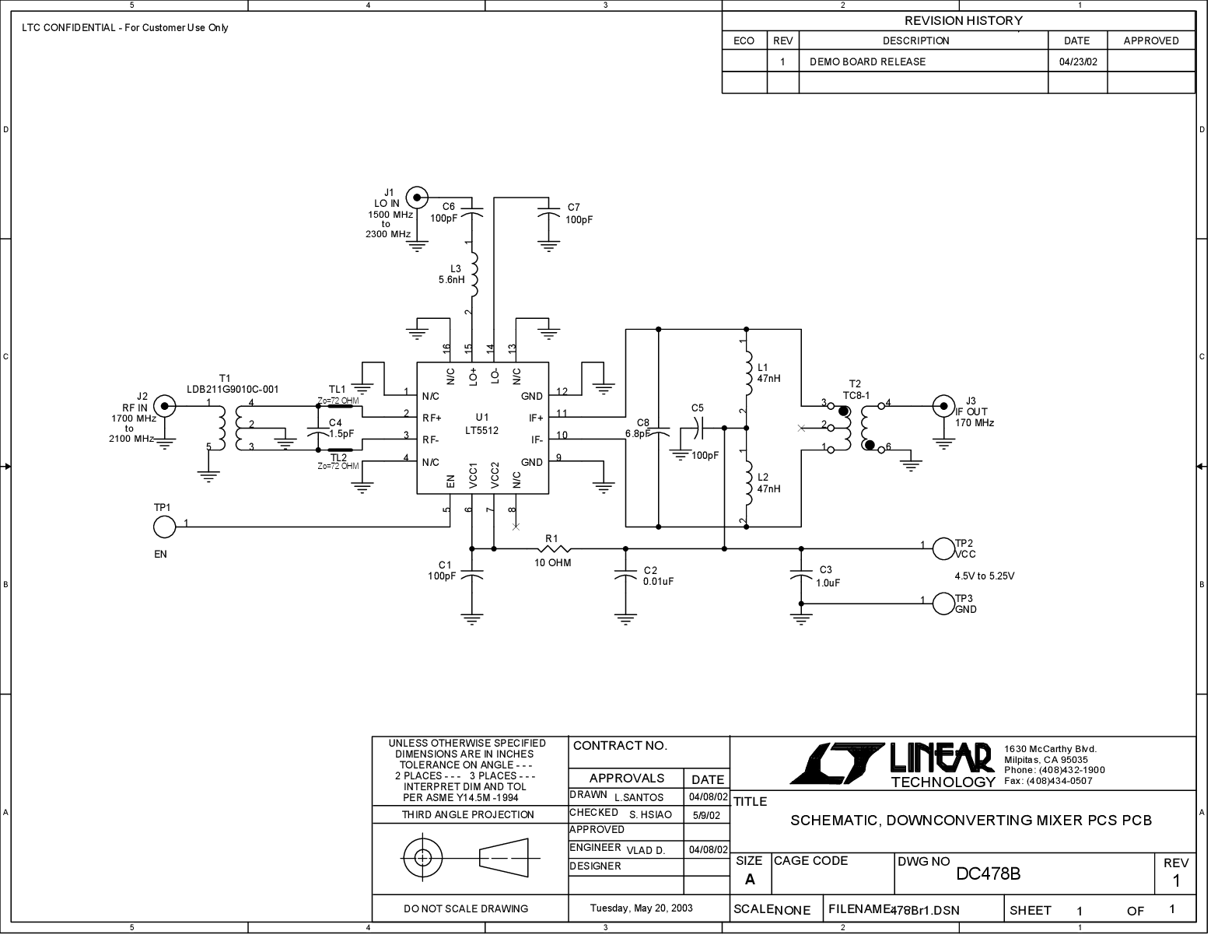
DC478B

LT5512EUF | High Signal Level, Down-Converting Mixer, (1.9GHz PCS Band)

製品詳細

DC478B: Demo Board for the LT5512 1kHz-3GHz High Signal Level Active Mixer.


 


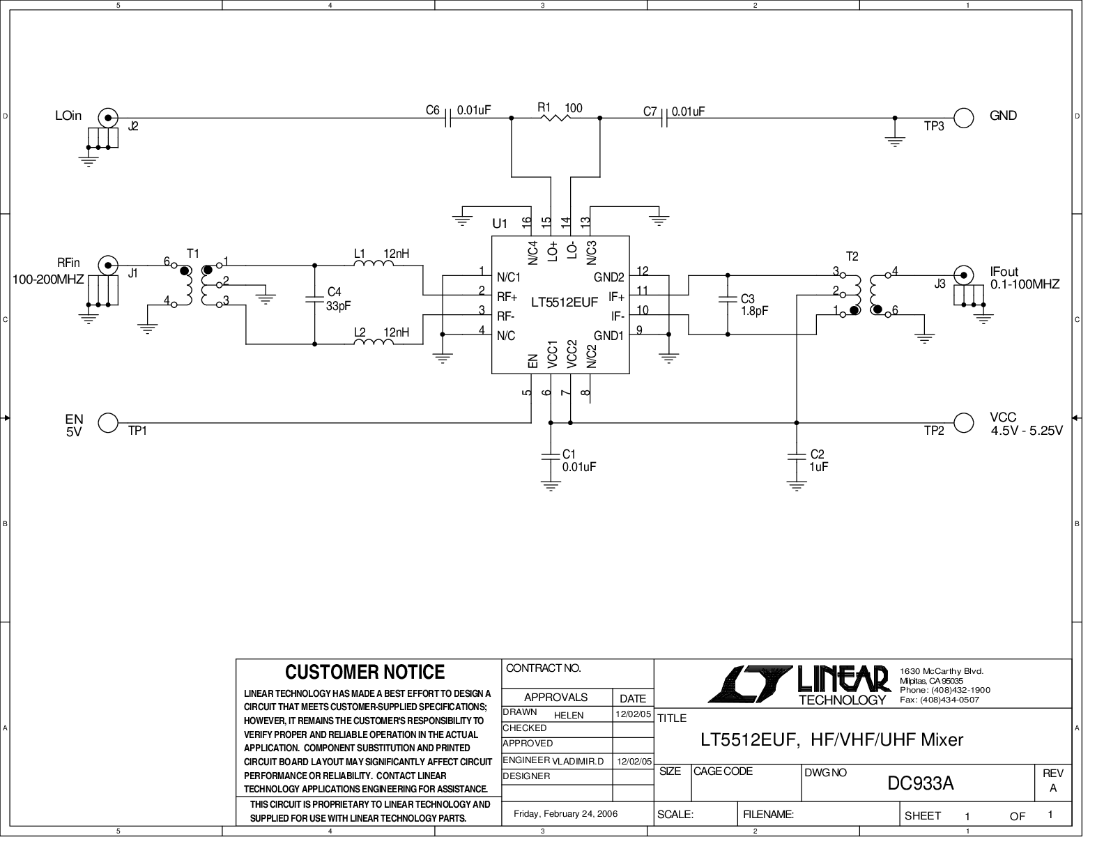
DC933A
LT5512EUF | Low Frequency (<450MHz) Demo Board
DC933A - Schematic
DC503A
LT5512EUF | High Signal Level, Down-Converting Mixer, (Wide IF Output, CATV Applications)
DC503A - Schematic
DC478B
LT5512EUF | High Signal Level, Down-Converting Mixer, (1.9GHz PCS Band)
DC478B - Schematic

最新のディスカッション

最近表示した製品