製品概要
製品概要
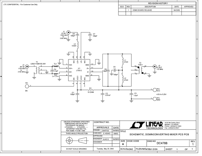
DC478B: Demo Board for the LT5512 1kHz-3GHz High Signal Level Active Mixer.
対象となる製品
関連資料
-
DC478B - Schematic2009/09/24PDF62K
-
DC478B - Demo Manual2009/09/24PDF150K
-
DC478B - Design File2009/09/24ZIP703K
