製品概要
製品概要
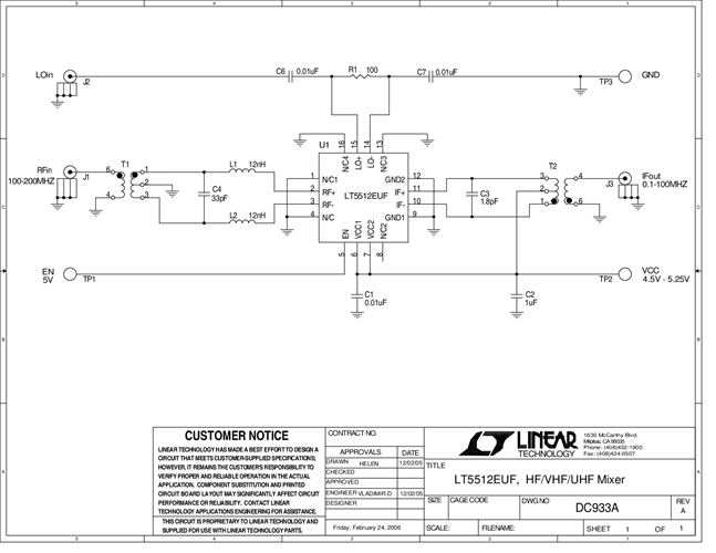
DC933A: Demo Board for the LT5512 1kHz-3GHz High Signal Level Active Mixer.
対象となる製品
関連資料
- 
                                                                
                                                                    
                                                                                                                                            DC933A - Schematic2009/09/24PDF27K
- 
                                                                
                                                                    
                                                                                                                                            DC933A - Demo Manual2009/09/24PDF129K
- 
                                                                
                                                                    
                                                                                                                                            DC933A - Design File2009/09/24ZIP518K
 
                             
                         
                         
                                                