LT3746

製造中

降圧コントローラ付き32チャネル20mA LEDドライバ

利用上の注意

本データシートの英語以外の言語への翻訳はユーザの便宜のために提供されるものであり、リビジョンが古い場合があります。最新の内容については、必ず最新の英語版をご参照ください。

なお、日本語版のデータシートは基本的に「Rev.0」(リビジョン0)で作成されています。そのため、英語版が後に改訂され、複数製品のデータシートがひとつに統一された場合、同じ「Rev.0」の日本語版のデータシートが異なる製品のデータシートとして表示されることがあります。たとえば、「ADM3307E」の場合、日本語データシートをクリックすると「ADM3311E」が表示されます。これは、英語版のデータシートが複数の製品で共有できるように1本化され、「ADM3307E/ADM3310E/ADM3311E/ADM3312E/ADM3315E」(Rev.J)と改訂されたからで、決して誤ってリンクが張られているわけではありません。和文化されたデータシートを少しでも有効に活用していただくためにこのような方法をとっておりますので、ご了解ください。

アナログ・デバイセズ社は、提供する情報が正確で信頼できるものであることを期していますが、その情報の利用に関して、あるいはその利用によって生じる第三者の特許やその他の権利の侵害に関して一切の責任を負いません。また、アナログ・デバイセズ社の特許または特許の権利の使用を明示的または暗示的に許諾するものでもありません。仕様は予告なしに変更する場合があります。本紙記載の商標および登録商標は、各社の所有に属します。

Viewing:

製品情報

  • 入力電源電圧範囲:6V~55V
  • 32の独立したLED出力:最大30mA/13V
  • 6ビット・ドット補正電流調整
  • 12ビット・グレースケールPWM調光
  • 最小LEDオン時間:0.5μs
  • LEDバス電圧の適応制御により高効率を達成
  • カスケード接続可能な30MHzシリアル・データ・インタフェース
  • 診断および保護機能:個々のオープン/短絡LEDおよび過温度フォールト

LT3746は32チャネルLEDドライバと 55V降圧コントローラを一体化しています。LEDドライバはチャネルごとに最大 30mA/13Vの直列LEDを点灯させ、降圧コントローラは並列LEDストリングに適応してバス電圧を生成します。各チャネルごとに 6ビット・ドット補正電流調整機能と 12ビット・グレースケールPWM調光機能を備えています。ドット補正とグレースケール調光はいずれもTTL/CMOSロジックのシリアル・データ・インタフェースを介してアクセス可能です。

LT3746はオープン/短絡LEDと過温度フォールトに対する診断および保護を行います。フォールト状態は、シリアル・データ・インタフェースを介して通知されます。完全にバッファされ、スキューのバランスがとれた、カスケード接続可能な30MHzのシリアル・データ・インタフェースを備えたLT3746は、大画面LCDのダイナミック・バックライトや、モノカラー、マルチカラーおよびフルカラーLEDディスプレイに最適です。


アプリケーション

  • 大画面ディスプレイのLEDバックライト
  • モノカラー、マルチカラー、フルカラーのLEDディスプレイ
  • LEDの広告塔や看板

LT3746
降圧コントローラ付き32チャネル20mA LEDドライバ
32-Channel LED Driver, 1MHz Buck, 3 LEDs 10mA to 30mA per Channel, 500Hz 12-Bit Dimming Product Package 1
myAnalogに追加

myAnalogの製品セクション(通知受け取り)、既存/新規プロジェクトに製品を追加する。

新規プロジェクトを作成
質問する
サポート

アナログ・デバイセズのサポート・ページはアナログ・デバイセズへのあらゆるご質問にお答えするワンストップ・ポータルです。


ドキュメント

データシート

これは最新改訂バージョンのデータシートです。

さらに詳しく
myAnalogに追加

myAnalogのリソース・セクション、既存/新規プロジェクトにメディアを追加する。

新規プロジェクトを作成

ソフトウェア・リソース

必要なソフトウェア/ドライバが見つかりませんか?

ドライバ/ソフトウェアをリクエスト

ハードウェア・エコシステム

製品モデル 製品ライフサイクル 詳細
A/Dコンバータ(ADC) 1
LTC2991 新規設計に推奨 I2C インタフェース搭載のオクタル電圧、電流、温度モニタ
レベル変換器 & バッファ 2
LTC4311 製造中 低電圧I2C/SMBusアクセラレータ
LTC4317 製造中 デュアルI2C/SMBusアドレス変換器
Modal heading
myAnalogに追加

myAnalogの製品セクション(通知受け取り)、既存/新規プロジェクトに製品を追加する。

新規プロジェクトを作成

評価用キット

eval board
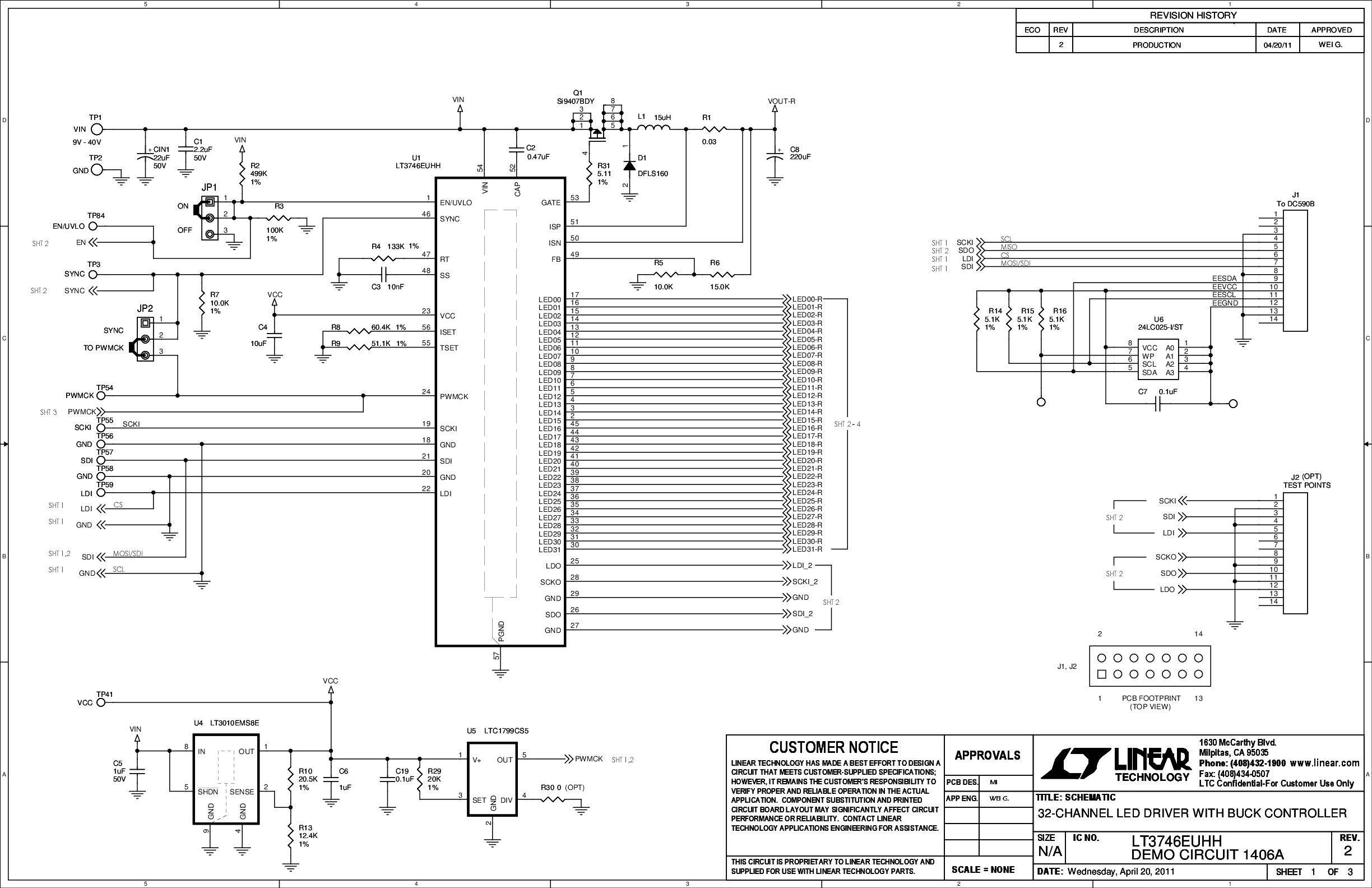
DC1406A

LT3746EUHH Demo Board | 32-Channel 20mA LED Driver (x3 for RGB), 9V ≤ VIN ≤ 40V, VLED up to 4.2V @ 20mA

製品詳細

Demonstration circuit 1406A features three LT3746's, a 32-channel 20mA LED driver with buck controller and serial interface. The three LT3746’s are connected in series to control 32 OSRAM RGB LEDs stuffed on the demo board. Each IC drives a separate color. The demo board input voltage range is 9V to 40V and the LED output voltage is 4.2V for the blue and green LEDs, and 3V for the red LEDs.


Each channel has an individually adjustable 12-bit (4096-step) grayscale PWM dimming control and a 6-bit (64-step) dot correction current adjustment.  Individual open/short LED and overtemperature flags are sent back during status read-back.  The evaluation software installed in a host computer communicates with the DC1406A via the interface board DC590B, an USB serial controller.


 


DC1406A
LT3746EUHH Demo Board | 32-Channel 20mA LED Driver (x3 for RGB), 9V ≤ VIN ≤ 40V, VLED up to 4.2V @ 20mA
DC1406A - Schematic

最新のディスカッション

最近表示した製品