LT3596

新規設計に推奨

60V 降圧LEDドライバ

利用上の注意

本データシートの英語以外の言語への翻訳はユーザの便宜のために提供されるものであり、リビジョンが古い場合があります。最新の内容については、必ず最新の英語版をご参照ください。

なお、日本語版のデータシートは基本的に「Rev.0」(リビジョン0)で作成されています。そのため、英語版が後に改訂され、複数製品のデータシートがひとつに統一された場合、同じ「Rev.0」の日本語版のデータシートが異なる製品のデータシートとして表示されることがあります。たとえば、「ADM3307E」の場合、日本語データシートをクリックすると「ADM3311E」が表示されます。これは、英語版のデータシートが複数の製品で共有できるように1本化され、「ADM3307E/ADM3310E/ADM3311E/ADM3312E/ADM3315E」(Rev.J)と改訂されたからで、決して誤ってリンクが張られているわけではありません。和文化されたデータシートを少しでも有効に活用していただくためにこのような方法をとっておりますので、ご了解ください。

アナログ・デバイセズ社は、提供する情報が正確で信頼できるものであることを期していますが、その情報の利用に関して、あるいはその利用によって生じる第三者の特許やその他の権利の侵害に関して一切の責任を負いません。また、アナログ・デバイセズ社の特許または特許の権利の使用を明示的または暗示的に許諾するものでもありません。仕様は予告なしに変更する場合があります。本紙記載の商標および登録商標は、各社の所有に属します。

Viewing:

製品情報

  • 高速NPN電流源でチャネル当たり最多10個のLEDをドライブする300mA 降圧レギュレータ
  • 高速電流源により、1µs未満のパルス幅を実現 (100Hz で10,000:1 のTrue Color PWM 調光)
  • シャットダウン時にLEDを切断
  • 適応型出力電圧制御により効率を改善
  • 入力電圧範囲: 6V~60V
  • ±1.5% 精度のLED電流整合
  • 外付け抵抗でチャネルごとにLED電流を設定
  • 外部補償が不要
  • プログラム可能なスイッチング周波数:200kHz~1MHz
  • 外部クロックに同期可能
  • オープン/短絡LEDの検出と通知
  • LEDのプログラム可能な温度ディレーティングと通知
  • プログラム可能な温度保護
  • 高電圧ピン間スペースが0.6mmの熱特性が改善された5mm × 8mm QFN パッケージ

LT3596は60V 降圧LED ドライバです。このデバイスは各チャネルで最多10個の LEDをドライブし、高速NPN電流源を使用して100Hzで 10,000:1のデジタルPWM 調光を実現します。CTRL1~CTRL3ピンのアナログ制御によって100:1のLED調光を行うこともできます。

降圧レギュレータのスイッチング周波数は200kHz~1MHzの範囲で設定可能で、外部クロックに同期することも可能です。また、LT3596は製造元の仕様に従って温度ディレーティングを行いつつ、LEDの最高輝度を実現します。 ディレーティング温度は、 マスター制御ピンに負温度係数 (NTC) 抵抗を接続することによって設定されます。

LT3596は最適な効率を達成するために出力電圧の適応制御を行います。この他に、1.5% のチャネル間のLED 電流整合、オープンLEDの通知、 LEDピンの短絡保護および通知、プログラム可能なLED電流、プログラム可能な温度保護などを特長としています。


アプリケーション

  • LEDの広告塔や看板
  • モノカラー、マルチカラー、フルカラーのLEDディスプレイ
  • 大画面ディスプレイのLEDバックライト
  • 車載、産業用、および医療用ディスプレイ

LT3596
60V 降圧LEDドライバ
48V 1MHz Step-Down 8W, 100mA LED Driver (Eight White LEDs per Channel) 10,000:1 PWM Dimming at 100Hz Product Package 1
myAnalogに追加

myAnalogの製品セクション(通知受け取り)、既存/新規プロジェクトに製品を追加する。

新規プロジェクトを作成
質問する
サポート

アナログ・デバイセズのサポート・ページはアナログ・デバイセズへのあらゆるご質問にお答えするワンストップ・ポータルです。


ドキュメント

データシート 2

信頼性データ 1

ユーザ・ガイド 1

データシート

これは最新改訂バージョンのデータシートです。

さらに詳しく
myAnalogに追加

myAnalogのリソース・セクション、既存/新規プロジェクトにメディアを追加する。

新規プロジェクトを作成

ソフトウェア・リソース

必要なソフトウェア/ドライバが見つかりませんか?

ドライバ/ソフトウェアをリクエスト

ハードウェア・エコシステム

製品モデル 製品ライフサイクル 詳細
パルス幅変調(PWM) & パルス・ジェネレータ 1
LTC6992-1 製造中 TimerBlox 電圧制御パルス幅変調器(PWM)
温度センサー 1
LTC2997 製造中 リモート/内部温度センサ
保護スイッチ & コントローラ 1
LT4363 新規設計に推奨 電流制限付き高電圧サージ・ストッパー
Modal heading
myAnalogに追加

myAnalogの製品セクション(通知受け取り)、既存/新規プロジェクトに製品を追加する。

新規プロジェクトを作成

ツールおよびシミュレーション

LTspice 1


下記製品はLTspiceで使用することが出来ます。:

  • LT3596
LTspice

LTspice®は、無料で提供される強力で高速な回路シミュレータと回路図入力、波形ビューワに改善を加え、アナログ回路のシミュレーションを容易にするためのモデルを搭載しています。

 


評価用キット

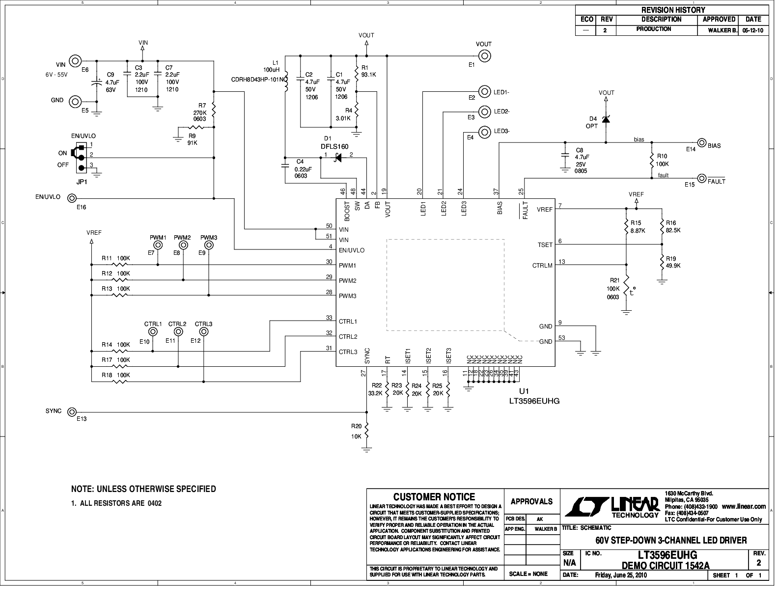
DC1542A
LT3596EUHG Demo Board | LED Driver, 6V ≤ VIN ≤ 55V, Output = 8 Series LEDs at 100mA
DC1542A - Schematic

最新のディスカッション

最近表示した製品