LT3507

製造中

LDO付きトリプル・モノリシック降圧レギュレータ

利用上の注意

本データシートの英語以外の言語への翻訳はユーザの便宜のために提供されるものであり、リビジョンが古い場合があります。最新の内容については、必ず最新の英語版をご参照ください。

なお、日本語版のデータシートは基本的に「Rev.0」(リビジョン0)で作成されています。そのため、英語版が後に改訂され、複数製品のデータシートがひとつに統一された場合、同じ「Rev.0」の日本語版のデータシートが異なる製品のデータシートとして表示されることがあります。たとえば、「ADM3307E」の場合、日本語データシートをクリックすると「ADM3311E」が表示されます。これは、英語版のデータシートが複数の製品で共有できるように1本化され、「ADM3307E/ADM3310E/ADM3311E/ADM3312E/ADM3315E」(Rev.J)と改訂されたからで、決して誤ってリンクが張られているわけではありません。和文化されたデータシートを少しでも有効に活用していただくためにこのような方法をとっておりますので、ご了解ください。

アナログ・デバイセズ社は、提供する情報が正確で信頼できるものであることを期していますが、その情報の利用に関して、あるいはその利用によって生じる第三者の特許やその他の権利の侵害に関して一切の責任を負いません。また、アナログ・デバイセズ社の特許または特許の権利の使用を明示的または暗示的に許諾するものでもありません。仕様は予告なしに変更する場合があります。本紙記載の商標および登録商標は、各社の所有に属します。

Viewing:

製品情報

  • 広い入力電圧範囲:4V~36V
  • パワー・スイッチを内蔵した3個のスイッチング・レギュレータ(2.4A出力1個と1.5A出力2個)
  • 外部トランジスタを使う低ドロップアウト・リニア・レギュレータ
  • アンチフェーズ・スイッチングによるリップルの減少
  • 個別の実行、トラッキング/ソフトスタート、パワーグッド・インジケータにより、電源シーケンシングが簡単
  • 小型のインダクタとセラミック・コンデンサを使用
  • 調節可能な250kHz~2.5MHzのスイッチング周波数、全範囲で同期可能
  • ユーザーがプログラム可能な過電圧および低電圧ロックアウト
  • 熱特性が改善された38ピン5mm×7mm QFNパッケージ

LT3507は、トリプル電流モードDC/DCコンバータで、パワー・スイッチと低ドロップアウト・レギュレータを内蔵しています。これらのスイッチング・コンバータは1つの2.4A出力と2つの1.5A出力を発生することができる降圧コンバータです。3つのコンバータは全て単一の発振器に同期します。2.4Aの出力は他の2つのコンバータに対して反対の位相で動作するので、入力リップル電流が減少します。各レギュレータはシャットダウン回路とソフトスタート回路を個別に備えており、出力が安定化するとパワーグッド信号を生成するので、電源シーケンシングと、マイクロコントローラやDSPとのインタフェースが簡素化されます。

スイッチング周波数は1個の抵抗を使って250kHz~2.5MHzの範囲に設定されます。スイッチング周波数が高いと小型のインダクタやコンデンサを使用可能なので、非常に小型のトリプル出力電源になります。スイッチング周波数が一定で、低インピーダンスのセラミック・コンデンサが使われると、出力リップルが小さくなり、予測しやすくなります。LT3507は入力電圧範囲が4V~36Vと広いので、5Vロジック電源、安定化されていない電源トランス、鉛蓄電池、分配型電源を含む多様な電源を安定化します。

Output Current Package
LT3507 2.5A, 1.5A, 1.5A 5 × 7 QFN-38
LT3507A 2.7A, 1.8A, 1.8A 5 × 7 QFN-38, TSSOP-38E

アプリケーション

  • DSLモデムやケーブル・モデム
  • 分配電源の安定化
  • DSP電
  • 車載

LT3507
LDO付きトリプル・モノリシック降圧レギュレータ
5V, 3.3V, 2.5V and 1.8V Step-Down Regulator Start-Up Waveforms—Coincident Tracking Product Package 1
myAnalogに追加

myAnalogの製品セクション(通知受け取り)、既存/新規プロジェクトに製品を追加する。

新規プロジェクトを作成
質問する
サポート

アナログ・デバイセズのサポート・ページはアナログ・デバイセズへのあらゆるご質問にお答えするワンストップ・ポータルです。


ドキュメント

データシート

これは最新改訂バージョンのデータシートです。

さらに詳しく
myAnalogに追加

myAnalogのリソース・セクション、既存/新規プロジェクトにメディアを追加する。

新規プロジェクトを作成

ソフトウェア・リソース

必要なソフトウェア/ドライバが見つかりませんか?

ドライバ/ソフトウェアをリクエスト

ハードウェア・エコシステム

製品モデル 製品ライフサイクル 詳細
パワー・システム・マネージメント(PSM) & シーケンサ 1
LTC2974 新規設計に推奨 正確な出力電流測定を特長とする4チャンネルPMBusパワーシステム・マネージャ
回路モニタ 1
LTC2960 新規設計に推奨 36Vナノ電流2入力電圧モニタ
発振器 1
LTC6909 製造中 スペクトル拡散変調付き、1~8 出力、マルチフェーズ・シリコン発振器
保護スイッチ & コントローラ 1
LT4363 新規設計に推奨 電流制限付き高電圧サージ・ストッパー
Modal heading
myAnalogに追加

myAnalogの製品セクション(通知受け取り)、既存/新規プロジェクトに製品を追加する。

新規プロジェクトを作成

ツールおよびシミュレーション

LTspice 1


下記製品はLTspiceで使用することが出来ます。:

  • LT3507
  • LT3507A
LTspice

LTspice®は、無料で提供される強力で高速な回路シミュレータと回路図入力、波形ビューワに改善を加え、アナログ回路のシミュレーションを容易にするためのモデルを搭載しています。

 


評価用キット

eval board
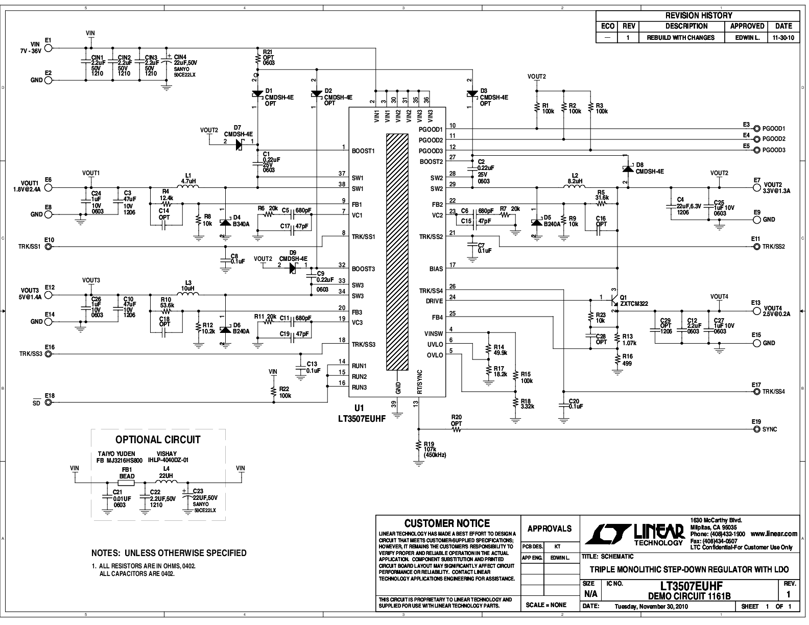
DC1161B

LT3507EUHF Demo Board | 7V to 36VIN, VOUT1 = 1.8V @ 2.4A, VOUT2 = 3.3V @ 1.3A, VOUT3 = 5.0V @ 1.4A, VOUT4 = 2.5V @ 0.2A

製品詳細

Demo circuit 1161B is a triple monolithic step-down regulator with LDO featuring LT3507. The demo circuit is designed for 1.8V, 3.3V, 5.0V and 2.5V outputs from a 7V to 36V input. The current capability of each channel is 2.4A, 1.3A, 1.4A and 0.2A respectively. Independent input voltage, feedback, soft-start and power good pins for each channel simplify complex power supply tracking/sequencing requirements.


All three converters are either synchronized to a common external clock input or single-resistor programmable from 250kHz to 2.5MHz using internal oscillator. At all frequencies, a 180° phase shift between VOUT1 and the other two outputs is maintained, reducing input voltage ripple and component size. Programmable frequency allows for optimization between efficiency and external component size.

DC1161B
LT3507EUHF Demo Board | 7V to 36VIN, VOUT1 = 1.8V @ 2.4A, VOUT2 = 3.3V @ 1.3A, VOUT3 = 5.0V @ 1.4A, VOUT4 = 2.5V @ 0.2A
DC1161B - Schematic

最新のディスカッション

最近表示した製品