LT3470A

製造中

昇圧およびキャッチ・ダイオードを内蔵したマイクロパワー降圧レギュレータ

利用上の注意

本データシートの英語以外の言語への翻訳はユーザの便宜のために提供されるものであり、リビジョンが古い場合があります。最新の内容については、必ず最新の英語版をご参照ください。

なお、日本語版のデータシートは基本的に「Rev.0」(リビジョン0)で作成されています。そのため、英語版が後に改訂され、複数製品のデータシートがひとつに統一された場合、同じ「Rev.0」の日本語版のデータシートが異なる製品のデータシートとして表示されることがあります。たとえば、「ADM3307E」の場合、日本語データシートをクリックすると「ADM3311E」が表示されます。これは、英語版のデータシートが複数の製品で共有できるように1本化され、「ADM3307E/ADM3310E/ADM3311E/ADM3312E/ADM3315E」(Rev.J)と改訂されたからで、決して誤ってリンクが張られているわけではありません。和文化されたデータシートを少しでも有効に活用していただくためにこのような方法をとっておりますので、ご了解ください。

アナログ・デバイセズ社は、提供する情報が正確で信頼できるものであることを期していますが、その情報の利用に関して、あるいはその利用によって生じる第三者の特許やその他の権利の侵害に関して一切の責任を負いません。また、アナログ・デバイセズ社の特許または特許の権利の使用を明示的または暗示的に許諾するものでもありません。仕様は予告なしに変更する場合があります。本紙記載の商標および登録商標は、各社の所有に属します。

Viewing:

製品情報

  • 低消費電流:12VINから3.3VOUTへの変換で35μA
  • 昇圧およびキャッチ・ダイオードを内蔵
  • 入力範囲:4V~40V
  • 4V~40V入力で3.3V/250mA
  • 5.7V~40V入力で5V/250mA
  • 低出力リップル: < 10mV
  • シャットダウン・モードで < 1μA
  • 出力電圧:1.25V~16V
  • ヒステリシス・モード制御
    • 軽負荷での低リップルBurst Mode®動作
    • より重負荷での連続動作
  • 小さいソリューション・サイズ:50mm2
  • 熱特性が改善された高さの低い(0.75mm)2mm×3mm 8ピンDFNパッケージ
  • AEC-Q100準拠により、自動車用アプリケーションに対応

LT3470Aは、440mAパワースイッチ、キャッチ・ダイオード、昇圧ダイオードを高さの低い2mm×3mm DFNパッケージに搭載したマイクロパワー降圧DC/DCコンバータです。LT3470AはBurst Mode動作と連続動作を組み合わせることで、小型のインダクタやコンデンサを使用して最大250mAの負荷に低リップル出力を供給できます。

LT3470Aは入力範囲が4V~40Vと広いので、2セル・リチウムイオン・バッテリから非安定化ACアダプタ・トランスや鉛蓄電池に至る様々な電源を安定化できます。安定化時の消費電流は標準アプリケーションでわずか35μA、ゼロ電流シャットダウン・モードでは負荷を入力ソースから切断するので、バッテリ駆動システムでのパワーマネージメントを簡素化します。高速電流制限とヒステリシス制御により、LT3470Aと外付け部品は40V入力時でも短絡出力から保護されます。LT3470AはLT3470と比べて、出力電流が大きく、起動およびドロップアウト性能が改善されています。

Vin Min Startup Switch Current
LT3470 5.5V 300mA
LT3470A 4V 400mA


アプリケーション

  • 車載バッテリの安定化
  • 携帯製品の電源
  • 分配型電源の安定化
  • 産業用電源
  • ACアダプタ・トランスの安定化

LT3470A
昇圧およびキャッチ・ダイオードを内蔵したマイクロパワー降圧レギュレータ
LT3470A Application Circuit LT3470A Performance Graph LT3470A Pin configuration
myAnalogに追加

myAnalogの製品セクション(通知受け取り)、既存/新規プロジェクトに製品を追加する。

新規プロジェクトを作成
質問する
サポート

アナログ・デバイセズのサポート・ページはアナログ・デバイセズへのあらゆるご質問にお答えするワンストップ・ポータルです。


ドキュメント

さらに詳しく
myAnalogに追加

myAnalogのリソース・セクション、既存/新規プロジェクトにメディアを追加する。

新規プロジェクトを作成

ソフトウェア・リソース

必要なソフトウェア/ドライバが見つかりませんか?

ドライバ/ソフトウェアをリクエスト

ハードウェア・エコシステム

製品モデル 製品ライフサイクル 詳細
パワー・システム・マネージメント(PSM) & シーケンサ 1
LTC2974 新規設計に推奨 正確な出力電流測定を特長とする4チャンネルPMBusパワーシステム・マネージャ
回路モニタ 1
LTC2960 新規設計に推奨 36Vナノ電流2入力電圧モニタ
保護スイッチ & コントローラ 2
LTC4359 新規設計に推奨 逆入力保護機能を備えた理想ダイオード・コントローラ
LTC4364 新規設計に推奨 理想ダイオードを備えたサージ・ストッパー
Modal heading
myAnalogに追加

myAnalogの製品セクション(通知受け取り)、既存/新規プロジェクトに製品を追加する。

新規プロジェクトを作成

ツールおよびシミュレーション

LTspice 1


下記製品はLTspiceで使用することが出来ます。:

  • LT3470
  • LT3470A
LTspice

LTspice®は、無料で提供される強力で高速な回路シミュレータと回路図入力、波形ビューワに改善を加え、アナログ回路のシミュレーションを容易にするためのモデルを搭載しています。

 


評価用キット

eval board
SCP-LT3470A-BEVALZ

LT3470Aシグナル・チェーン評価用ボード | マイクロパワー降圧コンバータ

製品詳細

デモ回路SCP-LT3470A-BEVALZは、​​LT3470Aを備えた、40VのマイクロパワーDFN降圧レギュレータです。ボードは、4V~36Vの安定状態入力電圧範囲で、最大250mAの負荷電流における3.3V出力に最適化されています。

シグナル・チェーン電源シリーズの他のすべてのボードと同様、このボードも他のSCPボードに簡単に接続可能で、シグナル・チェーン電源システム一式を構築できるよう設計されており、低消費電力シグナル・チェーンの迅速な評価を実現できます。このボードを評価するには、以下の汎用SCPハードウェアが必要になります。

  • SCP-INPUT-EVALZ
  • SCP-OUTPUT-EVALZ
  • SCP-1X5BKOUT-EVALZ
  • SCP-THRUBRD-EVALZ
  • SCP-FILTER-EVALZ
  • SCP-1X2BKOUT-EVALZ
  • SCP-5X1-EVALZ

 

SCPシリーズのデモ・ボードを正しく評価するには、SCPコンフィグレータ付属ソフトウェアが必要です。SCPコンフィグレータは、設計に適したボードとトポロジの選択に役立ちます。

デモ・マニュアルには、LT3470Aの動作や設定に関する重要な詳細情報は記載されていない点に注意してください。部品の詳細については、LT3470Aのデータシートを参照してください。

eval board
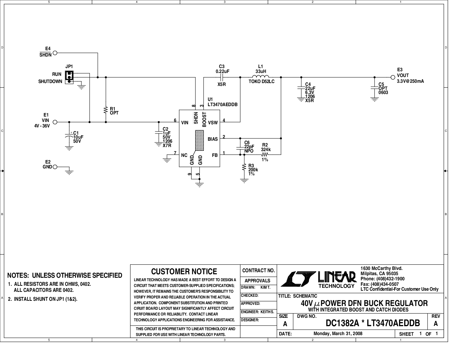
DC1382A

LT3470AEDDB Demo Board | (DFN) 4V ≤ VIN ≤ 36V, VOUT = 3.3V @ 250mA, Integrated Boost and Catch Diodes

製品詳細

Demonstration circuit 1382 is a 40V micropower DFN buck regulator featuring the LT3470A. The LT3470A has a higher peak switch current and improved start-up and dropout compared with the non-"A" version. The demo board is optimized for 3.3V output at up to 250mA load current for a steady state input voltage range of 4V to 36V. With its wide input voltage range, high efficiency internal power switch, extremely low dropout operation, hysteretic current-mode, integrated boost and catch diodes and tiny DFN package, the LT3470A is a very versatile and powerful IC for DC/DC converters that require extremely compact space, high efficiency and high input voltage.

SCP-LT3470A-BEVALZ
LT3470Aシグナル・チェーン評価用ボード | マイクロパワー降圧コンバータ
LT3470A Signal Chain Evaluation Board LT3470A Signal Chain Evaluation Board - Top View LT3470A Signal Chain Evaluation Board - Bottom View
DC1382A
LT3470AEDDB Demo Board | (DFN) 4V ≤ VIN ≤ 36V, VOUT = 3.3V @ 250mA, Integrated Boost and Catch Diodes
DC1382A - Schematic

最新のディスカッション

最近表示した製品