LT1683

製造中

スルーレートが制御された超低ノイズ・プッシュプルDC/DC コントローラ

利用上の注意

本データシートの英語以外の言語への翻訳はユーザの便宜のために提供されるものであり、リビジョンが古い場合があります。最新の内容については、必ず最新の英語版をご参照ください。

なお、日本語版のデータシートは基本的に「Rev.0」(リビジョン0)で作成されています。そのため、英語版が後に改訂され、複数製品のデータシートがひとつに統一された場合、同じ「Rev.0」の日本語版のデータシートが異なる製品のデータシートとして表示されることがあります。たとえば、「ADM3307E」の場合、日本語データシートをクリックすると「ADM3311E」が表示されます。これは、英語版のデータシートが複数の製品で共有できるように1本化され、「ADM3307E/ADM3310E/ADM3311E/ADM3312E/ADM3315E」(Rev.J)と改訂されたからで、決して誤ってリンクが張られているわけではありません。和文化されたデータシートを少しでも有効に活用していただくためにこのような方法をとっておりますので、ご了解ください。

アナログ・デバイセズ社は、提供する情報が正確で信頼できるものであることを期していますが、その情報の利用に関して、あるいはその利用によって生じる第三者の特許やその他の権利の侵害に関して一切の責任を負いません。また、アナログ・デバイセズ社の特許または特許の権利の使用を明示的または暗示的に許諾するものでもありません。仕様は予告なしに変更する場合があります。本紙記載の商標および登録商標は、各社の所有に属します。

Viewing:

製品情報

  • 伝導および放射EMI を大幅に削減
  • 低いスイッチング高調波成分
  • 出力スイッチ電圧のスルーレートと出力スイッチ電流のスルーレートを個別に制御
  • 外部フィルタの必要性を大幅に低減
  • デュアルN チャネルMOSFET ドライバ
  • 20kHz~250kHz の発振周波数
  • 外部クロックと容易に同期可能
  • 正電圧/負電圧を安定化
  • 従来のスイッチャ使用時に比べてレイアウトが容易

LT1683 は、伝導および放射電磁障害(EMI)を低減するスイッチング・レギュレータ・コントローラです。外付けN チャネルMOSFET スイッチの電圧および電流のスルーレートを制御することで、ノイズとEMIを非常に低く抑えます。電流および電圧のスルーレートは個別に設定可能で、スイッチング波形の高調波成分対効率を最適化できます。LT1683 は、わずかな効率低下だけで高周波高調波電力を40dB も低減できます。

LT1683 は、低ノイズ方式に最適なデュアル出力(プッシュプル)電流モード・アーキテクチャを採用しています。このデバイスは、ゲート・ドライバに加えて、発振器、制御、保護などの必要な全ての回路を内蔵しています。独自のエラー・アンプ回路により、正電圧と負電圧の両方を安定化できます。発振器は外部クロックに同期できるので、スイッチング高調波をさらに高精度にすることができます。

保護機能として、低VIN でのゲート・ドライブ・ロックアウト、反対側のゲートのロックアウト、ソフト・スタート、出力電流制限、短絡電流制限、ゲート・ドライブ過電圧クランプ、入力電源の低電圧ロックアウトなどがあります。


アプリケーション

  • ノイズに敏感な通信機器の電源
  • EMI適合オフライン電源
  • 高精度計装システム
  • 産業用オートメーション向けの絶縁電源
  • 医療機器
  • データ収集システム

LT1683
スルーレートが制御された超低ノイズ・プッシュプルDC/DC コントローラ
Ultralow Noise 48V to 5V DC/DC Converter 5V Output Noise (Bandwidth = 100MHz) Product Package 1
myAnalogに追加

myAnalogの製品セクション(通知受け取り)、既存/新規プロジェクトに製品を追加する。

新規プロジェクトを作成
質問する
サポート

アナログ・デバイセズのサポート・ページはアナログ・デバイセズへのあらゆるご質問にお答えするワンストップ・ポータルです。


ドキュメント

データシート

これは最新改訂バージョンのデータシートです。

さらに詳しく
myAnalogに追加

myAnalogのリソース・セクション、既存/新規プロジェクトにメディアを追加する。

新規プロジェクトを作成

ソフトウェア・リソース

必要なソフトウェア/ドライバが見つかりませんか?

ドライバ/ソフトウェアをリクエスト

ハードウェア・エコシステム

製品モデル 製品ライフサイクル 詳細
発振器 1
LTC6930 製造中 32.768kHz~8.192MHzの高精度マイクロパワー発振器
Modal heading
myAnalogに追加

myAnalogの製品セクション(通知受け取り)、既存/新規プロジェクトに製品を追加する。

新規プロジェクトを作成

ツールおよびシミュレーション

LTspice


下記製品はLTspiceで使用することが出来ます。:

  • LT1683
LTspice

LTspice®は、無料で提供される強力で高速な回路シミュレータと回路図入力、波形ビューワに改善を加え、アナログ回路のシミュレーションを容易にするためのモデルを搭載しています。

 


評価用キット

eval board
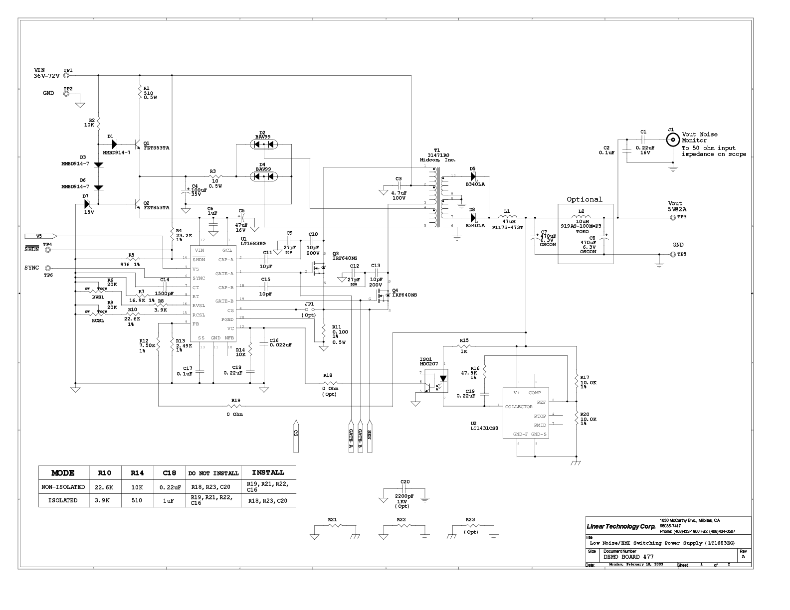
DC477A

LT1683EG | Low Noise/EMI Switching Power Supply, 36V to 72VIN, 5VOUT @ 2A

製品詳細

DC477A: Demo Board for the LT1683 - Slew Rate Controlled Ultralow Noise Push-Pull DC/DC Controller.


 


DC477A
LT1683EG | Low Noise/EMI Switching Power Supply, 36V to 72VIN, 5VOUT @ 2A
DC477A - Schematic

最新のディスカッション

最近表示した製品