製品概要
製品概要
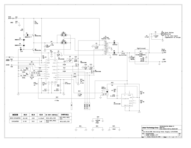
DC477A: Demo Board for the LT1683 - Slew Rate Controlled Ultralow Noise Push-Pull DC/DC Controller.
マーケット&テクノロジー
対象となる製品
関連資料
-
DC477A - Schematic2009/09/24PDF137K
-
DC477A - Demo Manual2009/09/24PDF382K
-
DC477A - Design File2009/09/24ZIP1M
