HMC1033

最終販売

高性能、+3.3V クロック発生器、25 MHz ~ 550 MHz

利用上の注意

本データシートの英語以外の言語への翻訳はユーザの便宜のために提供されるものであり、リビジョンが古い場合があります。最新の内容については、必ず最新の英語版をご参照ください。

なお、日本語版のデータシートは基本的に「Rev.0」(リビジョン0)で作成されています。そのため、英語版が後に改訂され、複数製品のデータシートがひとつに統一された場合、同じ「Rev.0」の日本語版のデータシートが異なる製品のデータシートとして表示されることがあります。たとえば、「ADM3307E」の場合、日本語データシートをクリックすると「ADM3311E」が表示されます。これは、英語版のデータシートが複数の製品で共有できるように1本化され、「ADM3307E/ADM3310E/ADM3311E/ADM3312E/ADM3315E」(Rev.J)と改訂されたからで、決して誤ってリンクが張られているわけではありません。和文化されたデータシートを少しでも有効に活用していただくためにこのような方法をとっておりますので、ご了解ください。

アナログ・デバイセズ社は、提供する情報が正確で信頼できるものであることを期していますが、その情報の利用に関して、あるいはその利用によって生じる第三者の特許やその他の権利の侵害に関して一切の責任を負いません。また、アナログ・デバイセズ社の特許または特許の権利の使用を明示的または暗示的に許諾するものでもありません。仕様は予告なしに変更する場合があります。本紙記載の商標および登録商標は、各社の所有に属します。

Viewing:

製品情報

  • わずか 3.3 Vの単電源動作
  • 出力周波数範囲: 25 MHz ~ 550 MHz
  • インテジャー N モードまたはフラクショナル N モードの周波数変換
  • LVDS 互換または LVPECL タイプの差動出力に設定可能
  • 「消費電力優先」モードと「性能優先」モード
  • RMS ジッタ: <99 fs(12 kHz ~ 20 MHz、標準 350MHz 出力)
  • -163 dBc/Hz の位相ノイズ・フロアにより ADC/DAC の SNR を改善(最大出力振幅レベル)
  • 外付けフィルタにより PLL ループの BW を調整可能
  • 出力ディスエーブル/ミュート制御
  • ロック検出信号
  • リファレンス周波数調整を行う精密周波数モード、0 Hz の周波数誤差
  • 40 ピン 6 mm x 6 mm SMT パッケージ: 36 mm²

HMC1033LP6GE は、電圧制御発振器(VCO)を内蔵するフラクショナル N フェーズ・ロック・ループ(PLL)を備えた、低ノイズで広帯域の 3.3 V クロック発生器 IC です。このデバイスは、25 MHz ~ 550 MHz の範囲の差動クロックを出力します。HMC1033LP6GE は、低ノイズの位相検出器(PD)とデルタシグマ変調器を備えており、最大 100 MHz の動作が可能なので、広いループ帯域幅と優れたスプリアス性能が得られます。 

また、動作範囲において業界トップレベルの位相ノイズ性能とジッタ性能を備えており、リンク・レベルのジッタ性能、ビット誤り率(BER)、アイ・ダイアグラムを改善することができます。ノイズ・フロアが優れている(<-162 dBc/Hz)ため、HMC1033LP6GE は、高速データ・コンバータ、物理層(PHY)デバイス、シリアライザ/デシリアライザ(SER/DES)回路、FPGA、プロセッサなどの様々なアプリケーションの信号源に最適です。HMC1033LP6GE は、10G/40G/100G 光モジュール/トランスポンダに加え、10G/40G/100G ライン・カードのプライマリ・リファレンス・クロック、ジッタ減衰や周波数変換用の LO としても使用できます。 

HMC1033LP6GE の差動出力は、LVPECL または LVDS 互換モードに設定可能で、出力振幅を拡大することにより、デバイスが柔軟になり、さまざまな信号レベル要件に対応します。出力を内部終端することができ、部品数とコストを低減します。LVPECL モードでは、抵抗接地などの標準的な方法を使って、出力を外部終端することができます。出力ミュート機能により、ボード・テストやデバッグ時に必要となる出力のシャット・オフが可能です。LVPECL/LVDS と振幅の選択および出力ミュート機能は全て、SPI シリアル・プログラミングで設定します。 

HMC1033LP6GE は、消費電力優先モードまたは性能優先モードを選択するように設計されています。消費電力優先に設定するとデバイスの消費電流が減少し、性能優先に設定するとジッタと位相ノイズの性能が向上します。 

24 ビット・デルタシグマ変調器によって Hittite の精密周波数モードがさらに改善され、多くのアプリケーションで周波数誤差 0 Hz の出力周波数を生成することができます。 

アプリケーション
  • 10G/40G/100G 光モジュール、トランスポンダ、ライン・カード
  • OTN および SONET/SDH アプリケーション
  • データ・コンバータ、サンプル・クロック発生
  • セルラ/4G インフラストラクチャ
  • 高周波プロセッサ/FPGA クロック
  • 任意周波数のクロック・レート生成
  • 低ジッタの SAW 発振器の置き換え
  • DDS の置き換え
  • 周波数変換
  • 周波数マージン制御

HMC1033
高性能、+3.3V クロック発生器、25 MHz ~ 550 MHz
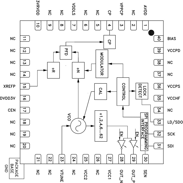
HMC1033 Functional Block Diagram
myAnalogに追加

myAnalogの製品セクション(通知受け取り)、既存/新規プロジェクトに製品を追加する。

新規プロジェクトを作成
質問する
サポート

アナログ・デバイセズのサポート・ページはアナログ・デバイセズへのあらゆるご質問にお答えするワンストップ・ポータルです。


ドキュメント

データシート

これは最新改訂バージョンのデータシートです。

さらに詳しく
myAnalogに追加

myAnalogのリソース・セクション、既存/新規プロジェクトにメディアを追加する。

新規プロジェクトを作成

ソフトウェア・リソース

必要なソフトウェア/ドライバが見つかりませんか?

ドライバ/ソフトウェアをリクエスト

ハードウェア・エコシステム

製品モデル 製品ライフサイクル 詳細
コンパレータ 1
LTC6957 位相ノイズの小さいデュアル出力バッファ/ドライバ/ロジック・コンバータ
フェーズ・ロック・ループ(PLL)シンセサイザ 1
HMC1031 最終販売 0.1 MHz ~ 500 MHz のクロック・ジェネレータ、インテジャー N PLL 付き
Modal heading
myAnalogに追加

myAnalogの製品セクション(通知受け取り)、既存/新規プロジェクトに製品を追加する。

新規プロジェクトを作成

評価用キット

EVAL-HMC1033LP6G
HMC1033LP6G評価用ボード
HMC832 Evaluation Board HMC832 Evaluation Board - Top View HMC832 Evaluation Board - Bottom View

最新のディスカッション

最近表示した製品