ADH565S

新規設計には非推奨

Aerospace, GaAs, pHEMT, MMIC, Low Noise Amplifier, 6 GHz to 20 GHz

利用上の注意

本データシートの英語以外の言語への翻訳はユーザの便宜のために提供されるものであり、リビジョンが古い場合があります。最新の内容については、必ず最新の英語版をご参照ください。

なお、日本語版のデータシートは基本的に「Rev.0」(リビジョン0)で作成されています。そのため、英語版が後に改訂され、複数製品のデータシートがひとつに統一された場合、同じ「Rev.0」の日本語版のデータシートが異なる製品のデータシートとして表示されることがあります。たとえば、「ADM3307E」の場合、日本語データシートをクリックすると「ADM3311E」が表示されます。これは、英語版のデータシートが複数の製品で共有できるように1本化され、「ADM3307E/ADM3310E/ADM3311E/ADM3312E/ADM3315E」(Rev.J)と改訂されたからで、決して誤ってリンクが張られているわけではありません。和文化されたデータシートを少しでも有効に活用していただくためにこのような方法をとっておりますので、ご了解ください。

アナログ・デバイセズ社は、提供する情報が正確で信頼できるものであることを期していますが、その情報の利用に関して、あるいはその利用によって生じる第三者の特許やその他の権利の侵害に関して一切の責任を負いません。また、アナログ・デバイセズ社の特許または特許の権利の使用を明示的または暗示的に許諾するものでもありません。仕様は予告なしに変更する場合があります。本紙記載の商標および登録商標は、各社の所有に属します。

Viewing:

製品情報

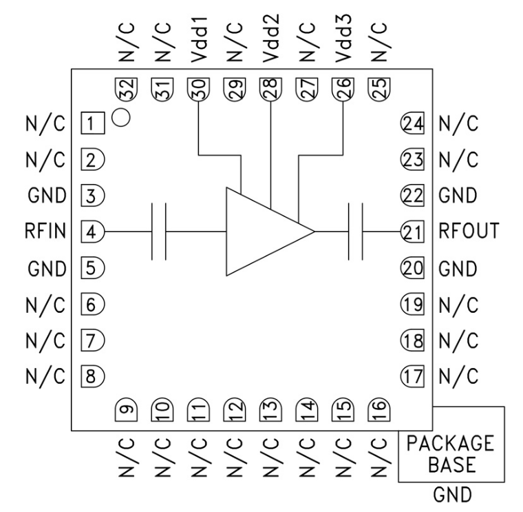
  • Noise Figure: 2.5 dB
  • Gain: 21 dB
  • OIP3: 20 dBm
  • Single Supply Voltage: +3V @ 53 mA
  • 50 Ohm Matched Input/Output
  • 32 Lead 5 mm x 5 mm SMT package
  • Screened with guidelines to MIL-PRF-38535, Class Level S

The ADH565S is a high dynamic range GaAs PHEMT MMIC Low Noise Amplifier operating from 6 GHz to 20 GHz. The ADH565S features 21 dB of small signal gain, 2.5 dB noise figure and OIP3 of +20 dBm across the operating band. This self-biased LNA is ideal for microwave radios due to its single +3V supply operation, and DC blocked RF I/O’s.

Applications

  • Point-to-Point Radios
  • Point-to-Multi-Point Radios
  • VSAT
  • Sensors
  • Military & Space
  • ADH565S
    Aerospace, GaAs, pHEMT, MMIC, Low Noise Amplifier, 6 GHz to 20 GHz
    HMC8741LC5 SID
    myAnalogに追加

    myAnalogの製品セクション(通知受け取り)、既存/新規プロジェクトに製品を追加する。

    新規プロジェクトを作成
    質問する
    サポート

    アナログ・デバイセズのサポート・ページはアナログ・デバイセズへのあらゆるご質問にお答えするワンストップ・ポータルです。


    ドキュメント

    さらに詳しく
    myAnalogに追加

    myAnalogのリソース・セクション、既存/新規プロジェクトにメディアを追加する。

    新規プロジェクトを作成

    ソフトウェア・リソース

    必要なソフトウェア/ドライバが見つかりませんか?

    ドライバ/ソフトウェアをリクエスト

    最新のディスカッション

    ADH565Sに関するディスカッションはまだありません。意見を投稿しますか?

    EngineerZone®でディスカッションを始める

    最近表示した製品