AD9911

新規設計に推奨

DDS、500MSPS、10ビットDAC内蔵

利用上の注意

本データシートの英語以外の言語への翻訳はユーザの便宜のために提供されるものであり、リビジョンが古い場合があります。最新の内容については、必ず最新の英語版をご参照ください。

なお、日本語版のデータシートは基本的に「Rev.0」(リビジョン0)で作成されています。そのため、英語版が後に改訂され、複数製品のデータシートがひとつに統一された場合、同じ「Rev.0」の日本語版のデータシートが異なる製品のデータシートとして表示されることがあります。たとえば、「ADM3307E」の場合、日本語データシートをクリックすると「ADM3311E」が表示されます。これは、英語版のデータシートが複数の製品で共有できるように1本化され、「ADM3307E/ADM3310E/ADM3311E/ADM3312E/ADM3315E」(Rev.J)と改訂されたからで、決して誤ってリンクが張られているわけではありません。和文化されたデータシートを少しでも有効に活用していただくためにこのような方法をとっておりますので、ご了解ください。

アナログ・デバイセズ社は、提供する情報が正確で信頼できるものであることを期していますが、その情報の利用に関して、あるいはその利用によって生じる第三者の特許やその他の権利の侵害に関して一切の責任を負いません。また、アナログ・デバイセズ社の特許または特許の権利の使用を明示的または暗示的に許諾するものでもありません。仕様は予告なしに変更する場合があります。本紙記載の商標および登録商標は、各社の所有に属します。

Viewing:

製品情報

  • 特許取得済みSpurKiller技術
  • マルチトーンの生成
  • テスト・トーン変調
  • 最大800Mbpsのデータ・スループット
  • 周波数/位相/振幅の変化に対するレイテンシのマッチング
  • 周波数/位相/振幅のリニア掃引機能
  • 最大で16レベルまでのFSK、PSK、ASK
  • プログラミング設定が可能なDACフルスケール電流
  • 32ビットの周波数同調分解能
  • 14ビットの位相オフセット分解能
  • 10ビットの出力振幅スケーリング分解能
  • ソフトウェア/ハードウェア制御によるパワーダウン
  • 複数デバイスの同期化
  • 4× ~ 20×で選択可能な REF_CLK 逓倍器(PLL)
  • 選択可能なREF_CLK 水晶発振器
  • 56ピンLFCSP

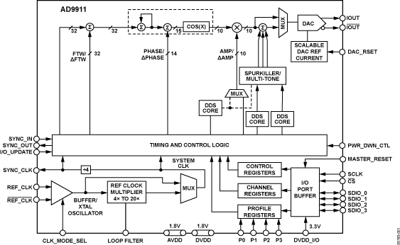
AD9911は、全機能内蔵型のダイレクト・デジタル・シンセサイザ(DDS)です。このデバイスは、優れた広帯域幅および狭帯域幅SFDR性能を備える1個の高速10ビットDACとともに割り当てられたDACが存在しない3個の補助用DDSコアも集積化しています。これらの補助チャンネルは、スプリアスの低減、マルチトーンの生成またはテスト・トーン変調に使用することができます。

AD9911はSpurKiller技術とマルチトーン生成機能が組み込まれた最初のDDSです。マルチトーン・モードは同時に最大4種類のキャリアの生成を可能にします;周波数、位相、振幅を独立にプログラムできます。マルチトーンの生成は相互変調歪みと受信阻止感度のようなシステム・テストに使用できます。スパーキリングは高調波成分、あるいはこれら高調波成分のエイリアスの振幅を低減する事によりSFDR性能の向上を可能にします。

テスト・トーン変調は補助DDS1つを利用して効率的に出力信号の正弦波の振幅変調を可能にします。

AD9911は周波数、位相、または振幅の変調を実行できます(FSK、PSK、ASK)。 変調はプロファイルをレジスタ・バンクに保存し、データをプロファイル・ピンに加えることによって実行されます。AD9911はさらに、レーダや計測器などのアプリケーションで周波数、位相、または振幅をリニアに掃引することも可能です。

DDSは高分解能の周波数分周器として動作し、REF_CLKが入力として使用され、DACから出力が供給されます。REF_CLK入力を直接的に駆動するか、または内蔵されたREF_CLK逓倍器(PLL)と組み合わせて使用することが可能です。REF_CLK入力はさらに、REF_CLKソースとして水晶発振子を外付けすることが可能な発振器回路を特長としています。この水晶発振子をREF_CLK逓倍器と併せて使用することができます。

AD9911のI/Oポートは数多くの設定が可能であるため、非常に高い柔軟性が確保されます。このI/Oポートは、アナログ・デバイセズ社の従来のDDS製品で見られるSPI動作と実質的に同等なSPI互換モード動作が可能です。4つのI/O動作モードを設定可能な4本のデータ・ピン(Pin SDIO_0、 Pin SDIO_1、 Pin SDIO_2、Pin SDIO_3)を使用して、柔軟性の高い操作を行うことができます。DACの出力は電源を基準とし、抵抗またはAVDDにセンター・タップされたトランスによってAVDDに終端しなければなりません。異なるフルスケール電流を設定できるように、DACには専用のプログラマブル・リファレンスが内蔵されています。

DDSコア(AVDDおよびDVDDピン)には、1.8Vの電源が供給されます。デジタルI/Oインターフェース(SPI)は3.3Vの電源で動作するので、DVDD_I/Oのピン(49番ピン)を3.3Vに接続することが必要です。

アプリケーション

  • 高速応答ローカル発振器
  • テストおよび測定装置
  • 業務民生用およびアマチュア無線用励振器
  • レーダおよびソナー
  • テスト・トーン発生器
  • 高速周波数ホッピング
  • クロック発生

AD9911
DDS、500MSPS、10ビットDAC内蔵
AD9911-fbl AD9911 Pin Configuration
myAnalogに追加

myAnalogの製品セクション(通知受け取り)、既存/新規プロジェクトに製品を追加する。

新規プロジェクトを作成
質問する
サポート

アナログ・デバイセズのサポート・ページはアナログ・デバイセズへのあらゆるご質問にお答えするワンストップ・ポータルです。


ドキュメント

データシート 1

アプリケーション・ノート 21

技術記事 21

製品ハイライト 1

評価用設計ファイル 1

さらに詳しく
myAnalogに追加

myAnalogのリソース・セクション、既存/新規プロジェクトにメディアを追加する。

新規プロジェクトを作成

ソフトウェア・リソース

必要なソフトウェア/ドライバが見つかりませんか?

ドライバ/ソフトウェアをリクエスト

ツールおよびシミュレーション

ADIsimDDS(ダイレクト・デジタル・シンセサイザ)

ADIsimDDSは、数学の方程式を用いて、選択したデバイスの全体的な性能をモデル化し、表示します。ADIsimDDSは、リファレンス・クロック周波数と求められる出力周波数が与えられた場合に、必要なFTWを計算します。このツールは総合的なスペクトル性能全体の推定値もモデル化できるため、外付け再構成フィルタの効果を確認できます。

ツールを開く

評価用キット

EVAL-AD9911
AD9911 Evaluation Board

最新のディスカッション

最近表示した製品