AD9222

新規設計には非推奨

12ビットA/Dコンバータ、40/50/65MSPS、オクタル、シリアルLVDS、1.8V

利用上の注意

本データシートの英語以外の言語への翻訳はユーザの便宜のために提供されるものであり、リビジョンが古い場合があります。最新の内容については、必ず最新の英語版をご参照ください。

なお、日本語版のデータシートは基本的に「Rev.0」(リビジョン0)で作成されています。そのため、英語版が後に改訂され、複数製品のデータシートがひとつに統一された場合、同じ「Rev.0」の日本語版のデータシートが異なる製品のデータシートとして表示されることがあります。たとえば、「ADM3307E」の場合、日本語データシートをクリックすると「ADM3311E」が表示されます。これは、英語版のデータシートが複数の製品で共有できるように1本化され、「ADM3307E/ADM3310E/ADM3311E/ADM3312E/ADM3315E」(Rev.J)と改訂されたからで、決して誤ってリンクが張られているわけではありません。和文化されたデータシートを少しでも有効に活用していただくためにこのような方法をとっておりますので、ご了解ください。

アナログ・デバイセズ社は、提供する情報が正確で信頼できるものであることを期していますが、その情報の利用に関して、あるいはその利用によって生じる第三者の特許やその他の権利の侵害に関して一切の責任を負いません。また、アナログ・デバイセズ社の特許または特許の権利の使用を明示的または暗示的に許諾するものでもありません。仕様は予告なしに変更する場合があります。本紙記載の商標および登録商標は、各社の所有に属します。

Viewing:

製品情報

  • 8個のADCを1つのパッケージに集積化
  • 65MSPS変換レート時、チャンネルあたり114mWの低消費電力
  • S/N比=70dB(ナイキスト周波数まで)
  • ENOB=11.3ビット
  • SFDR=80dBc
  • 優れた直線性:
    DNL=±0.3LSB(typ)
    INL=±0.4LSB(typ)
  • シリアルLVDS(ANSI-644、デフォルト)
    低消費電力信号オプション、IEEE 1596.3と同様
  • データ・クロックおよびフレーム・クロック出力
  • 325MHzのフルパワー・アナログ帯域幅
  • 2Vp-pの入力電圧範囲
  • 1.8V電源動作
  • シリアル・ポート制御
  • 全チップおよび個別チャンネルの
    パワーダウン・モード
    柔軟性の高いビット・オリエンテーション
    組込みおよびカスタムのデジタル・テスト・パターン生成
    プログラマブル・クロックおよびデータ・アライメント
    プログラマブル出力分解能
    スタンバイ・モード

AD9222は、低価格、低消費電力、小型サイズ、使いやすさを実現するよう設計された、サンプル&ホールド回路内蔵のオクタル、12ビット、40/50/65MSPS A/Dコンバータ(ADC)です。最大65MSPSの変換レートで動作し、小型のパッケージ・サイズが非常に重要とされるアプリケーションで、優れた動的性能と低消費電力が得られるように最適化されています。

AD9222がフル性能で動作するには、1.8Vの単電源とLVPECL/CMOS/LVDS互換のサンプル・レート・クロックが必要です。ほとんどのアプリケーションでは外部リファレンスまたはドライバ部品を外付けする必要がありません。

AD9222は、適切なLVDSシリアル・データレートに対応するように、サンプル・レート・クロックを自動的に逓倍します。出力上でデータを取り込むためのデータ・クロック(DCO)と、新しい出力バイトを送信するためのフレーム・クロック(FCO)が用意されています。各チャンネルが個別にパワーダウンでき、チャンネルすべてをディスエーブルにしたときの消費電力は通常2mW未満に抑えられます。

AD9222は、プログラマブル・クロックやデータ・アライメント、プログラマブル・デジタル・テスト・パターン生成などを備え、柔軟性を最大限に高めるとともに、システム・コストを最小限に抑えるように設計されています。利用可能なデジタル・テスト・パターンには、シリアル・ポート・インターフェース(SPI)を介して入力するカスタム・ユーザ定義のテスト・パターンに加えて、確定的および疑似ランダムのパターンも組み込まれています。

AD9222は鉛フリーの64ピンLFCSPパッケージで提供されます。工業用温度範囲-40~+85℃で仕様が規定されています。

製品のハイライト

  1. 小型フットプリント:小型で省スペースのパッケージに8個のADCが内蔵されています。
  2. 65MSPS変換レート時、チャンネルあたり114mWの低消費電力
  3. 使いやすさ:データ・クロック出力(DCO)は最大300MHzで動作し、ダブル・データレート動作(DDR)に対応します。
  4. 柔軟性:シリアル・ポート・インターフェース(SPI)制御により、特定のシステム条件を満たす柔軟性の高い機能が幅広く提供されます。
  5. ピン互換ファミリー:AD9212(10ビット)とAD9252(14ビット)を含みます。

アプリケーション

  • 医療用画像処理および非破壊超音波検査
  • 携帯型の超音波およびデジタル・ビーム形成システム
  • 直交無線受信機
  • ダイバーシティ無線受信機
  • テープ・ドライブ
  • 光ネットワーキング
  • テスト装置

AD9222
12ビットA/Dコンバータ、40/50/65MSPS、オクタル、シリアルLVDS、1.8V
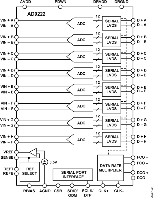
AD9222 Functional Block Diagram 365886051AD9222 Pin Configuration
myAnalogに追加

myAnalogの製品セクション(通知受け取り)、既存/新規プロジェクトに製品を追加する。

新規プロジェクトを作成
質問する
サポート

アナログ・デバイセズのサポート・ページはアナログ・デバイセズへのあらゆるご質問にお答えするワンストップ・ポータルです。


ドキュメント

データシート 1

アプリケーション・ノート 14

技術記事 1

評価用設計ファイル 2

よく聞かれる質問 1

さらに詳しく
myAnalogに追加

myAnalogのリソース・セクション、既存/新規プロジェクトにメディアを追加する。

新規プロジェクトを作成

ソフトウェア・リソース

必要なソフトウェア/ドライバが見つかりませんか?

ドライバ/ソフトウェアをリクエスト

ツールおよびシミュレーション

Virtual Eval(仮想評価、 ベータ版)

Virtual Evalは、ADC、DAC、およびその応用製品評価を支援するウェブベースの設計ツールです。アナログ・デバイセズのサーバ上にあるモデルを使用して、重要な部品の性能特性をわずか数秒でシミュレートします。使用時は、入力トーンや外部ジッタなどの動作条件のほか、ゲインやデジタル・ダウンコンバージョンといったデバイス機能を設定してください。ノイズ、歪み、分解能、FFT、タイミング図、周波数応答プロット、その他さまざまな性能特性を確認することができます。

ツールを開く

Visual Analog

VisualAnalog™は、高速ADCの選択や評価を行う設計者向けに、強力なシミュレーション/データ解析ツール・セットとユーザ・フレンドリなグラフィカル・インターフェースを組み合わせたソフトウェア・パッケージです。

ツールを開く

AD9222 Simulink ADIsimADC Model

ツールを開く

AD9222 IBIS Models 1


評価用キット

eval board
HSC-ADC-EVALCZ

FPGAベースのデータ・キャプチャ・キット

機能と利点

  • FIFO深さ:64kB
  • シングル/マルチ・チャンネルADCで動作
  • VisualAnalog® ソフトウェアで使用
  • Virtex-4 FPGAベースのキット
  • ADCの評価ボードによってはインターフェース用のアダプタが必要になる場合があります。
  • 各チャンネルによりSPI制御 最大644 MSPS SDR / 800MSPS DDRのエンコード・レートでのプログラムが可能
  • 各チャンネルはDDRのエンコード・レート

製品詳細

HSC-ADC-EVALCZ 高速コンバータ評価用プラットフォームは、アナログ・デバイセズの高速 A/D コンバータ(ADC)評価用ボードからのデジタル・データのブロックをキャプチャする FPGA ベースのバッファ・メモリ・ボードを使用しています。このボードは、USB ポートを介して PC に接続し、VisualAnalog® とともに使用して、高速 ADC の性能を短時間で評価します。この評価用キットはセットアップが容易です。その他の必要な装置には、アナログ・デバイセズの高速 ADC 評価用ボード、信号源、クロック源などがあります。キットを接続して電源を投入すると、PC で即座に評価することができます。

HSC-ADC-EVALCZ
FPGAベースのデータ・キャプチャ・キット
High_Speed_ADC_evalboard_05
EVAL-AD9222
AD9222 Evaluation Board

最新のディスカッション

最近表示した製品