Two engineers working in the lab

Save time and deliver your solutions faster with ADI’s new suite of precision technology signal chains. Align your applications ranging from Smart Industry to Instrumentation, Electrification to Digital Health, to exactly the right precision technology combinations.

Tailor your signal chain with confidence

AD8148

製造中

トリプル差動ドライバ、ワイドバンド・ビデオ対応

利用上の注意

本データシートの英語以外の言語への翻訳はユーザの便宜のために提供されるものであり、リビジョンが古い場合があります。最新の内容については、必ず最新の英語版をご参照ください。

なお、日本語版のデータシートは基本的に「Rev.0」(リビジョン0)で作成されています。そのため、英語版が後に改訂され、複数製品のデータシートがひとつに統一された場合、同じ「Rev.0」の日本語版のデータシートが異なる製品のデータシートとして表示されることがあります。たとえば、「ADM3307E」の場合、日本語データシートをクリックすると「ADM3311E」が表示されます。これは、英語版のデータシートが複数の製品で共有できるように1本化され、「ADM3307E/ADM3310E/ADM3311E/ADM3312E/ADM3315E」(Rev.J)と改訂されたからで、決して誤ってリンクが張られているわけではありません。和文化されたデータシートを少しでも有効に活用していただくためにこのような方法をとっておりますので、ご了解ください。

アナログ・デバイセズ社は、提供する情報が正確で信頼できるものであることを期していますが、その情報の利用に関して、あるいはその利用によって生じる第三者の特許やその他の権利の侵害に関して一切の責任を負いません。また、アナログ・デバイセズ社の特許または特許の権利の使用を明示的または暗示的に許諾するものでもありません。仕様は予告なしに変更する場合があります。本紙記載の商標および登録商標は、各社の所有に属します。

Viewing:

製品情報

  • トリプル高速完全差動ドライバ
    700MHz、-3dB、2Vp-p帯域幅(AD8146/AD8148)
    600MHz、-3dB、2Vp-p帯域幅(AD8147)
    200MHz、0.1dB、2Vp-p帯域幅
    スルーレート:3000V/µs 
  • 固定ゲイン(AD8146/AD8147:G=2、AD8148:G=4) 
  • 差動またはシングルエンド入力で差動出力
    差動/差動レシーバとしても使用可 
  • 1芯または2線の100ΩUTPケーブルの駆動能力
  • 出力コモンモード電圧の調整が可能(AD8146) 
  • 低消費電流:57mA@5V 3出力駆動時(AD8146) 
  • 内部同相帰還ネットワーク
    出力バランス誤差:-50dB @50MHz 
  • シンクオン同相エンコーディングを内蔵(AD8147/AD8148) 
  • ライン・アイソレーションのための出力プルダウン機能 
  • 広い電源電圧範囲:+5~±5V 
  • 小型の4mm×4mm LFCSP

AD8146/AD8147/AD8148は、高速トリプル、差動またはシングルエンド入力で差動出力のドライバです。AD8146とAD8147は固定ゲイン2、AD8148は固定ゲイン4になります。いずれも最高分解能のコンポーネント・ビデオ信号用に特に設計されていますが、あらゆるタイプのアナログ信号や高速データ伝送に使用でき、カテゴリ5のUTPケーブルまたは差動PCボード(PCB)伝送ラインのいずれかを駆動できます。

これらのドライバは、トリプル差動またはシングルエンドのレシーバAD8145およびクロスポイント・スイッチAD8117と組み合わせることで、UXGAまたは1080p信号に対応するビデオ配信システムを構築できます。

本製品はアナログ・デバイセズの第2世代XFCBバイポーラ・プロセスによって製造されています。700MHzの大信号帯域幅、高速スルーレートを備えています。また、同相電圧帰還回路を内蔵しており、50MHzで-60dBの出力ゲインおよび位相バランスが得られます。これにより,偶数高調波を抑制してEMI(放射電磁干渉)を最小限に抑えることができます。

AD8146の各出力の同相電圧は任意のレベルに設定でき、同相電圧範囲で信号を送信できます。AD8147/AD8148は、出力の同相電圧の垂直同期信号と水平同期信号をエンコードします。直列ダイオードを用いたライン・アイソレーション・アプリケーション向けに、どの出力も個別に低電圧状態に設定できるため、同じツイスト・ペア・ケーブル上で簡単に差動多重化ができます。

AD8146/AD8147/AD8148は、24ピンLFCSPを採用しており、-40~+85℃の温度範囲で動作します。

アプリケーション

  • QXGAまたは1080pビデオ伝送
  • KVMネットワーキング
  • UTP(シールドなしツイスト・ペア)ケーブル・ビデオ伝送
  • 差動信号の多重化

AD8148
トリプル差動ドライバ、ワイドバンド・ビデオ対応
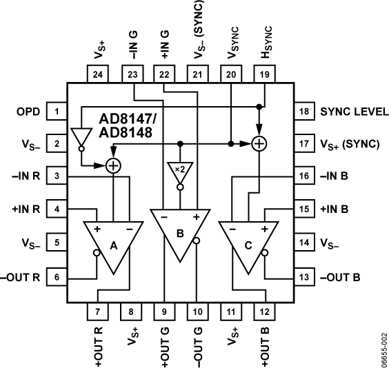
AD8147/AD8148 Functional Block Diagram AD8147/AD8148 Pin Configuration
myAnalogに追加

myAnalogの製品セクション(通知受け取り)、既存/新規プロジェクトに製品を追加する。

新規プロジェクトを作成
質問する
サポート

アナログ・デバイセズのサポート・ページはアナログ・デバイセズへのあらゆるご質問にお答えするワンストップ・ポータルです。


ドキュメント

さらに詳しく
myAnalogに追加

myAnalogのリソース・セクション、既存/新規プロジェクトにメディアを追加する。

新規プロジェクトを作成

ソフトウェア・リソース

必要なソフトウェア/ドライバが見つかりませんか?

ドライバ/ソフトウェアをリクエスト

ツールおよびシミュレーション


評価用キット

eval board
EVAL-AD8147

AD8147 and AD8148 Evaluation Board

機能と利点

  • Full featured evaluation board for the AD8147/AD8148
  • Uses VGA as input and Cat-5 as output 
  • Single 5 V or dual ±2.5 V/±5 V operation

製品詳細

The AD8147/AD8148 are high speed triple, differential or single-ended input to differential output drivers. The AD8147 has a fixed gain of 2, and the AD8148 has a fixed gain of 4.The AD8147 and AD8148 devices are designed for the highest resolution component video signals but can be used for any type of analog signals or high speed data transmission over either a Category 5 UTP (Cat-5) cable or differential printed circuit board (PCB) transmission lines. These drivers can be used with the AD8145 triple, differential to single-ended receiver, and the AD8117 crosspoint switch, to produce a video distribution system capable of supporting UXGA or 1080p signals.


Manufactured on the Analog Devices, Inc., second generation XFCB bipolar process, the drivers have large signal bandwidths of 700 MHz and fast slew rates. They have an internal common-mode feedback feature that provides output amplitude and phase matching that is balanced to −60 dB at 50 MHz, suppressing even order harmonics and minimizing radiated electromagnetic interference (EMI).


Both the AD8147 and AD8148 encode vertical and horizontal sync signals on the common-mode voltages of the outputs. All outputs can be independently set to low voltage states to be used with series diodes for line isolation, allowing easy, differential multiplexing over the same twisted pair cable.


The AD8147/AD8148 are available in a 24-lead LFCSP and operate over a temperature range of −40°C to +85°C.


The user guide UG-861 provides all supporting documents for evaluating the AD8147/AD8148. Consult the AD8147 and AD8148 data sheets, which provide additional information, when working with the evaluation board.

EVAL-AD8147
AD8147 and AD8148 Evaluation Board
AD8147-EVALZ

最新のディスカッション

最近表示した製品