MAX2392

製造中止

W-CDMA/W-TDD/TD-SCDMAゼロIFレシーバ

利用上の注意

本データシートの英語以外の言語への翻訳はユーザの便宜のために提供されるものであり、リビジョンが古い場合があります。最新の内容については、必ず最新の英語版をご参照ください。

なお、日本語版のデータシートは基本的に「Rev.0」(リビジョン0)で作成されています。そのため、英語版が後に改訂され、複数製品のデータシートがひとつに統一された場合、同じ「Rev.0」の日本語版のデータシートが異なる製品のデータシートとして表示されることがあります。たとえば、「ADM3307E」の場合、日本語データシートをクリックすると「ADM3311E」が表示されます。これは、英語版のデータシートが複数の製品で共有できるように1本化され、「ADM3307E/ADM3310E/ADM3311E/ADM3312E/ADM3315E」(Rev.J)と改訂されたからで、決して誤ってリンクが張られているわけではありません。和文化されたデータシートを少しでも有効に活用していただくためにこのような方法をとっておりますので、ご了解ください。

アナログ・デバイセズ社は、提供する情報が正確で信頼できるものであることを期していますが、その情報の利用に関して、あるいはその利用によって生じる第三者の特許やその他の権利の侵害に関して一切の責任を負いません。また、アナログ・デバイセズ社の特許または特許の権利の使用を明示的または暗示的に許諾するものでもありません。仕様は予告なしに変更する場合があります。本紙記載の商標および登録商標は、各社の所有に属します。

Viewing:

製品情報

  • 完全モノリシックダイレクトコンバージョンレシーバ
  • 外付けのIF SAWフィルタ、IF AGCアンプ回路、およびI/Q復調器が不要
  • Eb/Noが3dB以上のマージンを持って、すべての3GPPレシーバの標準的な仕様に適合
  • 単一動作電源:+2.7V~+3.3V
  • RFおよびベースバンドの利得制御範囲:90dB以上
  • チャネルの選択性:40dB以上
  • レシーバの消費電流 ≈ 32mA
  • DCオフセットキャンセル内蔵
  • 各種CMOSロジックレベルと互換

全機能内蔵ダイレクトコンバーションレシーバICのMAX2390~MAX2393/MAX2396/MAX2400 (MAX2390ファミリ)は、W-CDMAおよびTDSCDMAアプリケーション用に設計されています。

MAX2390ファミリの各レシーバICは、90dBを超えるダイナミック利得制御、およびLNA入力換算で2.7dB (typ)の雑音指数を備えています。各レシーバは、超低電流ローノイズアンプ(LNA)で構成され、出力マッチングと2ステップ利得制御を備えています。このゼロIF復調器は、レシーバの入力に対するLOリークを最小化するための差動回路構成になっています。チャネルの選択は内蔵ローパスフィルタを使って完全にレシーバのベースバンド部分で行われます。AGCセクションは、50dBを超える利得制御範囲を持っています。LO直交信号の発生は、2分周プリスケーラによってチップ内で行われます。I/QベースバンドチャネルのDCオフセットキャンセルは、DCサーボループを使用して完全にチップ内で行われます。大きなDCオフセット過渡を最短時間で高速補正するために、DCオフセットキャンセル回路の時定数の最適化によって超高速セトリングタイムが確保されます。

MAX2390ファミリは、差動レシーバモードを設定するための3線式シリアルバスを内蔵しています。また、このファミリは完全なデバイスのシャットダウン用の/SHDN端子も備えています。各レシーバは、最先端の高周波SiGe BiCMOSプロセスを使用して製造されています。これらのICは、単一の+2.7V~+3.3V電源で動作し、鉛フリーの小型28ピンQFN-EPパッケージ(5mm x 5mm)で提供されます。

アプリケーション

  • IMT2000携帯電話
  • TD-SCDMA携帯電話
  • UMTS携帯電話
  • WCDMAバンドII (PCS)携帯電話
  • WCDMA TDD携帯電話

MAX2392
W-CDMA/W-TDD/TD-SCDMAゼロIFレシーバ
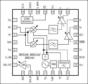
MAX2390、MAX2391、MAX2392、MAX2393:ピン配置
myAnalogに追加

myAnalogの製品セクション(通知受け取り)、既存/新規プロジェクトに製品を追加する。

新規プロジェクトを作成
質問する
サポート

アナログ・デバイセズのサポート・ページはアナログ・デバイセズへのあらゆるご質問にお答えするワンストップ・ポータルです。


ドキュメント

さらに詳しく
myAnalogに追加

myAnalogのリソース・セクション、既存/新規プロジェクトにメディアを追加する。

新規プロジェクトを作成

ソフトウェア・リソース

必要なソフトウェア/ドライバが見つかりませんか?

ドライバ/ソフトウェアをリクエスト

ハードウェア・エコシステム

製品モデル 製品ライフサイクル 詳細
変調器 & 復調器 1
MAX2395 製造中止 VGAおよびPAドライバ付きWCDMA準ダイレクト変調器
Modal heading
myAnalogに追加

myAnalogの製品セクション(通知受け取り)、既存/新規プロジェクトに製品を追加する。

新規プロジェクトを作成

最新のディスカッション

MAX2392に関するディスカッションはまだありません。意見を投稿しますか?

EngineerZone®でディスカッションを始める

最近表示した製品