LTC7063

新規設計に推奨

フローティング・グラウンドと調整可能なデッド・タイムを備えた150Vハーフブリッジ・ドライバ

利用上の注意

本データシートの英語以外の言語への翻訳はユーザの便宜のために提供されるものであり、リビジョンが古い場合があります。最新の内容については、必ず最新の英語版をご参照ください。

なお、日本語版のデータシートは基本的に「Rev.0」(リビジョン0)で作成されています。そのため、英語版が後に改訂され、複数製品のデータシートがひとつに統一された場合、同じ「Rev.0」の日本語版のデータシートが異なる製品のデータシートとして表示されることがあります。たとえば、「ADM3307E」の場合、日本語データシートをクリックすると「ADM3311E」が表示されます。これは、英語版のデータシートが複数の製品で共有できるように1本化され、「ADM3307E/ADM3310E/ADM3311E/ADM3312E/ADM3315E」(Rev.J)と改訂されたからで、決して誤ってリンクが張られているわけではありません。和文化されたデータシートを少しでも有効に活用していただくためにこのような方法をとっておりますので、ご了解ください。

アナログ・デバイセズ社は、提供する情報が正確で信頼できるものであることを期していますが、その情報の利用に関して、あるいはその利用によって生じる第三者の特許やその他の権利の侵害に関して一切の責任を負いません。また、アナログ・デバイセズ社の特許または特許の権利の使用を明示的または暗示的に許諾するものでもありません。仕様は予告なしに変更する場合があります。本紙記載の商標および登録商標は、各社の所有に属します。

Viewing:

製品情報

  • 独自のシンメトリックなフローティング・ゲート・ドライバ・アーキテクチャ
  • 高ノイズ耐性により、入出力グラウンド間で±10Vのグラウンド差に対応可能
  • IC電源電圧VCCから独立した140Vの最大入力電圧
  • 6V~14V VCCの動作電圧
  • 4V~14Vのゲート・ドライバ電圧
  • 0.8Ωのプルダウン、1.5Ωのプルアップによる高速ターンオン/オフ
  • 適応型シュートスルー保護
  • プログラマブルなデッド・タイム
  • イネーブル・ピンが付いたスリーステートPWM入力
  • VCC UVLO/OVLOおよびフローティング電源UVLO
  • デュアルNチャンネルMOSFETを駆動
  • オープンドレイン故障インジケータ
  • 熱強化型12ピンMSOPを採用
  • オートモーティブ・アプリケーション向けのAEC-Q100認証を取得

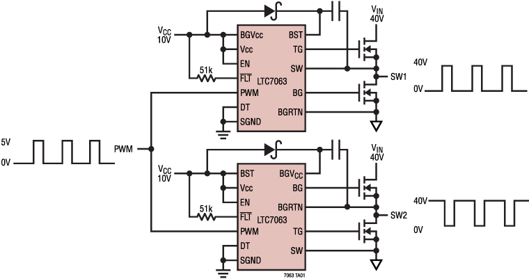
LTC7063は、最大140Vの電源を備えたハーフブリッジ設定で2つのNチャンネルMOSFETを駆動します。ハイサイド・ドライバとローサイド・ドライバが、それぞれ異なるグラウンド・リファレンスを使用してMOSFETを駆動できるため、優れたノイズ耐性と過渡耐性を備えています。

強力な0.8Ωのプルダウンおよび1.5ΩのプルアップMOSFETドライバにより、ゲート容量の大きい高電圧MOSFETを駆動できます。UVLO、スリーステートPWM入力、調整可能なターンオン/オフ遅延、シュートスルー保護などの機能が追加されています。

この製品ファミリの類似ドライバについては、次の表を参照してください。

パラメータ LTC7060 LTC7061 LTC7062 LTC7063
入力信号 スリーステートPWM CMOS/TTLロジック CMOS/TTLロジック スリーステートPWM
シュートスルー保護 ×
絶対最大電圧 115V 115V 115V 150V
VCC立下がりUVLO 5.3V 4.3V 4.3V 5.3V

アプリケーション

  • オートモーティブ用および工業用電源システム
  • 電気通信用電源システム
  • ハーフブリッジおよびフルブリッジのコンバータ

LTC7063
フローティング・グラウンドと調整可能なデッド・タイムを備えた150Vハーフブリッジ・ドライバ
LTC7063 Application Circuit LTC7063 Pin Configuration
myAnalogに追加

myAnalogの製品セクション(通知受け取り)、既存/新規プロジェクトに製品を追加する。

新規プロジェクトを作成
質問する
サポート

アナログ・デバイセズのサポート・ページはアナログ・デバイセズへのあらゆるご質問にお答えするワンストップ・ポータルです。


ドキュメント

さらに詳しく
myAnalogに追加

myAnalogのリソース・セクション、既存/新規プロジェクトにメディアを追加する。

新規プロジェクトを作成

ソフトウェア・リソース

必要なソフトウェア/ドライバが見つかりませんか?

ドライバ/ソフトウェアをリクエスト

ツールおよびシミュレーション

LTspice


下記製品はLTspiceで使用することが出来ます。:

  • LTC7063
LTspice

LTspice®は、無料で提供される強力で高速な回路シミュレータと回路図入力、波形ビューワに改善を加え、アナログ回路のシミュレーションを容易にするためのモデルを搭載しています。

 


評価用キット

eval board
EVAL-LTC7063

フローティング・グラウンドと調整可能なデッド・タイムを備えた150Vハーフブリッジ・ドライバ

製品詳細

EVAL-LTC7063-AZ評価用回路は、2個のNチャンネルMOSFETを駆動するハーフブリッジ・ドライバです。PWM入力制御は5Vロジックと互換性があり、両方のゲート出力を制御して、一方の出力が他方の出力を補うようにします。この評価用キットには未実装のPCBパッドがいくつかあり、アプリケーションに合わせてボードをカスタマイズできるようになっています。

LTC7063ドライバは強力な0.8Ωプルダウンと1.5ΩプルアップのMOSFETドライバを備えており、2個の150V NチャンネルMOSFETを駆動します。LTC7063のゲート・ドライバは、それぞれ異なるグラウンド・リファレンスでMOSFETを駆動できます。ただし、この評価用キットではこれらのグラウンド・リファレンスはコミット済みです。

EVAL-LTC7063
フローティング・グラウンドと調整可能なデッド・タイムを備えた150Vハーフブリッジ・ドライバ
EVAL-LTC7063-AZ Evaluation Board EVAL-LTC7063-AZ Evaluation Board - Top View EVAL-LTC7063-AZ Evaluation Board - Bottom View

最新のディスカッション

LTC7063に関するディスカッションはまだありません。意見を投稿しますか?

EngineerZone®でディスカッションを始める

最近表示した製品