Weigh Scale Solutions
Weigh Scale Solutions
As one of the world’s oldest measurement tools, scales require accuracy. From lab-grade force restoration to ubiquitous strain-gauge type scales, the diversity of weighing applications and ranges all require high stability and fast settling capabilities. Analog Devices offers a suite of tools and leading precision measurement platforms to simplify your designs.
Value and Benefits
We offer the widest range of high stability components for weigh scale and load cell measurement applications. Whether you are designing for the lowest power, highest precision, or smallest form factor, we have the integrated components and applications expertise to help you accurately interface with a wide range of load cells. Look to the industry pioneers of precision voltage references to achieve superior temperature stability and lowest short- and long-term drift.
Ensures high stability and fast settling
Reduces calibration intervals with superior long-term drift
Simplifies design with leading precision platforms and tools
Reference Designs
CN0216
Precision Weigh Scale Design Using the AD7791 24-Bit Sigma-Delta ADC with External ADA4528-1 Zero-Drift Amplifiers
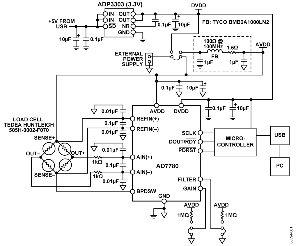
CN0107
Weigh Scale Design Using the AD7780 24-Bit Sigma-Delta ADC with Internal PGA
CN0108
Weigh Scale Design Using the AD7781 20-Bit Sigma-Delta ADC with Internal PGA
CN0102
Precision Weigh Scale Design Using the AD7190 24-Bit Sigma-Delta ADC with Internal PGA
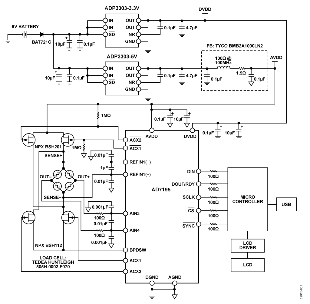
CN0155
Precision Weigh Scale Design Using a 24-Bit Sigma-Delta ADC with Internal PGA and AC Excitation
Evaluation Boards
Key Resources
Rarely Asked Questions
Solution Bulletins & Product Selection Guides
-
PDF
Silent Switcher Technology
1.74 M
-
PDF
Precision Products and Signal Chain Solutions: Selection Guide 2019
13.38 M
Design Tools
LTpowerCAD® and LTpowerPlanner®
Files and Downloads
Application Note
AN-1387: Practical Design Considerations in Applying the ADA4177 Family of Input Overvoltage Protection Operational Amplifiers
172.94 K
AN-601: Minimizing Power Consumption of iMEMS® Accelerometers
546.61 K
Tutorial
MT-040: Op Amp Input Impedance
45 kB
MT-074: Differential Drivers for Precision ADCs
249 kB
MT-066: In-Amp Bridge Circuit Error Budget Analysis
35 kB
MT-061: Instrumentation Amplifier (In-Amp) Basics
125 kB
MT-016: Basic DAC Architectures III: Segmented DACs
79 kB
{{modalTitle}}
{{modalDescription}}
{{dropdownTitle}}
- {{defaultSelectedText}} {{#each projectNames}}
- {{name}} {{/each}} {{#if newProjectText}}
-
{{newProjectText}}
{{/if}}
{{newProjectTitle}}
{{projectNameErrorText}}