RH1959

PRODUCTION

Radiation Hardened 4.5A, 500kHz Step-Down Switching Regulator

Viewing:

Overview

  • MIL-PRF-38535 Class V Compatible Dice*
  • Operates with Input as Low as 4V
  • Output Voltages Down to 1.21V
  • Constant 500kHz Switching Frequency
  • Synchronizable to 1MHz
  • Internal Slope Compensation
  • Cycle-by-Cycle Current Limiting
  • Integrated 4.5A Switch
  • Current Mode Control

Radiation Performance*

  • Total Ionizing Dose (TID) Tolerance, per TM1019.8, MIL-STD-883:
    • 100kRad (Si), per condition A at 50Rads(Si)/sec
    • 50kRad (Si), per condition D at 10mRads(Si)/sec
    • ELDRS Pass 50kRad(Si)
  • Displacement Damage Defect (DDD) up to 1E12 Neutrons/cm2
  • Single Event Performance up to an LET of at least 80 MeVcm2/mg

* Radiation and Qualification completed on the packaging vendor’s assembled unit.

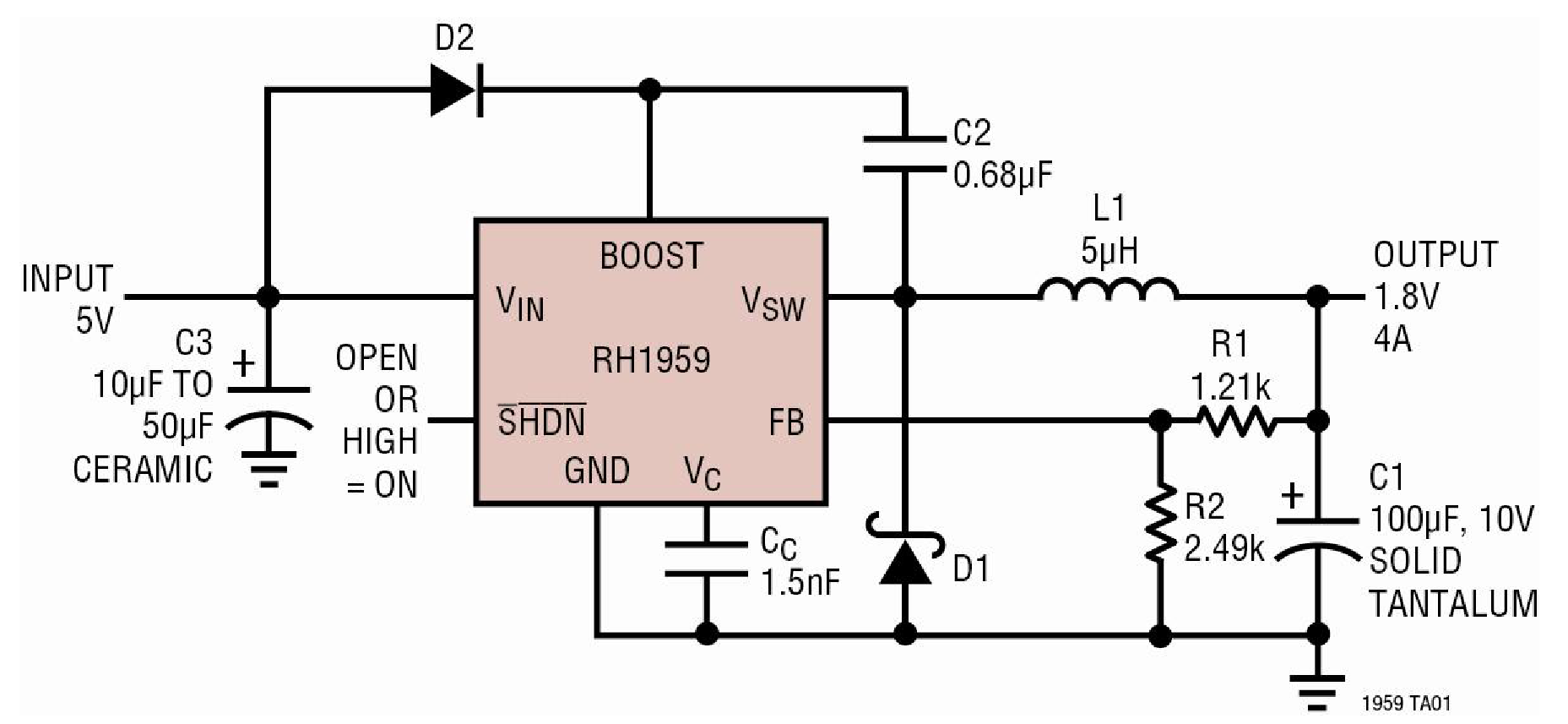
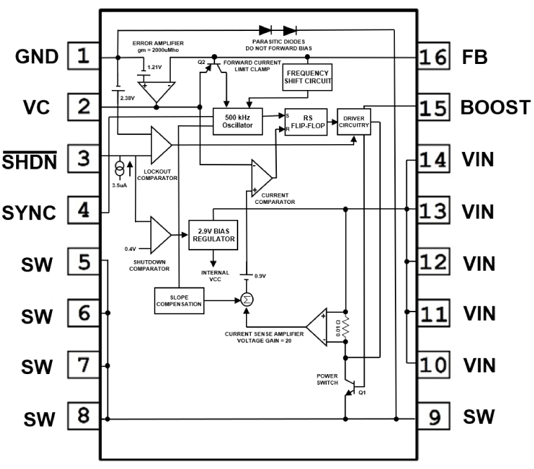
The RH1959 is a 500kHz monolithic buck mode switching regulator with a 4.5A integrated switch that will operate down to 1.21V. High switching frequency allows a considerable reduction in the size of external components. The topology is current mode for fast transient response and good loop stability.

A special high speed bipolar process and new design techniques achieve high efficiency at high switching frequency. Efficiency is maintained over a wide output current range by keeping quiescent supply current near 3.3mA and by utilizing a supply boost capacitor to saturate the power switch.

Full cycle-by-cycle short-circuit protection and thermal shutdown are provided. Standard surface mount external parts are used, including the inductor and capacitors. Optional shutdown and synchronization functions are available. Implementing shutdown reduces supply current to 30μA. Synchronization allows an external logic level signal to increase the internal oscillator from 580kHz to 1MHz.

Applications

  • POL Regulator Applications
  • Satellite System Power Supply
  • Microprocessor, FPGA Power Source
  • High Efficiency Low Voltage Subsystem Power Supply

RH1959
Radiation Hardened 4.5A, 500kHz Step-Down Switching Regulator
 rh1959 FBL
Add to myAnalog

Add product to the Products section of myAnalog (to receive notifications), to an existing project or to a new project.

Create New Project
Ask a Question

Documentation

Learn More
Add to myAnalog

Add media to the Resources section of myAnalog, to an existing project or to a new project.

Create New Project

Software Resources

Can't find the software or driver you need?

Request a Driver/Software

Latest Discussions

No discussions on RH1959 yet. Have something to say?

Start a Discussion on EngineerZone®

Recently Viewed