OP27

NOT RECOMMENDED FOR NEW DESIGNS

Low Noise, Precision Operational Amplifier

Viewing:

Overview

  • Low noise: 80 nV p-p (0.1 Hz to 10 Hz), 3 nV/√Hz
  • Low drift: 0.2 µV/°C
  • High speed: 2.8 V/µs slew rate, 8 MHz gain bandwidth
  • Low VOS: 10 µV
  • CMRR: 126 dB at VCM of
    ±11 V
  • High open-loop gain: 1.8 Million
  • Available in Die Form

The OP27 precision operational amplifier combines the low offset and drift of the OP07 with both high speed and low noise. Offsets down to 25 μV and maximum drift of 0.6 μV/°C make the OP27 ideal for precision instrumentation applications. Low noise, en = 3.5 nV/√Hz, at 10 Hz, a low 1/f noise corner frequency of 2.7 Hz, and high gain (1.8 million), allow accurate high-gain amplification of low-level signals. A gain bandwidth product of 8 MHz and a 2.8 V/μs slew rate provide excellent dynamic accuracy in high speed, data-acquisition systems.

A low input bias current of ±10 nA is achieved by use of a bias current cancellation circuit. Over the military temperature range, this circuit typically holds IB and IOS to ±20 nA and 15 nA, respectively.

The output stage has good load driving capability. A guaranteed swing of ±10 V into 600 Ω and low output distortion make the OP27 an excellent choice for professional audio applications.

PSRR and CMRR exceed 120 dB. These characteristics, coupled with long-term drift of 0.2 μV/month, allow the circuit designer to achieve performance levels previously attained only by discrete designs.

Low cost, high volume production of OP27 is achieved by using an on-chip Zener zap-trimming network. This reliable and stable offset trimming scheme has proven its effectiveness over many years of production history.

The OP27 provides excellent performance in low noise, high accuracy amplification of low level signals. Applications include stable integrators, precision summing amplifiers, precision voltage threshold detectors, comparators, and professional audio circuits such as tape heads and microphone preamplifiers.

OP27
Low Noise, Precision Operational Amplifier
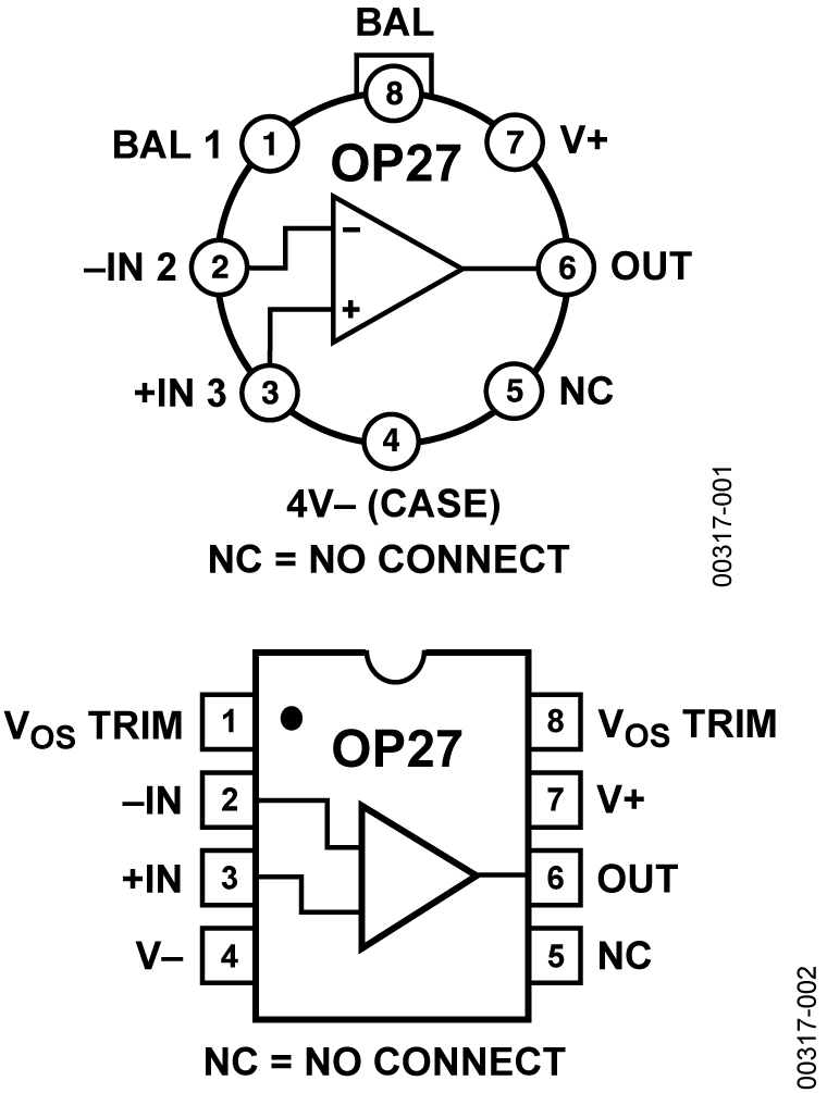
OP27 Pin Configuration OP27 Pin Configuration
Add to myAnalog

Add product to the Products section of myAnalog (to receive notifications), to an existing project or to a new project.

Create New Project
Ask a Question

Documentation

Learn More
Add to myAnalog

Add media to the Resources section of myAnalog, to an existing project or to a new project.

Create New Project

Software Resources

Can't find the software or driver you need?

Request a Driver/Software

Hardware Ecosystem

Parts Product Life Cycle Description
AD8671 PRODUCTION Precision Low Noise, Low Input Bias Current, Single Op Amp
AD8675 PRODUCTION 36 V Precision, 2.8 nV/√Hz Rail-to-Rail Output Op Amp
ADA4004-1 PRODUCTION 1.8 nV/√Hz, 36 V, Precision Single Op Amp
Modal heading
Add to myAnalog

Add product to the Products section of myAnalog (to receive notifications), to an existing project or to a new project.

Create New Project

Tools & Simulations

LTspice


Models for the following parts are available in LTspice:

  • OP27

Analog Photodiode Wizard

Use Photodiode Wizard to design a transimpedance amplifier circuit to interface with a photodiode. Select a photodiode from the library included in the tool, or enter custom photodiode specifications. Quickly observe tradeoffs between Bandwidth, Peaking (Q), and ENOB/SNR. Modify circuit parameters, and immediately see results in plots for pulse response, frequency response, and noise gain.

Open Tool

Analog Filter Wizard

Use the Analog Filter Wizard to design low-pass, high-pass, or band-pass filters with actual op amps in minutes. As you progress through the design process, you can observe the characteristics of your filter design from ideal specifications to real world circuit behavior. Quickly evaluate the tradeoffs in op amp specifications - including gain-bandwidth, noise, and supply current – to determine the best filter design for your requirements.

Open Tool

Signal Chain Designer

Signal Chain Designer is a web-based tool designed to create and simulate complex precision signal chains. See your circuit’s performance before you commit to your PCB: transfer function, noise, power consumption, input range, and DC error. Quickly experiment with different parts and architectures. Signal chains can be exported to LTspice for further analysis.

Open Tool

ADI Circuit Explorer™

ADI Circuit Explorer™ uses AI to interpret natural language prompts and search a database of validated analog circuit designs, helping you quickly find the best match for your needs.

Open Tool

OP27 SPICE Macro Models 7

LTspice

LTspice® is a powerful, fast and free simulation software, schematic capture and waveform viewer with enhancements and models for improving the simulation of analog circuits.


Evaluation Kits

EVAL-OPAMP-1

EVAL-OPAMP-1 Evaluation Board

Product Details

The Universal Precision Op Amp Evaluation Boards have been designed and optimized for many circuit configurations allowing the users to best suit their applications. These boards are all RoHs Compliant. See references below on what board to order by lead count and package.

  • EVAL-PRAOPAMP-1KSZ (Single 5-Lead SC70) KS-5
  • EVAL-PRAOPAMP-1RJZ (Single 5-Lead SOT 23) RJ-5
  • EVAL-PRAOPAMP-1RMZ (Single 8-Lead MSOP) RM-8
  • EVAL-PRAOPAMP-1RZ (Single 8-Lead SOIC) R-8

EVAL-OPAMP-1
EVAL-OPAMP-1 Evaluation Board

Latest Discussions

Recently Viewed