MAX32655

RECOMMENDED FOR NEW DESIGNS

Low-Power, Arm Cortex-M4 Processor with FPU-Based Microcontroller and Bluetooth 5.2

Integrates SIMO Power Regulation, Latest Generation Bluetooth LE 5, RISC-V Coprocessor

Viewing:

Overview

  • Ultra-Low-Power Wireless Microcontroller
    • Internal 100MHz Oscillator
    • Flexible Low-Power Modes with 7.3728MHz System Clock Option
    • 512KB Flash and 128KB SRAM
      • Optional ECC on One 32KB SRAM Bank
    • 16KB Instruction Cache 
  • Bluetooth 5.2 LE Radio
    • Dedicated, Ultra-Low-Power, 32-Bit RISC-V Coprocessor to Offload Timing-Critical Bluetooth Processing
    • Fully Open-Source Bluetooth 5.2 Stack Available
    • Supports Medical Body Area Network (MBAN)
    • High-Throughput (2Mbps) Mode
    • Long-Range (125kbps and 500kbps) Modes
    • Rx Sensitivity: −97dBm; Tx Power: +5.5dBm
    • Single-Ended Antenna Connection (50Ω)
  • Power Management Maximizes Battery Life
    • 2.0V to 3.6V Supply Voltage Range
    • Integrated SIMO Power Regulator
    • 12.9μA/MHz Active Current at 3.0V
    • 1.53μA at 3.0V Retention Current for 32KB
    • Selectable SRAM Retention + RTC in Low-Power Modes
  • Multiple Peripherals for System Control
    • Up to Two High-Speed SPI Controller/Target
    • Up to Three I2C Controller/Target
    • Up to Four UARTs
    • Up to One I2S Controller/Target
    • Up to 8-Input, 10-Bit Sigma-Delta ADC 7.8ksps
    • Up to Four Micro-Power Comparators
    • Timers: Four 32-Bit, Two Low Power, One Watchdog, One Low-Power Watchdog
    • 1-Wire® Controller
    • Up to Four Pulse Train (PWM) Engines
    • RTC with Wake-Up Timer
    • Up to 52 GPIOs
  • Security and Integrity
    • Optional Secure Boot
    • TRNG Seed Generator
    • AES 128/192/256 Hardware Acceleration Engine

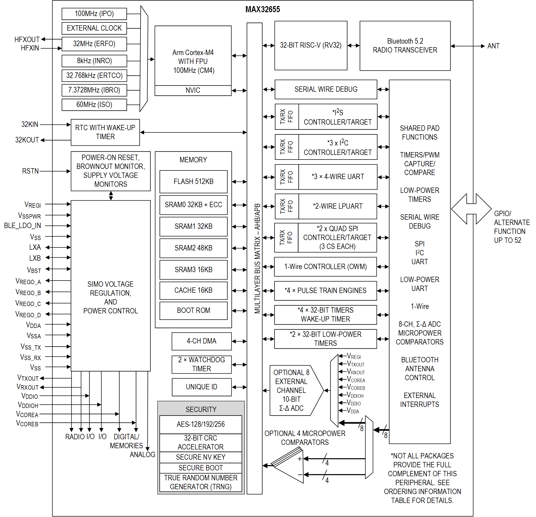
The MAX32655 microcontroller (MCU) is an advanced system-on-chip (SoC) featuring an Arm® Cortex®-M4F CPU for efficient computation of complex functions and algorithms that is qualified to operate at a temperature range of -40°C to +105°C. The SoC integrates power regulation and management with a single inductor multiple-output (SIMO) buck regulator system. The latest generation Bluetooth® 5.2 Low Energy (LE) radio is on board, supporting long-range (coded) and high-throughput modes and medical body area network (MBAN).

The device offers large onboard memory with 512KB flash and 128KB SRAM, with optional error correction coding (ECC) on one 32KB SRAM bank. This 32KB bank can be optionally retained in BACKUP mode. An 8KB user OTP area is available.

The MAX32655 supports multiple high-speed peripherals, such as I2C, 50MHz SPI, and UART, plus one I2S port for connecting to an audio codec. An eight-input, 10-bit ADC is available to monitor analog input from external analog sources. In addition, a low-power UART (LPUART) is available for operation in the lowest power sleep modes to facilitate wake-up activity without any data loss. A total of six timers with I/O capability are provided, including two low-power timers to enable pulse counting, capture/compare, and pulse-width modulation (PWM) generation, even in the lowest power sleep modes.

The MAX32655 is available in two different packages:

  • 81 CTBGA package (8mm × 8mm, 0.8mm pitch).
  • 51 WLP (3.09mm × 3.09mm, 0.35mm pitch)

Applications

  • Asset Tracking
  • Fitness/Health and Medical Wearables
  • Hearables
  • Industrial Sensors
  • Wireless Computer Peripherals and I/O Devices

MAX32655
Low-Power, Arm Cortex-M4 Processor with FPU-Based Microcontroller and Bluetooth 5.2
MAX32655 Simplified Block Diagram MAX32655 Pin Configuration MAX32655 Pin Configuration
Add to myAnalog

Add product to the Products section of myAnalog (to receive notifications), to an existing project or to a new project.

Create New Project
Ask a Question

Documentation

Learn More
Add to myAnalog

Add media to the Resources section of myAnalog, to an existing project or to a new project.

Create New Project

Software Resources


Tools & Simulations


Evaluation Kits

eval board
MAX32655EVKIT

Evaluation Kit for the MAX32655

Features and Benefits

  • External Bluetooth Antenna with SMA Interface
  • Stereo Audio Codec with Line-In and Line-Out 3.5mm Jacks
  • Digital Microphone
  • 320 x 240 Color TFT Resistive Touch Display with an SPI Interface
  • 128Mb Quad SPI Flash
  • USB 2.0 Micro-B to Serial UARTs
  • UART0 and LPUART Interface Selectable through On-Board Jumpers
  • All GPIOs Signals Accessed through 0.1in Headers
  • Access to the Eight Analog Inputs through 0.1in Headers
  • 10-Pin SWD and RV JTAG Connectors
  • Board Power Provided by USB Port
  • On-Board 1.8V and 3.3V LDO Regulators
  • MAX32655 Can be Solely Sourced by the Coin Cell Battery
  • Individual Power Measurement on All IC Rails through Jumpers
  • Two General-Purpose LEDs and Two General- Purpose Pushbutton Switches

Product Details

The MAX32655 evaluation kit (EV kit) provides a platform for evaluation capabilities of the MAX32655 microcontroller, which is an advanced system-on-chip (SoC). It features an Arm® Cortex®-M4F CPU for efficient computation of complex functions and algorithms, integrated power management (SIMO), and the newest generation Bluetooth® 5.0 Low Energy (Bluetooth LE), long-range radio for wearable and hearable device applications.

Applications

  • Asset Tracking
  • Fitness/Health and Medical Wearables
  • Hearables
  • Industrial Sensors
  • Wireless Computer Peripherals and I/O Devices

eval board
AD-ACEVSECRDSET-SL

Type 2 EVSE 3.6 kW Charging Cable

Features and Benefits

  • Complete reference design for Type 2 EVSE Cordset (IC-CPD)
  • Power level from 2.3 kW up to 3.6 kW
  • Designed to comply with the applicable standards - IEC61851, IEC62752
  • Incorporates a 6 mA DC/30 mA rms RCD and a control pilot circuit
  • Stuck relay detection and relay state of health
  • Overtemperature detection
  • Integrated isolation
  • Reduced component count for cost optimization
  • Bluetooth 5.2 interface for connectivity to external devices
  • Open-source software stack to enable custom firmware development

Product Details

The AD-ACEVSECRDSET-SL is a complete Type 2 EVSE 3.6 kW charging cable solution, providing a reference design intended for evaluation and prototyping of electric vehicle (EV) charging systems.

The system includes a 3-channel isolated sigma-delta (Σ-Δ) ADC for voltage and current measurement on the single-phase power input and measurement of the relay voltage for solder contacts detection and relay state of health. Safe operation is enabled by the inclusion of a 6 mA DC / 30 mA rms RCD. Detection of overvoltage, undervoltage, overcurrent, overtemperature and EV diode presence is also available.

A MAX32655 low-power, ARM® Cortex®-M4 Microcontroller implements the logic for system control and communication with the EV over the control pilot interface. A programming and debugging interface are included. The MAX32655 Bluetooth 5.2 interface enables connectivity to external devices.

The design is accompanied by an open-source software stack and reference applications, enabling custom software development to start from a proven implementation validated to meet the applicable standards. An external programmer such as the MAX32625PICO MAXDAP Programming Adapter, or any other similar programmer supporting the SWD interface, is required to enable firmware programming and debug.

The system is designed to comply with the IEC61851 and IEC62752 standards.

APPLICATIONS

  • EV charging

MAX32655FTHR

Evaluation Kit for the MAX32655

Features and Benefits

  • MAX32655 Microcontroller
    • Arm Cortex-M4F, 100MHz
    • 32-Bit RISC-V Coprocessor to Offload Timing-Critical Bluetooth Processing
    • 512KB Flash Memory
    • 128KB SRAM
    • 16KB Cache
    • Bluetooth 5.2 LE Radio
    • MAX20303 Wearable PMIC with Fuel Gauge
    • Charge from USB
    • On-Board DAPLink Debug and Programming Interface for Arm Cortex-M4F
    • Breadboard Compatible Headers
    • Micro USB Connector
    • Micro SD Card Connector
  • Integrated Peripherals
    • RGB Indicator LED
    • User Pushbutton
    • Low-Power Stereo Audio CODEC
    • Digital Microphone
    • SWD Debugger
    • Virtual UART Console

Product Details

The MAX32655FTHR is a rapid development platform to help engineers quickly implement ultra low-power wireless solutions using MAX32655 Arm© Cortex®-M4F and Bluetooth® 5.2 Low Energy (LE). The board also includes the MAX20303 PMIC for battery and power management. The form factor is a small 0.9in x 2.6in dual-row header footprint that is compatible with Adafruit Feather Wing peripheral expansion boards. The board includes a variety of peripherals, such as a digital microphone, low power stereo audio CODEC, 128MB QSPI Flash, micro SD card connector, RGB indicator LED, and pushbutton. The MAX32655FTHR provides a power-optimized flexible platform for quick proof-of-concepts and early software development to enhance time to market.

Applications

  • Asset Tracking
  • Fitness/Health and Medical Wearables
  • Hearables
  • Industrial Sensors
  • Wireless Computer Peripherals and I/O Devices

MAX32655EVKIT
Evaluation Kit for the MAX32655
MAX32655EVKIT: Board Photo
AD-ACEVSECRDSET-SL
Type 2 EVSE 3.6 kW Charging Cable
AD-ACEVSECRDSET-SL Functional Block Diagram AD-ACEVSECRDSET-SL AD-ACEVSECRDSET-SL Top View AD-ACEVSECRDSET-SL Bottom View
MAX32655FTHR
Evaluation Kit for the MAX32655

Reference Designs

MAXREFDES1302
MAXREFDES1302 Circuits from the lab

Analog Devices 1-Wire True Wireless Stereo (TWS) Cradle and Earbuds

Features and Benefits

Features

  • Integrated solution
  • Small size
  • Low power
  • High accuracy
  • Low cost
MAXREFDES1302
Analog Devices 1-Wire True Wireless Stereo (TWS) Cradle and Earbuds
MAXREFDES1302

Latest Discussions

Recently Viewed