LTM4602

PRODUCTION

6A High Efficiency DC/DC µModule (Power Module)

Viewing:

Overview

  • Complete Switch Mode Power Supply
  • Wide Input Voltage Range: 4.5V to 20V
  • 6A DC, 8A Peak Output Current
  • 0.6V to 5V Output Voltage
  • 1.5% Output Voltage Regulation
  • Ultrafast Transient Response
  • Current Mode Control
  • Pb-Free (e4) RoHS Compliant Package with Gold- Pad Finish
  • Pin Compatible with the LTM4600
  • Up to 92% Efficiency
  • Programmable Soft-Start
  • Output Overvoltage Protection
  • Optional Short-Circuit Shutdown Timer
  • See the LTM4602HV for Operation Up to 28VIN
  • Small Footprint, Low Profile (15mm × 15mm × 2.8mm) Surface Mount LGA Package

The LTM4602 is a complete 6A DC/DC step down power supply. Included in the package are the switching controller, power FETs, inductor, and all support components. Operating over an input voltage range of 4.5V to 20V, the LTM4602 supports an output voltage range of 0.6V to 5V, set by a single resistor. This high efficiency design delivers 6A continuous current (8A peak), needing no heat sinks or airflow to meet power specifications. Only bulk input and output capacitors are needed to finish the design.

The low profile package (2.8mm) enables utilization of unused space on the bottom of PC boards for high density point of load regulation. High switching frequency and an adaptive on-time current mode architecture enables a very fast transient response to line and load changes without sacrificing stability. Fault protection features include integrated overvoltage and short circuit protection with a defeatable shutdown timer. A built-in soft-start timer is adjustable with a small capacitor.

The LTM4602 is packaged in a thermally enhanced, compact (15mm × 15mm) and low profile (2.8mm) over-molded Land Grid Array (LGA) package suitable for automated assembly by standard surface mount equipment. For the 4.5V to 28V input range version, refer to the LTM4602HV.

Applications

  • Telecom and Networking Equipment
  • Servers
  • Industrial Equipment
  • Point of Load Regulation

LTM4602
6A High Efficiency DC/DC µModule (Power Module)
6A μModuleTM Power Supply with 4.5V to 20V Input Efficiency vs Load Current  with 12VIN (FCB = 0) Product Package 1
Add to myAnalog

Add product to the Products section of myAnalog (to receive notifications), to an existing project or to a new project.

Create New Project
Ask a Question

Documentation

Data Sheet

This is the most up-to-date revision of the Data Sheet.

Learn More
Add to myAnalog

Add media to the Resources section of myAnalog, to an existing project or to a new project.

Create New Project

Software Resources

Can't find the software or driver you need?

Request a Driver/Software

Hardware Ecosystem

Parts Product Life Cycle Description
Analog to Digital Converters (ADCs) 1
LTC2991 RECOMMENDED FOR NEW DESIGNS Octal I2C Voltage, Current, and Temperature Monitor
Circuit Monitors 1
LTC2960 RECOMMENDED FOR NEW DESIGNS 36V Nano-Current Two-Input Voltage Monitor
Power System Management (PSM) & Sequencers 1
LTC2974 RECOMMENDED FOR NEW DESIGNS 4-Channel PMBus Power System Manager Featuring Accurate Output Current Measurement
Protection Switches & Controllers 1
LTC4364 RECOMMENDED FOR NEW DESIGNS Surge Stopper with Ideal Diode
Modal heading
Add to myAnalog

Add product to the Products section of myAnalog (to receive notifications), to an existing project or to a new project.

Create New Project

Tools & Simulations

LTspice 1


Models for the following parts are available in LTspice:

  • LTM4602
  • LTM4602HV
LTspice

LTspice® is a powerful, fast and free simulation software, schematic capture and waveform viewer with enhancements and models for improving the simulation of analog circuits.


Evaluation Kits

eval board
DC1084A-A

LTM4602EV Demo Board | Step-Down μModule® Regulator, 5V ≤ VIN ≤ 20V, VOUT = 0.6V/1.2V/1.5V/1.8V/2.5V/3.3V/5V @ 6A

Product Details

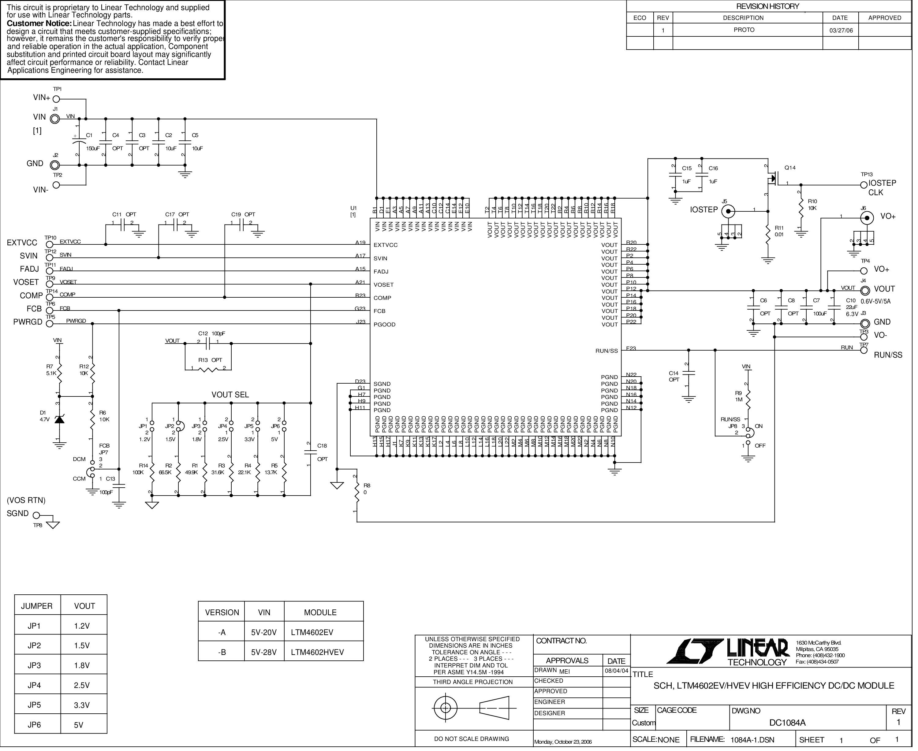
Demonstration circuit DC1084A-A features the LTM4602, the high efficiency, high density step-down μModule® regulator. The input voltage range is from 5V to 20V. The output voltage is jumper programmable from 0.6V to 5V; refer to the step-down ratio curve in the LTM4602 data sheet. The rated load current is 6A, but derating is necessary for certain VIN, VOUT and thermal conditions.

DC1084A-A
LTM4602EV Demo Board | Step-Down μModule® Regulator, 5V ≤ VIN ≤ 20V, VOUT = 0.6V/1.2V/1.5V/1.8V/2.5V/3.3V/5V @ 6A
DC1084A-A Demo Board DC1084A-A Demo Board DC1084A-A Demo Board DC1084A-A Demo Board DC1084A-A - Schematic

Latest Discussions

Recently Viewed