Overview
Product Details
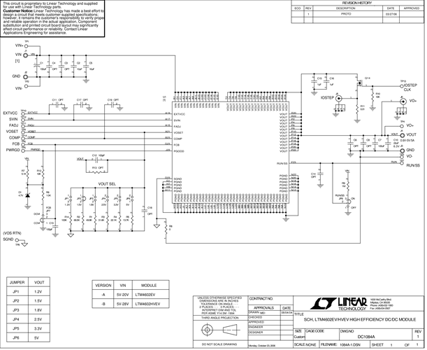
Demonstration circuit DC1084A-A features the LTM4602, the high efficiency, high density step-down μModule® regulator. The input voltage range is from 5V to 20V. The output voltage is jumper programmable from 0.6V to 5V; refer to the step-down ratio curve in the LTM4602 data sheet. The rated load current is 6A, but derating is necessary for certain VIN, VOUT and thermal conditions.
Applicable Parts
Documentation & Resources
-
DC1084A-A - Schematic6/26/2014PDF40K
-
DC1084A-A - Demo Manual9/12/2011PDF1M
-
DC1084A-A - Design Files6/26/2014ZIP907K




