Power Management
                                            
 
                                            
                            
                            
                            - Battery Management
- Charge Pumps
- Circuit Monitors
- Fan Speed & TEC Controllers
- Hot Swap Controllers
- Lamp & Tube Drivers
- LED Drivers
- Linear Regulators
- MOSFET & Gate Drivers
- PMIC
- PoE Controllers
- Power System Managers & Sequencers
- Protection Switches & Controllers
- Supervisors & Resets
- Switching Regulators & Controllers
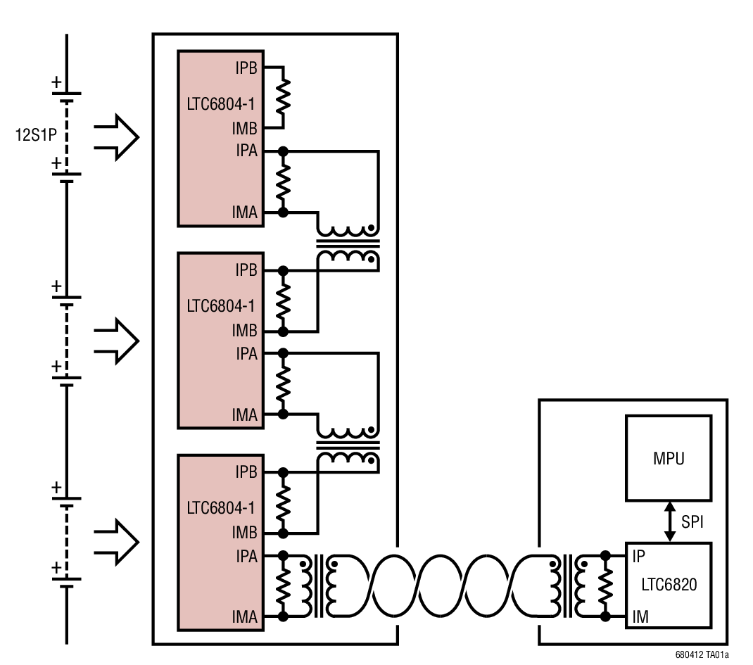
LTC6804-1
                            
             
                             
                                                                     
                                                                     
                                 
                                                 
                                                 
                                                 
                                                 
                                 
                                                 
                                                 
                                                