LTC3882-1
LTC3882-2

RECOMMENDED FOR NEW DESIGNS

Dual Output PolyPhase Step-Down DC/DC Voltage Mode Controller with Digital Power System Management

Viewing:

Overview

  • PMBus/I2C Compliant Serial Interface
    • Monitor Voltage, Current, Temperature and Faults
    • Program Voltage, Soft-Start/Stop, Sequencing, Margining, AVP and UV/OV/OC Limits
  • 3V ≤ VINSNS ≤ 38V, 0.5V ≤ VOUT ≤ 5.25V
  • ±0.5% Output Voltage Error
  • Programmable PWM Frequency or External Clock Synchronization from 250kHz to 1.25MHz (2.5MHz-2)
  • Accurate PolyPhase® Current Sharing
  • Internal EEPROM with Fault Logging and ECC
  • IC Supply Range: 3V to 13.2V
  • Resistor or Inductor DCR Current Sensing
  • Power Good Output Voltage Monitor
  • Optional Resistor Programming for Key Parameters
  • 40-Pin (6mm × 6mm) QFN Package
  • AEC-Q100 Qualified for Automotive Applications

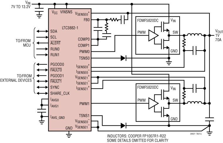
The LTC3882-1/LTC3882-2 is a dual, PolyPhase DC/DC synchronous step-down switching regulator controller with PMBus compliant serial interface. It uses a constant frequency, leading-edge modulation, voltage mode architecture for excellent transient response and output regulation. Each PWM channel can produce output voltages from 0.1V to 5.25V using a wide range of 3.3V compatible power stages, including power blocks, DrMOS or discrete FET drivers. Up to four LTC3882-1 devices can operate in parallel for 2-, 3-, 4-, 6- or 8-phase operation.

System configuration and monitoring is supported by the LTpowerPlay software tool. The LTC3882-1/LTC3882-2 serial interface can read back input voltage, output voltage and current, temperature and fault status. Most operating parameters can be set via the digital interface or stored in internal EEPROM for use at power up. Switching frequency and phase, output voltage and device address can also be set using external configuration resistors.

PWM Enable Output TG/BG Control HW Write Protect Dedicated PGOOD Differential VOUT Sense Max PWM Frequency
LTC3882 Yes Yes Yes No VOUT0 Only 1.25MHz
LTC3882-1 No No No Yes VOUT0 & VOUT1 1.25MHz
LTC3882-2 No No No Yes VOUT0 & VOUT1 2.5MHz

Note: Analog Devices, Inc., does not recommend using the following PWM frequencies in new designs: 600kHz, 750kHz, 900kHz, and 1MHz.

Applications

  • High Current Distributed Power Systems
  • Servers, Network and Storage Equipment
  • Intelligent Energy Efficient Power Regulation

LTC3882-1
LTC3882-2
Dual Output PolyPhase Step-Down DC/DC Voltage Mode Controller with Digital Power System Management
LTC3882-1/LTC3882-2 Application Circuit LTC3882-1/LTC3882-2 Performance Graph LTC3882-1/LTC3882-2 Pin Configuration
Add to myAnalog

Add product to the Products section of myAnalog (to receive notifications), to an existing project or to a new project.

Create New Project
Ask a Question

Documentation

Learn More
Add to myAnalog

Add media to the Resources section of myAnalog, to an existing project or to a new project.

Create New Project

Software Resources

Can't find the software or driver you need?

Request a Driver/Software

Hardware Ecosystem

Parts Product Life Cycle Description
Power System Management (PSM) & Sequencers 1
LTC2975 RECOMMENDED FOR NEW DESIGNS 4-Channel PMBus Power System Manager Featuring Accurate Input Current and Energy Measurement
Modal heading
Add to myAnalog

Add product to the Products section of myAnalog (to receive notifications), to an existing project or to a new project.

Create New Project

Tools & Simulations

LTspice


Models for the following parts are available in LTspice:

  • LTC3882
  • LTC3882-1
  • LTC3882-2

LTpowerCAD

Design tools for the following parts are available in LTpowerCAD:

  • LTC3882
  • LTC3882-1

LTpowerPlay®

LTpowerPlay® is a powerful, Windows-based development environment supporting Linear Technology's Digital Power System Management (PSM) products.

Open Tool

IBIS Model 1

LTspice

LTspice® is a powerful, fast and free simulation software, schematic capture and waveform viewer with enhancements and models for improving the simulation of analog circuits.


Evaluation Kits

eval board
DC2252A-B

LTC3882EUJ-1 Demo Board | Programming Clamshell Socketed Demo Board

Product Details

Demonstration circuit 2252A-B is a lab tool to program and verify the EEPROM inside the LTC3882-1 IC. The DC2252A-B is shipped with a LTC3882-1 placed in the clamshell style programming socket. The EEPROM contains the factory default configuration. The LTpowerPlay .proj file that corresponds to the factory default can be found in the GUI.

eval board
DC2312A-B

LTC3882EUJ-1 Demo Board | Voltage Mode PMBus Buck, 7V ≤ VIN ≤ 14V; 0.5V ≤ VOUT ≤ 2V @ Up to 70A

Product Details

Demonstration circuit 2312A is a high current, high efficiency, dual phase synchronous buck converter featuring the LTC3882EUJ-1, a dual output voltage mode controller with the additional features of differential VOUT sense and dedicated PGOOD output on both channels, compared to LTC3882. The LTC3882-1 has the PMBus interface and power system management functions.



eval board
DC2312A-A

LTC3882EUJ-1 Demo Board | Dual Voltage Mode PMBus Buck, 7V ≤ VIN ≤ 14V; VOUT0/VOUT1 = 0.5V to 2V @ Up to 35A

Product Details

Demonstration circuit 2312A is a high current, high efficiency, dual phase synchronous buck converter featuring the LTC3882EUJ-1, a dual output voltage mode controller with the additional features of differential VOUT sense and dedicated PGOOD output on both channels, compared to LTC3882. The LTC3882-1 has the PMBus interface and power system management functions.



DC2252A-B
LTC3882EUJ-1 Demo Board | Programming Clamshell Socketed Demo Board
DC2252A-B - Demo Board Image DC2252A - Schematic
DC2312A-B
LTC3882EUJ-1 Demo Board | Voltage Mode PMBus Buck, 7V ≤ VIN ≤ 14V; 0.5V ≤ VOUT ≤ 2V @ Up to 70A
DC2312A-A DC2312A-ATOP-web DC2312A-A DC2312A - Schematic
DC2312A-A
LTC3882EUJ-1 Demo Board | Dual Voltage Mode PMBus Buck, 7V ≤ VIN ≤ 14V; VOUT0/VOUT1 = 0.5V to 2V @ Up to 35A
DC2312A-A DC2312A-ATOP-web DC2312A-A DC2312A - Schematic

Latest Discussions

No discussions on LTC3882-1 yet. Have something to say?

Start a Discussion on EngineerZone®

Recently Viewed