LTC2656

PRODUCTION

Octal 16-/12-Bit Rail-to-Rail DACs with 10ppm/°C Max Reference

Viewing:

Overview

  • Precision 10ppm/°C Max Reference
  • Maximum INL Error: ±4LSB at 16 Bits
  • Guaranteed Monotonic over Temperature
  • Selectable Internal or External Reference
  • 2.7V to 5.5V Supply Range (LTC2656-L)
  • Integrated Reference Buffers
  • Ultralow Crosstalk Between DACs(<1nV•s)
  • Power-On-Reset to Zero-Scale/Mid-scale
  • Asynchronous LDAC Update Pin
  • Tiny 20-Lead 4mm × 5mm QFN and 20-Lead Thermally Enhanced TSSOP Packages

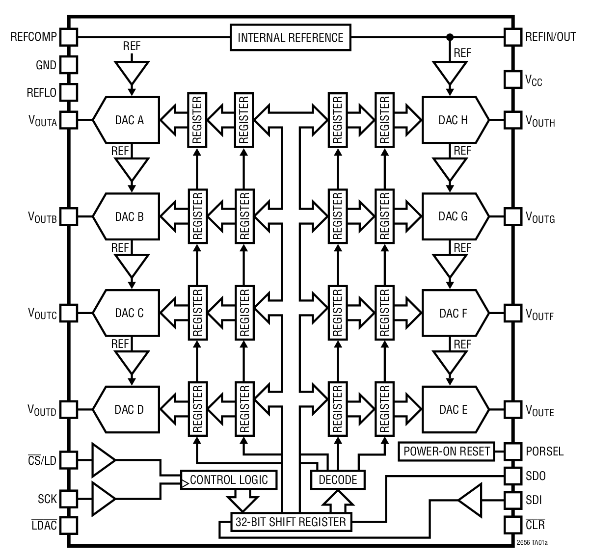
The LTC2656 is a family of octal 16-/12-bit rail-to-rail DACs with a precision integrated reference. The DACs have built-in high performance, rail-to-rail, output buffers and are guaranteed monotonic.The LTC2656-L has a full-scale output of 2.5V with the integrated 10ppm/°C reference and operates from a single 2.7V to 5.5V supply. The LTC2656-H has a full-scale output of 4.096V with the integrated reference and operates from a 4.5V to 5.5V supply. Each DAC can also operate with an external reference, which sets the DAC full-scale output to two times the external reference voltage.

These DACs communicate via a SPI/MICROWIRE compatible 4-wire serial interface which operates at clock rates up to 50MHz. The LTC2656 incorporates a power-on reset circuit that is controlled by the PORSEL pin. If PORSEL is tied to GND the DACs reset to zero-scale. If PORSEL is tied to VCC, the DACs reset to mid-scale.

Applications

  • Mobile Communications
  • Process Control and Industrial Automation
  • Instrumentation
  • Automatic Test Equipment
  • Automotive

LTC2656
Octal 16-/12-Bit Rail-to-Rail DACs with 10ppm/°C Max Reference
INL vs Code Product Package 1 Product Package 2
Add to myAnalog

Add product to the Products section of myAnalog (to receive notifications), to an existing project or to a new project.

Create New Project
Ask a Question

Documentation

Data Sheet

This is the most up-to-date revision of the Data Sheet.

Learn More
Add to myAnalog

Add media to the Resources section of myAnalog, to an existing project or to a new project.

Create New Project

Software Resources

Can't find the software or driver you need?

Request a Driver/Software

Hardware Ecosystem

Parts Product Life Cycle Description
Digital to Analog Converters (DACs) 1
LTC2668 PRODUCTION 16-Channel 16-/12-Bit ±10V VOUT SoftSpan DACs with 10ppm/°C Max Reference
Interface Transceivers & Isolators 1
LTM2883 PRODUCTION SPI/Digital or I2C μModule Isolator with Adjustable ±12.5V and 5V Regulated Power
Modal heading
Add to myAnalog

Add product to the Products section of myAnalog (to receive notifications), to an existing project or to a new project.

Create New Project

Tools & Simulations


Evaluation Kits

eval board
DC1397B-A

LTC2656-L16 Demo Board | Octal SPI 16-Bit Voltage Output DAC with 1.25V Reference (requires DC2026)

Product Details

Demonstration circuit 1397B features the LTC2656 Octal 16-bit DAC with ±4LSB INL error. This device establishes a new board-density benchmark for 16-bit DACs and advances performance standards for output drive, crosstalk and load regulation in single supply, voltage-output multiple DACs.

eval board
DC1397B-B

LTC2656-H16 Demo Board | Octal SPI 16-bit Voltage Output DAC with 2.048V Reference (requires DC2026)

Product Details

Demonstration circuit 1397B features the LTC2656 Octal 16-bit DAC with ±4LSB INL error. This device establishes a new board-density benchmark for 16-bit DACs and advances performance standards for output drive, crosstalk and load regulation in single supply, voltage-output multiple DACs.


 


DC1397B-A
LTC2656-L16 Demo Board | Octal SPI 16-Bit Voltage Output DAC with 1.25V Reference (requires DC2026)
DC1397B - Schematic
DC1397B-B
LTC2656-H16 Demo Board | Octal SPI 16-bit Voltage Output DAC with 2.048V Reference (requires DC2026)
DC1397B-B Demo Board DC1397B-B Demo Board DC1397B-B Demo Board DC1397B-B Demo Board DC1397B - Schematic

Latest Discussions

Recently Viewed