LTC2668

PRODUCTION

16-Channel 16-/12-Bit ±10V VOUT SoftSpan DACs with 10ppm/°C Max Reference

Viewing:

Overview

  • Precision Reference 10ppm/°C Max
  • Independently Programmable Output Ranges: 0V to 5V, 0V to 10V, ±2.5V, ±5V, ±10V
  • Full 16-Bit/12-Bit Resolution at All Ranges
  • Maximum INL Error: ±4LSB at 16 Bits
  • A/B Toggle via Software or Dedicated Pin
  • 16:1 Analog Multiplexer
  • Guaranteed Monotonic Over Temperature
  • Internal or External Reference
  • Outputs Drive ±10mA Guaranteed
  • 1.8V to 5V SPI Serial interface
  • 6mm × 6mm 40-Lead QFN Package

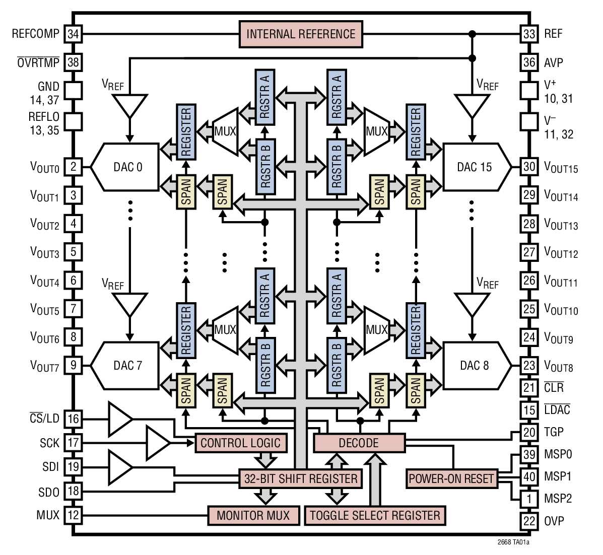
The LTC2668 is a family of 16-channel, 16-/12-bit ±10V digital-to-analog converters with integrated precision references. They are guaranteed monotonic and have built-in rail-to-rail output buffers. These SoftSpan DACs offer five output ranges up to ±10V. The range of each channel is independently programmable, or the part can be hardware-configured for operation in a fixed range.

The integrated 2.5V reference is buffered separately to each channel; an external reference can be used for additional range options. The LTC2668 also includes A/B toggle capability via a dedicated pin or software toggle command.

The SPI/Microwire-compatible 3-wire serial interface operates on logic levels as low as 1.71V at clock rates up to 50MHz.

Applications

  • Optical Networking
  • Instrumentation
  • Data Acquisition
  • Automatic Test Equipment
  • Process Control and Industrial Automation

LTC2668
16-Channel 16-/12-Bit ±10V VOUT SoftSpan DACs with 10ppm/°C Max Reference
Integral Nonlinearity (LTC2668-16) Product Package 1
Add to myAnalog

Add product to the Products section of myAnalog (to receive notifications), to an existing project or to a new project.

Create New Project
Ask a Question

Documentation

Learn More
Add to myAnalog

Add media to the Resources section of myAnalog, to an existing project or to a new project.

Create New Project

Software Resources

Can't find the software or driver you need?

Request a Driver/Software

Hardware Ecosystem

Parts Product Life Cycle Description
Analog to Digital Converters (ADCs) 1
LTC2348-18 PRODUCTION Octal, 18-Bit, 200ksps Differential ±10.24V Input SoftSpan ADC with Wide Input Common Mode Range
Interface Transceivers & Isolators 1
LTM2883 PRODUCTION SPI/Digital or I2C μModule Isolator with Adjustable ±12.5V and 5V Regulated Power
Modal heading
Add to myAnalog

Add product to the Products section of myAnalog (to receive notifications), to an existing project or to a new project.

Create New Project

Tools & Simulations

LTspice

LTspice® is a powerful, fast and free simulation software, schematic capture and waveform viewer with enhancements and models for improving the simulation of analog circuits.


Evaluation Kits

eval board
DC2025A-A

LTC2668-16 Demoboard | 16-Channel 16-Bit ±10V VOUT SoftSpan DAC with 10ppm/°C Max Reference (requires  DC2026)

Product Details

Demonstration circuit 2025A features the LTC2668, 16-channel 16-Bit/12-Bit ±10V VOUT SoftSpan DACs with 10ppm/°C max reference in a 6mm × 6mm QFN package. This device features per-channel SoftSpan configuration with five output ranges: 0V to 5V, 0V to 10V, ±2.5V, ±5V, and ±10V. A toggle feature allows any or all DACs to switch between two programmed codes via a single SPI command or by the TGP input pin. The versatile SPI interface can operate on any logic level between 1.71V and 5.5V, for easy interface to lower voltage microcontrollers or FPGAs.


 

eval board
DC2025A-B

LTC2668-12 Demo Board | 16-Channel 12-Bit ±10V VOUT SoftSpan DAC with 10ppm/°C Max Reference (requires DC2026)

Product Details

Demonstration circuit 2025A features the LTC2668, 16-channel 16-Bit/12-Bit ±10V VOUT SoftSpan DACs with 10ppm/°C max reference in a 6mm × 6mm QFN package. This device features per-channel SoftSpan configuration with five output ranges: 0V to 5V, 0V to 10V, ±2.5V, ±5V, and ±10V. A toggle feature allows any or all DACs to switch between two programmed codes via a single SPI command or by the TGP input pin. The versatile SPI interface can operate on any logic level between 1.71V and 5.5V, for easy interface to lower voltage microcontrollers or FPGAs.


 

DC2025A-A
LTC2668-16 Demoboard | 16-Channel 16-Bit ±10V VOUT SoftSpan DAC with 10ppm/°C Max Reference (requires  DC2026)
DC2025A-A Demo Board DC2025A-A Demo Board DC2025A-A Demo Board DC2025A-A Demo Board DC2025A - Schematic
DC2025A-B
LTC2668-12 Demo Board | 16-Channel 12-Bit ±10V VOUT SoftSpan DAC with 10ppm/°C Max Reference (requires DC2026)
DC2025A-B Demo Board DC2025A-B Demo Board DC2025A-B Demo Board DC2025A-B Demo Board DC2025A - Schematic

Latest Discussions

Recently Viewed