LTC2337-18
PRODUCTION18-Bit, 500ksps, ±10.24V True Bipolar, Fully Differential Input ADC with 100dB SNR
- Part Models
- 6
- 1ku List Price
- Starting From $25.69
Overview
- 500ksps Throughput Rate
- ±4LSB INL (Max)
- Guaranteed 18-Bit No Missing Codes
- Fully Differential Inputs
- True Bipolar Input Ranges ±6.25V, ±10.24V, ±12.5V
- 100dB SNR (Typ) at fIN = 2kHz
- –115dB THD (Typ) at fIN = 2kHz
- Guaranteed Operation to 125°C
- Single 5V Supply
- Low Drift (20ppm/°C Max) 2.048V Internal Reference
- On-board Single-Shot Capable Reference Buffer
- No Pipeline Delay, No Cycle Latency
- 1.8V to 5V I/O Voltages
- SPI-Compatible Serial I/O with Daisy-Chain Mode
- Internal Conversion Clock
- Power Dissipation 35mW (Typ)
- 16-Lead MSOP Package
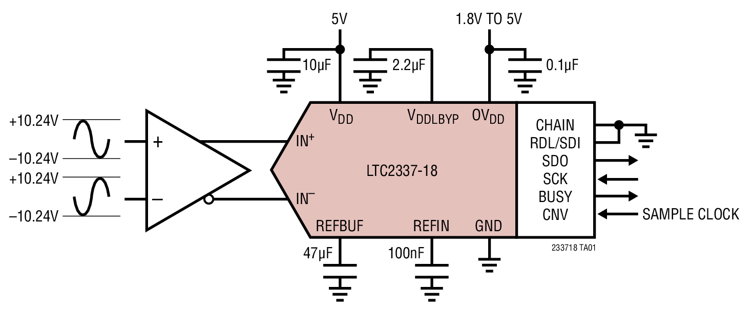
The LTC2337-18 is a low noise, high speed 18-bit successive approximation register (SAR) ADC with fully differential inputs. Operating from a single 5V supply, the LTC2337-18 has a ±10.24V true bipolar input range, making it ideal for high voltage applications which require a wide dynamic range. The LTC2337-18 achieves ±4LSB INL maximum, no missing codes at 18-bits with 100dB SNR.
The LTC2337-18 has an on-board single-shot capable reference buffer and low drift (20ppm/°C max) 2.048V temperature compensated reference. The LTC2337-18 also has a high speed SPI-compatible serial interface that supports 1.8V, 2.5V, 3.3V and 5V logic while also featuring a daisy-chain mode. The fast 500ksps throughput with no cycle latency makes the LTC2337-18 ideally suited for a wide variety of high speed applications. An internal oscillator sets the conversion time, easing external timing considerations. The LTC2337-18 dissipates only 35mW and automatically naps between conversions, leading to reduced power dissipation that scales with the sampling rate. A sleep mode is also provided to reduce the power consumption of the LTC2337-18 to 300μW for further power savings during inactive periods.
Applications
- Programmable Logic Controllers
- Industrial Process Control
- High Speed Data Acquisition
- Portable or Compact Instrumentation
- ATE
Documentation
Data Sheet 1
Reliability Data 1
User Guide 1
Product Selector Card 3
ADI has always placed the highest emphasis on delivering products that meet the maximum levels of quality and reliability. We achieve this by incorporating quality and reliability checks in every scope of product and process design, and in the manufacturing process as well. "Zero defects" for shipped products is always our goal. View our quality and reliability program and certifications for more information.
| Part Model | Pin/Package Drawing | Documentation | CAD Symbols, Footprints, and 3D Models |
|---|---|---|---|
| LTC2337CMS-18#PBF | 16-Lead MSOP | ||
| LTC2337CMS-18#TRPBF | 16-Lead MSOP | ||
| LTC2337HMS-18#PBF | 16-Lead MSOP | ||
| LTC2337HMS-18#TRPBF | 16-Lead MSOP | ||
| LTC2337IMS-18#PBF | 16-Lead MSOP | ||
| LTC2337IMS-18#TRPBF | 16-Lead MSOP |
| Part Models | Product Lifecycle | PCN |
|---|---|---|
|
Feb 4, 2020 - 20_0132 Laser Top Mark for 16-Lead MSOP Packages Assembled in ADPG and UTAC |
||
| LTC2337CMS-18#PBF | PRODUCTION | |
| LTC2337CMS-18#TRPBF | PRODUCTION | |
| LTC2337HMS-18#PBF | PRODUCTION | |
| LTC2337HMS-18#TRPBF | PRODUCTION | |
| LTC2337IMS-18#PBF | PRODUCTION | |
| LTC2337IMS-18#TRPBF | PRODUCTION | |
This is the most up-to-date revision of the Data Sheet.
Software Resources
Evaluation Software 3
DC1908A CPLD Source Code
PScope
The PScope System is a USB-based product demonstration and data acquisition system for use with high performance ADCs and signal chain receiver family. PScope allows users to evaluate the SNR, SFDR, THD, as well as other key parameters, quickly and easily.
LinearLab Tools
A collection of Matlab and Python programs that provide direct access to Linear Technology’s data converter evaluation boards.
Can't find the software or driver you need?
Hardware Ecosystem
| Parts | Product Life Cycle | Description |
|---|---|---|
| Digital Isolators 1 | ||
| LTM2883 | PRODUCTION | SPI/Digital or I2C μModule Isolator with Adjustable ±12.5V and 5V Regulated Power |
| Digital to Analog Converters (DACs) 1 | ||
| LTC2668 | PRODUCTION | 16-Channel 16-/12-Bit ±10V VOUT SoftSpan DACs with 10ppm/°C Max Reference |
| Interface Transceivers & Isolators 1 | ||
| LTM2893 | PRODUCTION | 100MHz Isolated ADC Serial Interface |
| Operational Amplifiers (Op Amps) 1 | ||
| LT1468 | PRODUCTION | 90MHz, 22V/us 16-Bit Accurate Operational Amplifier |
Tools & Simulations
Linduino 3
Linduino is Analog Devices’ Arduino compatible system for developing and distributing firmware libraries and example code for our integrated circuits. Each Linduino-supported product includes an example main program, defined in the LTSketchbook/Part Number folder and driver code, defined in the LTSketchbook/libraries folder.
Linduino code repository on GitHub and instructions on how to use the code.
Evaluation Kits
Latest Discussions
No discussions on LTC2337-18 yet. Have something to say?
Start a Discussion on EngineerZone®