LT1976
LT1976B

PRODUCTION

High Voltage 1.5A, 200kHz Step-Down Switching Regulator with 100µA Quiescent Current

Viewing:

Overview

  • Wide Input Range: 3.3V to 60V
  • 1.5A Peak Switch Current (LT1976)
  • 100µA Quiescent Current (LT1976)**
  • 1.6mA Quiescent Current (LT1976B)
  • Low Shutdown Current: IQ < 1µA
  • Power Good Flag with Programmable Threshold
  • Load Dump Protection to 60V
  • 200kHz Switching Frequency
  • Saturating Switch Design: 0.2Ω On-Resistance
  • Peak Switch Current Maintained Over Full Duty Cycle Range*
  • 1.25V Feedback Reference Voltage
  • Easily Synchronizable
  • Soft-Start Capability
  • Small 16-Pin Thermally Enhanced TSSOP Package

The LT1976/LT1976B are 200kHz monolithic step-down switching regulators that accept input voltages up to 60V. A high efficiency 1.5A, 0.2Ω switch is included on the die along with all the necessary oscillator, control and logic circuitry. Current mode topology is used for fast transient response and good loop stability.

Innovative design techniques along with a new high voltage process achieve high efficiency over a wide input range. Efficiency is maintained over a wide output current range by employing Burst Mode operation at low currents, utilizing the output to bias the internal circuitry, and by using a supply boost capacitor to fully saturate the power switch. The LT1976B does not shift into Burst Mode operation at low currents, eliminating low frequency output ripple at the expense of efficiency. Patented circuitry maintains peak switch current over the full duty cycle range.* Shutdown reduces input supply current to less than 1µA. External synchronization can be implemented by driving the SYNC pin with logic-level inputs. A single capacitor from the CSS pin to the output provides a controlled output voltage ramp (soft-start). The devices also have a power good flag with a programmable threshold and time-out and thermal shutdown protection.

The LT1976/LT1976B are available in a 16-pin TSSOP package with Exposed Pad leadframe for low thermal resistance.

Applications

  • High Voltage Power Conversion
  • 14V and 42V Automotive Systems
  • Industrial Power Systems
  • Distributed Power Systems
  • Battery-Powered Systems

LT1976
LT1976B
High Voltage 1.5A, 200kHz Step-Down Switching Regulator with 100µA Quiescent Current
14V to 3.3V Step-Down Converter with 100μA No Load Quiescent Current LT1976 Supply Current vs Input Voltage Product Package 1 LT1976 Efficiency and Power Loss vs Load Current
Add to myAnalog

Add product to the Products section of myAnalog (to receive notifications), to an existing project or to a new project.

Create New Project
Ask a Question

Documentation

Data Sheet

This is the most up-to-date revision of the Data Sheet.

Learn More
Add to myAnalog

Add media to the Resources section of myAnalog, to an existing project or to a new project.

Create New Project

Software Resources

Can't find the software or driver you need?

Request a Driver/Software

Hardware Ecosystem

Parts Product Life Cycle Description
Circuit Monitors 1
LTC2960 RECOMMENDED FOR NEW DESIGNS 36V Nano-Current Two-Input Voltage Monitor
Oscillators 2
LTC6909 PRODUCTION 1 to 8 Output, Multiphase Silicon Oscillator with Spread Spectrum Modulation
LTC6930-X.XX 32.768kHz to 8.192MHz Precision µPower Oscillators
Protection Switches & Controllers 1
LT4363 RECOMMENDED FOR NEW DESIGNS High Voltage Surge Stopper with Current Limit
Modal heading
Add to myAnalog

Add product to the Products section of myAnalog (to receive notifications), to an existing project or to a new project.

Create New Project

Tools & Simulations

LTspice 1


Models for the following parts are available in LTspice:

  • LT1976
  • LT1976B
LTspice

LTspice® is a powerful, fast and free simulation software, schematic capture and waveform viewer with enhancements and models for improving the simulation of analog circuits.


Evaluation Kits

eval board
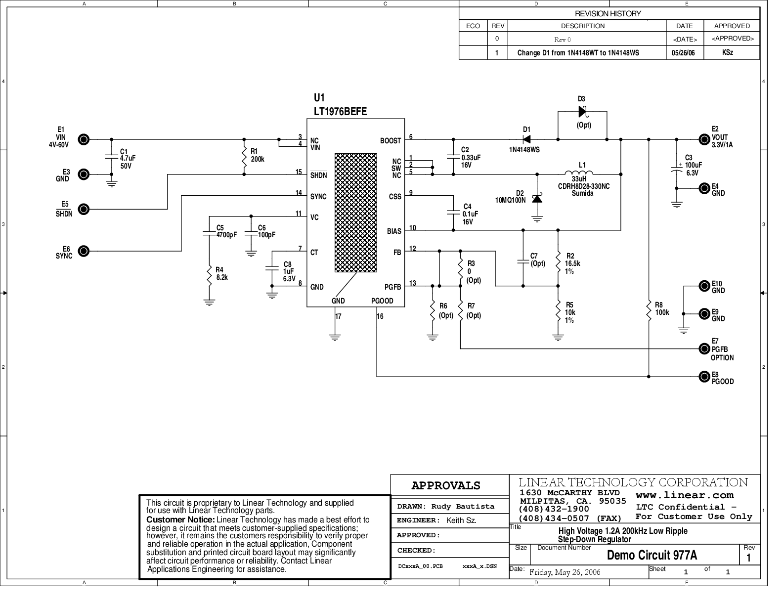
DC977A

LT1976BEFE Demo Board | 200kHz, Non-Burst Mode, 4V ≤ VIN ≤ 60V, 3.3VOUT @ 1A

Product Details

Demonstration circuit 977 is a monolithic step-down DC/DC switching converter featuring the LT1976B. The LT1976B is the non-burst mode version of the LT1976 IC. The LT1976B operates down to zero load without burst mode resulting in the lowest ripple output over the full load current range. The board is optimized for 3.3V output at up to 1A load current for an input voltage range of 4V to 60V. Minimum on-time restrictions and 3.3V output may limit the steady state maximum input voltage (above which pulse-skipping occurs) to 42V.

eval board
DC481A

LT1976IFE Demo Board | 200kHz, 4V ≤ VIN ≤ 60V, 3.3VOUT @ 1A

Product Details

Demonstration circuit 481 is a monolithic step-down DC/DC switching converter featuring the LT1976. The board is optimized for 3.3V output at up to 1A load current for an input voltage range of 4V to 60V. Minimum on-time restrictions and 3.3V output may limit the steady state maximum input voltage to 42V (up to 47V for some boards) before pulse skipping occurs.

DC977A
LT1976BEFE Demo Board | 200kHz, Non-Burst Mode, 4V ≤ VIN ≤ 60V, 3.3VOUT @ 1A
DC977A - Schematic
DC481A
LT1976IFE Demo Board | 200kHz, 4V ≤ VIN ≤ 60V, 3.3VOUT @ 1A
DC481A Demo Board DC481A Demo Board DC481A Demo Board DC481A Demo Board DC481A - Schematic

Latest Discussions

No discussions on LT1976 yet. Have something to say?

Start a Discussion on EngineerZone®

Recently Viewed