Overview
Product Details
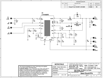
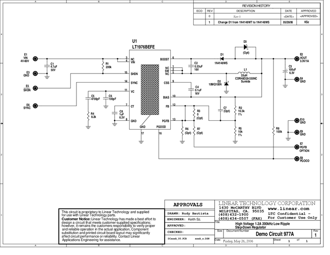
Demonstration circuit 977 is a monolithic step-down DC/DC switching converter featuring the LT1976B. The LT1976B is the non-burst mode version of the LT1976 IC. The LT1976B operates down to zero load without burst mode resulting in the lowest ripple output over the full load current range. The board is optimized for 3.3V output at up to 1A load current for an input voltage range of 4V to 60V. Minimum on-time restrictions and 3.3V output may limit the steady state maximum input voltage (above which pulse-skipping occurs) to 42V.
Applicable Parts
Documentation & Resources
-
DC977A - Schematic9/24/2009PDF55K
-
DC977A - Demo Manual9/24/2009PDF516K
-
DC977A - Design File9/24/2009ZIP531K
