Overview
Product Details
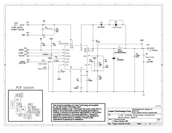
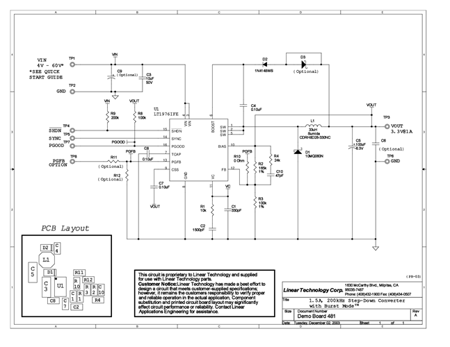
Demonstration circuit 481 is a monolithic step-down DC/DC switching converter featuring the LT1976. The board is optimized for 3.3V output at up to 1A load current for an input voltage range of 4V to 60V. Minimum on-time restrictions and 3.3V output may limit the steady state maximum input voltage to 42V (up to 47V for some boards) before pulse skipping occurs.
Applicable Parts
Documentation & Resources
-
DC481A - Schematic9/24/2009PDF90K
-
DC481A - Demo Manual9/24/2009PDF583K
-
DC481A - Design File9/24/2009ZIP515K




