HMC372

NOT RECOMMENDED FOR NEW DESIGNS

GaAs pHEMT MMIC Low Noise Amplifier, 700 - 1000 MHz

Viewing:

Overview

  • Noise Figure: < 1 dB
  • Output IP3: +34 dBm
  • Gain: 15 dB
  • Very Stable Gain vs. Supply & Temperature
  • Single Supply: +5V @ 100 mA
  • 50 Ohm Matched Output

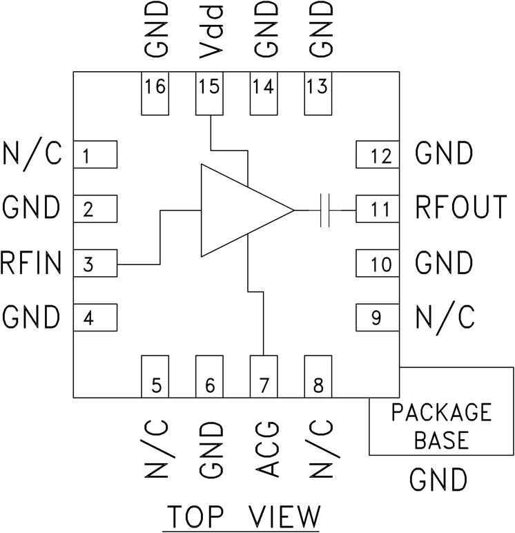
The HMC372LP3 & HMC372LP3E are GaAs pHEMT MMIC Low Noise Amplifiers that are ideal for GSM & CDMA cellular basestation front-end receivers operating between 700 and 1000 MHz. The amplifier has been optimized to provide 1 dB noise figure, 15 dB gain and +34 dBm output IP3 from a single supply of +5V @ 100 mA. Input and output return losses are 25 and 14 dB respectively with the LNA requiring only four external components to optimize the RF Input match, RF ground and DC bias. For applications which require improved noise figure, please see the HMC617LP3(E).

Applications

  • GSM, GPRS & EDGE
  • CDMA & W-CDMA
  • Private Land Mobile Radio

HMC372
GaAs pHEMT MMIC Low Noise Amplifier, 700 - 1000 MHz
hmc372lp3_fbl
Add to myAnalog

Add product to the Products section of myAnalog (to receive notifications), to an existing project or to a new project.

Create New Project
Ask a Question

Documentation

Learn More
Add to myAnalog

Add media to the Resources section of myAnalog, to an existing project or to a new project.

Create New Project

Software Resources

Can't find the software or driver you need?

Request a Driver/Software

Hardware Ecosystem

Parts Product Life Cycle Description
HMC1022A-Die RECOMMENDED FOR NEW DESIGNS GaAs, pHEMT, MMIC, 0.25 W Power Amplifier, DC to 48 GHz
Modal heading
Add to myAnalog

Add product to the Products section of myAnalog (to receive notifications), to an existing project or to a new project.

Create New Project

Tools & Simulations

ADIsimRF

ADIsimRF is an easy-to-use RF signal chain calculator. Cascaded gain, noise, distortion and power consumption can be calculated, plotted and exported for signal chains with up to 50 stages. ADIsimRF also includes an extensive data base of device models for ADI’s RF and mixed signal components.

Open Tool

S-Parameter 1

Sys-Parameter Models for Keysight Genesys

Sys-Parameter models contain behavioral parameters, such as P1dB, IP3, gain, noise figure and return loss, which describe nonlinear and linear characteristics of a device.

Open Tool

Evaluation Kits

EVAL-HMC372LP3
HMC372LP3 Evaluation Board.

Latest Discussions

Recently Viewed