HMC241

Obsolete

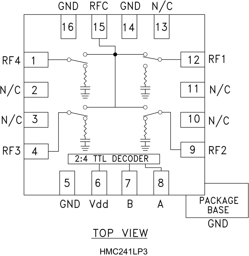
HMC241LP3 / HMC241QS16

SP4T Nonreflective Switch SMT, DC to 4 GHz

Viewing:

Overview

  • High isolation: 43 dB @ 2 GHz
  • Low insertion loss: 0.5 dB to 0.7 dB @ 2 GHz
  • Single positive supply:
    Vdd = 5 V
  • Integrated 2:4 TTL decoder 3 mm x 3 mm SMT package and 16-lead QSOP package
  • RoHS compliant product

The HMC241 is a general-purpose nonreflective SP4T switch in a low cost leadless surface-mount package and a 16-lead QSOP package. Covering DC to 4 GHz, this switch offers high isolation and has a low insertion loss of 0.5 dB to 0.7 dB at 2 GHz. The switch offers a single positive bias and true TTL/CMOS compatibility. A 2:4 decoder is integrated on the switch requiring only two control lines and a positive bias to select each path, replacing four to eight control lines normally required by GaAs SP4T switches.

Applications

  • Base stations, repeaters, and portable wireless
  • WLAN, WiMAX, and WiBro
  • CATV/DBS
  • Test equipment
  • Wireless local loop


Suggested Replacement Parts

HMC241A

HMC241
HMC241LP3 / HMC241QS16
SP4T Nonreflective Switch SMT, DC to 4 GHz
HMC241LP3_fbl HMC241QS16_fbl
Add to myAnalog

Add product to the Products section of myAnalog (to receive notifications), to an existing project or to a new project.

Create New Project
Ask a Question

Documentation

Learn More
Add to myAnalog

Add media to the Resources section of myAnalog, to an existing project or to a new project.

Create New Project

Software Resources

Can't find the software or driver you need?

Request a Driver/Software

Hardware Ecosystem

Parts Product Life Cycle Description
HMC241AQS16 GaAs MMIC SP4T Non-Reflective Switch, DC - 3.5 GHz
HMC241ALP3E GaAs, Nonreflective, SP4T Switch 100 MHz to 4 GHz
Modal heading
Add to myAnalog

Add product to the Products section of myAnalog (to receive notifications), to an existing project or to a new project.

Create New Project

Tools & Simulations


Evaluation Kits

EVAL-HMC241QS16
HMC241QS16 Evaluation Board
EVAL-HMC241LP3
HMC241LP3 Evaluation Board

Latest Discussions

Recently Viewed