HMC1197

LAST TIME BUY

Wideband Direct Quadrature Modulator w/ Fractional-N PLL & VCO, 100 - 4000 MHz

Viewing:

Overview

  • Very Low Noise Floor, -160 dBm/Hz
  • Excellent Carrier & Sideband Suppression
  • Very High Linearity, +30 dBm OIP3
  • High Output Power, +10.5 dBm Output P1dB
  • High Modulation Accuracy
  • Maximum Phase Detector Rate: 100 MHz
  • Low Phase Noise: -110 dBc/Hz in Band Typical
  • See datasheet for additional features

The HMC1197 is a low noise, high linearity Direct Quadrature Modulator with Fractional-N PLL&VCO RFIC which is ideal for digital modulation applications from 0.1 to 4.0 GHz including; Cellular/3G, LTE/WiMAX/4G, Broadband Wireless Access & ISM circuits housed in a compact 7x7 mm (LP7) SMT QFN package, the HMC1197 RFIC requires minimal external components & provides a low cost alternative to more complicated double upconversion architectures. The RF output port is single-ended and matched to 50 Ohms with no external components.

Auxiliary LO output (differential or single-ended), enables the HMC1197 to distribute identical frequency and phase signals to multiple destinations. Individual gain settings ensure optimal signal levels tailored to each output.

External VCO input allows the HMC1197 to lock external VCOs, and enables cascaded LO architectures for MIMO radio applications. Two separate Charge Pump (CP) outputs enable separate loop filters optimized for both integrated and external VCOs, and seamless switching between integrated or external VCOs during operation. Programmable RF output phase feature can further phase adjust and synchronize multiple HMC1197s enabling scalable MIMO and beam-forming radio architectures.

Integrated programmable Low Pass Filter (LPF) on the modulator LO input ensures no LO harmonic contribution to modulator sideband rejection performance. Sixteen programmable LPF bands enable true wideband operation, eliminating the need for external band specific harmonic filtering hardware.

Additional features include configurable LO output mute function. Exact Frequency Mode that enables the HMC1197 to generate fractional frequencies with 0 Hz frequency error and the ability to synchronously change frequencies without changing the phase of the output signal.

APPLICATIONS

  • Multiband/Multi-standard Cellular BTS Diversity Transmitters
  • Fixed Wireless or WLL
  • ISM Transceivers, 900 & 2400 MHz
  • GMSK, QPSK, QAM, SSB Modulators
  • Multiband Basestations & Repeaters

HMC1197
Wideband Direct Quadrature Modulator w/ Fractional-N PLL & VCO, 100 - 4000 MHz
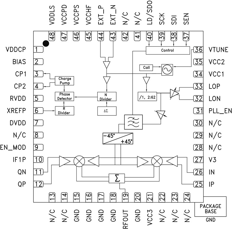
HMC1197 Functional Block Diagram
Add to myAnalog

Add product to the Products section of myAnalog (to receive notifications), to an existing project or to a new project.

Create New Project
Ask a Question

Documentation

Data Sheet 1

Data Sheet

This is the most up-to-date revision of the Data Sheet.

Learn More
Add to myAnalog

Add media to the Resources section of myAnalog, to an existing project or to a new project.

Create New Project

Software Resources

Can't find the software or driver you need?

Request a Driver/Software

Tools & Simulations

ADIsimRF

ADIsimRF is an easy-to-use RF signal chain calculator. Cascaded gain, noise, distortion and power consumption can be calculated, plotted and exported for signal chains with up to 50 stages. ADIsimRF also includes an extensive data base of device models for ADI’s RF and mixed signal components.

Open Tool

IBIS Model 1


Evaluation Kits

EVAL-HMC1197LP7F
HMC1197LP7F Evaluation Board

Latest Discussions

Recently Viewed