ADuM3190S

RECOMMENDED FOR NEW DESIGNS

Aerospace High Stability Isolated Error Amplifier

Viewing:

Overview

  • Stability in isolated feedback applications
    • 0.7% accuracy over the full temperature range
  • Reference voltage: 1.225 V
  • Compatible with DOSA
  • Low power operation: <7 mA total
  • Bandwidth: 400 kHz
  • Isolation voltage: 500 V rms
  • Wide voltage supply range
    • VDD1: 3 V to 20 V
    • VDD2: 3 V to 20 V
  • Wide temperature range −55°C to +125°C ambient operation
  • 150°C maximum junction temperature

The ADuM3190S is an isolated error amplifier based on Analog Devices, Inc., iCoupler® technology. The ADuM3190S is ideal for linear feedback power supplies. The primary side controllers of the ADuM3190S enable improvements in transient response, power density, and stability as compared to commonly used optocoupler and shunt regulator solutions.

Unlike optocoupler-based solutions, which have an uncertain current transfer ratio over lifetime and at high temperatures, the ADuM3190 transfer function does not change over its lifetime, and it is stable over a wide temperature range of −55°C to +125°C.

Included in the ADuM3190S is a wideband operational amplifier for a variety of commonly used power supply loop compensation techniques. The ADuM3190S is fast enough to allow a feedback loop to react to fast transient conditions and overcurrent conditions. Also included is a high accuracy 1.225 V reference to compare with the supply output setpoint.

The ADuM3190S is packaged in a small 16-lead flatpack package for a 500 V rms isolation voltage rating.

APPLICATIONS

  • Linear power supplies
  • Inverters
  • Uninterruptible Power Supply (UPS)
  • DOSA-compatible modules
  • Voltage monitors

ADuM3190S
Aerospace High Stability Isolated Error Amplifier
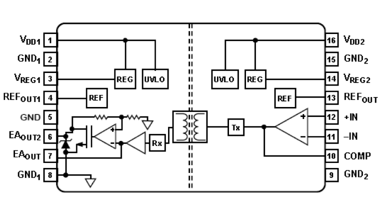
ADuM3190S Functional Block Diagram
Add to myAnalog

Add product to the Products section of myAnalog (to receive notifications), to an existing project or to a new project.

Create New Project
Ask a Question

Documentation

Learn More
Add to myAnalog

Add media to the Resources section of myAnalog, to an existing project or to a new project.

Create New Project

Software Resources

Can't find the software or driver you need?

Request a Driver/Software

Evaluation Kits

eval board
EVAL-ADuM3190S

ADuM3190S Evaluation Board

Product Details

The EVAL-ADuM3190S supports the ADuM3190S Space Grade isolated error amplifier based on Analog Devices, Inc. iCoupler® technology. The ADuM3190S is ideal for linear feedback power supplies with primary side controllers enabling improvements in transient response, power density and stability as compared to commonly used optocoupler and shunt regulator solutions. Included in the ADuM3190S is a wide band operational amplifier which can be used to set up a variety of commonly used power supply loop compensation techniques. The ADuM3190S is fast enough to allow a feedback loop to react to fast transient conditions and over current conditions. Also included is a high accuracy 1.225V reference to compare with the supply output set point.

EVAL-ADuM3190S
ADuM3190S Evaluation Board
ADuM3190S Evaluation Board

Latest Discussions

Recently Viewed