ADE7754

PRODUCTION

Poly Phase Multi-functional Metering IC With Serial Port

Viewing:

Overview

  • Exceeds IEC61036/60687
  • Less than 0.1% error in Active Energy over dynamic range of 1000:1
  • Active and Apparent Energy, Vrms and Irms measurements
  • High Frequency pulse output
  • Voltage SAG and Zero-crossing
  • Current and Voltage Peak
  • Reverse Active Power
  • Frequency/Period Measurement
  • On chip Temperature Sensor and Voltage Reference (2.4 V)
  • Low Power (50 mW typical)

The ADE7754 is the electricity industry's first digitally calibrated, multi-function energy measurement IC programmable for all types of 3-phase grid configurations. This single chip solution measures active and apparent energy and provides a serial port interface and a pulse output. The ADE7754 transducer interface uses three fully differential current inputs and three single-ended voltage inputs. The six ADC’s digitize the signals so that all signal processing is done in the digital domain for superior stability and accuracy. The ADE7754 includes reference circuitry, temperature sensor, and all the signal processing required to perform active and apparent energy measurement as well as RMS calculation on all current and voltage channels. Additional power quality measurements are included.

The ADE7754 surpasses the IEC61036/60687 accuracy requirements and provides an SPI interface for digital calibration and reading register data.

The ADE7754 is available in 24-lead SOIC package.

NOTE: If your application requires the measurement of reactive energy and information per phase, the ADE7758 is recommended.

ADE7754
Poly Phase Multi-functional Metering IC With Serial Port
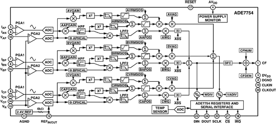
ADE7754 Functional Block Diagram
Add to myAnalog

Add product to the Products section of myAnalog (to receive notifications), to an existing project or to a new project.

Create New Project
Ask a Question

Documentation

Data Sheet 1

Application Note 3

Technical Articles 10

Association & Standard 17

Frequently Asked Question 1

Learn More
Add to myAnalog

Add media to the Resources section of myAnalog, to an existing project or to a new project.

Create New Project

Software Resources


Hardware Ecosystem

Parts Product Life Cycle Description
ADE9078 PRODUCTION High Performance Polyphase Energy Measurement IC
ADE9000 PRODUCTION High Performance, Multiphase Energy, and Power Quality Measurement IC
Modal heading
Add to myAnalog

Add product to the Products section of myAnalog (to receive notifications), to an existing project or to a new project.

Create New Project

Evaluation Kits

EVAL-ADE7754

ADE7754 Evaluation Board

Product Details

This documentation describes the ADE7754 evaluation kit Hardware and Software functionality. The evaluation board (watt-hour meter) is configured via the parallel port of a PC. The data interface     between the evaluation board and the PC is fully isolated. Windows™ based software is provided with the evaluation board which allows it to be quickly configured as an energy meter.


The ADE7754/ADE7758 evaluation board and this documentation, together with the ADE7754 data sheet, provide a complete evaluation platform for the ADE7754. The ADE7754 evaluation board can be configured by setting jumpers.


The evaluation board has been designed so that the ADE7754 can be evaluated in the end application, i.e., Watt-Hour Meter. Using the appropriate transducers on the current channel (e.g., CT) the evaluation board can be connected to a test bench or high voltage (240 V rms) test circuit. On-board resistor dividers networks provide the attenuation for the line voltages. This application note also describes how the current transducers should be connected for the best performance. The evaluation board requires two external 5 V power supplies (one is required for isolation purposes) and the appropriate current transducers.

EVAL-ADE7754
ADE7754 Evaluation Board

Latest Discussions

Recently Viewed