High Speed Converters

New developments in high speed converters can improve performance in your wideband design while simplifying RF signal path.

Learn More

AD9694

RECOMMENDED FOR NEW DESIGNS

Quad 14-Bit, 500 MSPS, 1.2 V/2.5 V Analog-to-Digital Converter

Viewing:

Overview

  • JESD204B (Subclass 1) coded serial digital outputs
    • Lane rates up to 15 Gbps
  • 1.66 W total power at 500 MSPS
    • 415 mW per analog-to-digital converter (ADC) channel
  • SFDR = 82 dBFS at 305 MHz (1.80 V p-p input range)
  • SNR = 66.8 dBFS at 305 MHz (1.80 V p-p input range)
  • Noise density = −151.5 dBFS/Hz (1.80 V p-p input range)
  • 0.975 V, 1.8 V, and 2.5 V dc supply operation
  • No missing codes
  • Internal ADC voltage reference
  • Analog input buffer
  • On-chip dithering to improve small signal linearity
  • Flexible differential input range
    • 1.44 V p-p to 2.16 V p-p (1.80 V p-p nominal)
  • 1.4 GHz analog input full power bandwidth
  • Amplitude detect bits for efficient AGC implementation
  • 4 integrated wideband digital processors
    • 48-bit NCO, up to 4 cascaded half-band filters
  • Differential clock input
  • Integer clock divide by 1, 2, 4, or 8
  • On-chip temperature diode
  • Flexible JESD204B lane configurations

    AD9694-EP supports defense and aerospace applications (AQEC standard)

    • Download AD9694-EP Data Sheet (pdf)
    • Military temperature range (−55°C to +105°C)
    • Controlled manufacturing baseline
    • 1 assembly/test site
    • 1 fabrication site
    • Product change notification
    • Qualification data available on request
    • V62/23611

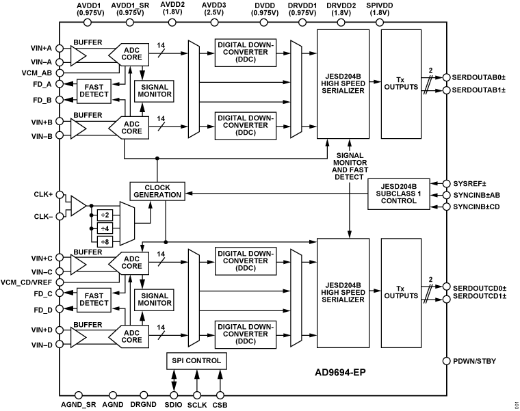
The AD9694 is a quad, 14-bit, 500 MSPS analog-to-digital converter (ADC). The device has an on-chip buffer and a sample-and-hold circuit designed for low power, small size, and ease of use. This device is designed for sampling wide bandwidth analog signals of up to 1.4 GHz. The AD9694 is optimized for wide input bandwidth, high sampling rate, excellent linearity, and low power in a small package.

The quad ADC cores feature a multistage, differential pipelined architecture with integrated output error correction logic. Each ADC features wide bandwidth inputs supporting a variety of user-selectable input ranges. An integrated voltage reference eases design considerations.

The analog inputs and clock signals are differential inputs. Each pair of ADC data outputs is internally connected to two DDCs through a crossbar mux. Each DDC consists of up to five cascaded signal processing stages: a 48-bit frequency translator, NCO, and up to four half-band decimation filters.

In addition to the DDC blocks, the AD9694 has several functions that simplify the automatic gain control (AGC) function in the communications receiver. The programmable threshold detector allows monitoring of the incoming signal power using the fast detect output bits of the ADC. If the input signal level exceeds the programmable threshold, the fast detect indicator goes high. Because this threshold indicator has low latency, the user can quickly turn down the system gain to avoid an overrange condition at the ADC input.

Users can configure each pair of intermediate frequency (IF) receiver outputs onto either one or two lanes of Subclass 1 JESD204B-based high speed serialized outputs, depending on the decimation ratio and the acceptable lane rate of the receiving logic device. Multiple device synchronization is supported through the SYSREF±, SYNCINB±AB, and SYNCINB±CD input pins.

The AD9694 has flexible power-down options that allow significant power savings when desired. All of these features can be pro-grammed using the 1.8 V capable, 3-wire SPI.

The AD9694 is available in a Pb-free, 72-lead LFCSP and is specified over the −40°C to +105°C junction temperature range.

PRODUCT HIGHLIGHTS

  1. Low power consumption per channel.
  2. JESD204B lane rate support up to 15 Gbps.
  3. Wide full power bandwidth supports IF sampling of signals up to 1.4 GHz.
  4. Buffered inputs ease filter design and implementation.
  5. Four integrated wideband decimation filters and numerically controlled oscillator (NCO) blocks supporting multiband receivers.
  6. Flexible serial port interface (SPI) controls various product features and functions to meet specific system requirements.
  7. Programmable fast overrange detection.
  8. On-chip temperature diode for system thermal management.

APPLICATIONS

  • Communications
  • Diversity multiband, multimode digital receivers 3G/4G, W-CDMA, GSM, LTE, LTE-A
  • General-purpose software radios
  • Ultrawideband satellite receivers
  • Instrumentation
  • Radars
  • Signals intelligence (SIGINT)

AD9694
Quad 14-Bit, 500 MSPS, 1.2 V/2.5 V Analog-to-Digital Converter
AD9694 Functional Block Diagram AD9694 Pin Configuration  AD9694-EP Functional Block Diagram AD9694-EP Pin Configuration
Add to myAnalog

Add product to the Products section of myAnalog (to receive notifications), to an existing project or to a new project.

Create New Project
Ask a Question

Documentation

Learn More
Add to myAnalog

Add media to the Resources section of myAnalog, to an existing project or to a new project.

Create New Project

Software Resources


Hardware Ecosystem

Parts Product Life Cycle Description
Clock ICs 6
LTC6951 LAST TIME BUY Ultralow Jitter Multi-Output Clock Synthesizer with Integrated VCO
LTC6952 LAST TIME BUY Ultralow Jitter, 4.5GHz PLL with 11 Outputs and JESD204B / JESD204C Support
HMC7044 RECOMMENDED FOR NEW DESIGNS High Performance, 3.2 GHz, 14-Output Jitter Attenuator with JESD204B and JESD204C Support
AD9528 RECOMMENDED FOR NEW DESIGNS JESD204B/JESD204C Clock Generator with 14 LVDS/HSTL Outputs
LTC6953 LAST TIME BUY Ultralow Jitter, 4.5GHz Clock Distributor with 11 Outputs and JESD204B/JESD204C Support
HMC7043 RECOMMENDED FOR NEW DESIGNS

High Performance, 3.2 GHz, 14-Output Fanout Buffer with JESD204B/JESD204C

Fanout Buffers 1
LTC6955 LAST TIME BUY Ultralow Jitter, 7.5GHz, 11 Output Fanout Buffer Family
Modal heading
Add to myAnalog

Add product to the Products section of myAnalog (to receive notifications), to an existing project or to a new project.

Create New Project

Tools & Simulations

Virtual Eval - BETA

Virtual Eval is a web application to assist designers in product evaluation of ADCs, DACs, and other ADI products. Using detailed models on Analog’s servers, Virtual Eval simulates crucial part performance characteristics within seconds. Configure operating conditions such as input tones and external jitter, as well as device features like gain or digital down-conversion. Performance characteristics include noise, distortion, and resolution, FFTs, timing diagrams, response plots, and more.

Open Tool

IBIS Model 1

AD9208/AD9689/AD9694/AD9695 AMI Model

Open Tool

ADC Companion Transport Layer RTL Code Generator Tool

This command line executable tool generates a Verilog module which implements the JESD204 receive transport layer. The user specifies in a configuration file one or more modes to be supported by the transport layer module. These modes are defined as a set of JESD204 parameter values: L, M, F, S, N', and CF. The transport layer converts JESD204 lane data output from a JESD204 link layer IP to a data bus with a fixed width, containing interleaved virtual converter samples. Both JESD204B and JESD204C link layers are supported.

Open Tool
LTspice

LTspice® is a powerful, fast and free simulation software, schematic capture and waveform viewer with enhancements and models for improving the simulation of analog circuits.


Evaluation Kits

eval board
EVAL-AD9694

AD9694 Evaluation Board

Features and Benefits

  • Full featured evaluation board for the AD9694
  • SPI interface for setup and control
  • Wide band Balun driven input
  • External supply powered but may also use 12V-1A and 3.3V-3A supplies from FMC
  • VisualAnalog® and SPI controller software interfaces

Product Details

The AD9694EVZ supports the AD9694, a quad, 14-bit, 500 MSPS analog-to-digital converter (ADC). The device has an on-chip buffer and a sample-and-hold circuit designed for low power, small size, and ease of use. This device is designed support communications applications capable of sampling analog signals of up to 1.4 GHz. This reference design provides all of the support circuitry required to operate the ADC in its various modes and configurations. It is designed to interface directly with the ADS7-V2EBZ data capture card, allowing users to download captured data for analysis. The Visual Analog software package, which is used to interface with the device's hardware, allows users to download captured data for analysis with a user-friendly graphical interface. The ACE software package is also compatible with this hardware, and allows the user to access the SPI programmable features of the AD9694.

EVAL-AD9694
AD9694 Evaluation Board
AD9694-500EBZANGLE-web AD9694-500EBZBOTTOM-web AD9694-500EBZTOP-web

Latest Discussions

Recently Viewed