AD9176

RECOMMENDED FOR NEW DESIGNS

Dual, 16-Bit, 12.6 GSPS RF DAC with Wideband Channelizers

Viewing:

Overview

  • Supports multiband wireless applications
    • 3 bypassable, complex data input channels per RF DAC
    • 3.08 GSPS maximum complex input data rate per input channel
    • 1 independent NCO per input channel
  • Proprietary, low spurious and distortion design
    • 2-tone IMD3 = −83 dBc at 1.84GHz, −7 dBFS/tone RF output
    • SFDR <−80 dBc at 1.84 GHz, −7 dBFS RF output
  • Flexible 8-lane, 15.4 Gbps JESD204B interface
    • Supports single-band and multiband use cases
    • Supports 12-bit high density mode for increased data throughput
  • Multiple chip synchronization
    • Supports JESD204B Subclass 1
  • Selectable interpolation filter for a complete set of input data rates
    • 1×, 2×, 3×, 4×, 6×, and 8× configurable data channel interpolation
    • 1×, 2×, 4×, 6×, 8×, and 12× configurable final interpolation
  • Final 48-bit NCO that operates at the DAC rate to support frequency synthesis up to 6 GHz
  • Transmit enable function allows extra power saving and downstream circuitry protection
  • High performance, low noise PLL clock multiplier
    • Supports 12.6 GSPS DAC update rate
    • Observation ADC clock driver with selectable divide ratios
  • Low power
    • 2.54 W with 2 DACs at 12 GSPS, DAC PLL on
  • 10 mm × 10 mm, 144-ball BGA_ED with metal enhanced thermal lid, 0.80 mm pitch

The AD9176 is a high performance, dual, 16-bit digital-to-analog converter (DAC) that supports DAC sample rates up to 12.6 GSPS. The device features an 8-lane, 15.4 Gbps JESD204B data input port, a high performance, on-chip DAC clock multiplier, and digital signal processing capabilities targeted at single-band and multiband direct to radio frequency (RF) wireless applications.

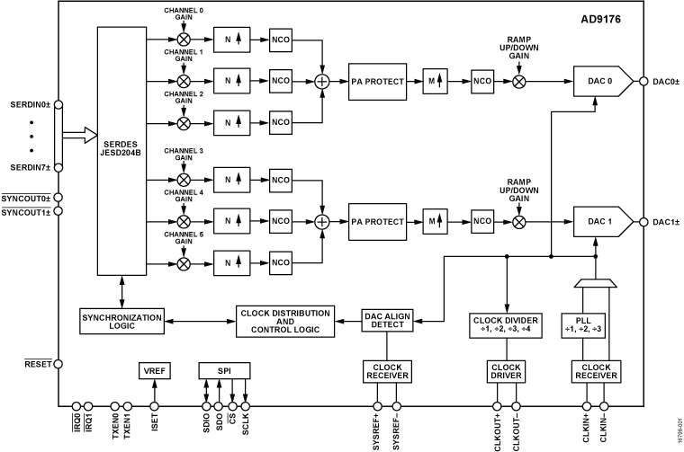
The AD9176 features three complex data input channels per RF DAC datapath. Each input channel is fully bypassable. Each data input channel (or channelizer) includes a configurable gain stage, an interpolation filter, and a channel numerically controlled oscillator (NCO) for flexible, multiband frequency planning. The AD9176 supports an input data rate of up to a 3.08 GSPS complex (inphase/quadrature (I/Q)), or up to 6.16 GSPS non-complex (real), and is capable of allocating multiple complex input data streams to the assigned channels for individual processing. Each group of three channelizers is summed into a respective main datapath for additional processing when needed. Each main datapath includes an interpolation filter and one 48-bit main NCO ahead of the RF DAC core. Using the modulator switch, the outputs of a main datapath can be either routed to DAC0 alone for operating as a single DAC, or routed to both DAC0 and DAC1 for operating as a dual, intermediate frequency DAC (IF DAC).

The AD9176 also supports ultrawide data rate modes that allow bypassing the channelizers and main datapaths to provide maximum data rates of up to 6.16 GSPS as a single, 16-bit DAC, up to 3.08 GSPS as a dual, 16-bit DAC, or up to 4.1 GSPS as a dual, 12-bit DAC.

The AD9176 is available in a 144-ball BGA_ED package.

Applications

  • Wireless communications infrastructure
    • Multiband base station radios
    • Microwave/E-band backhaul systems
  • Instrumentation, automatic test equipment (ATE)
  • Radars and jammers

Product Highlights

  1. A low power, multichannel, dual DAC design reduces power consumption in higher bandwidth and multichannel applications, while maintaining performance.
  2. Supports single-band and multiband wireless applications with three bypassable complex data channels per RF DAC, or configurations that use the two main datapaths as two wideband complex data channels when using the built in modulator switch.
  3. A maximum complex data rate (per I or Q) of up to 3.08 GSPS with 16-bit resolution, and up to 4.1 GSPS with 12-bit resolution. The AD9176 can be alternatively configured as a dual DAC, with each DAC operating across an independent JESD204B link, at the previously described data rates.
  4. Ultrawide bandwidth single-DAC modes, supporting up to 6.16 GSPS data rates with 16-bit resolution.

AD9176
Dual, 16-Bit, 12.6 GSPS RF DAC with Wideband Channelizers
AD9176 Functional Block Diagram AD9176 Pin Configuration
Add to myAnalog

Add product to the Products section of myAnalog (to receive notifications), to an existing project or to a new project.

Create New Project
Ask a Question

Documentation

Learn More
Add to myAnalog

Add media to the Resources section of myAnalog, to an existing project or to a new project.

Create New Project

Software Resources


Hardware Ecosystem

Parts Product Life Cycle Description
Clock ICs 2
HMC7044 RECOMMENDED FOR NEW DESIGNS High Performance, 3.2 GHz, 14-Output Jitter Attenuator with JESD204B and JESD204C Support
LTC6952 LAST TIME BUY Ultralow Jitter, 4.5GHz PLL with 11 Outputs and JESD204B / JESD204C Support
Phase-Locked Loop (PLL) Synthesizers 1
ADF4377 RECOMMENDED FOR NEW DESIGNS Microwave Wideband Synthesizer with Integrated VCO
Modal heading
Add to myAnalog

Add product to the Products section of myAnalog (to receive notifications), to an existing project or to a new project.

Create New Project

Tools & Simulations

ADIsimPLL™

ADIsimPLL enables the rapid and reliable evaluation of new high performance PLL products from ADI. It is the most comprehensive PLL Synthesizer design and simulation tool available today. Simulations performed include all key non-linear effects that are significant in affecting PLL performance. ADIsimPLL removes at least one iteration from the design process, thereby speeding the design- to-market.

Open Tool

DAC Companion Transport Layer RTL Code Generator

These command line executable tool generates a Verilog module which implements the JESD204 transmitter transport layer. The user specifies in a configuration file one or more modes to be supported by the transport layer module. These modes are defined as a set of JESD204 parameter values: L, M, F, S, N', and CF. The transport layer converts JESD204 lane data output from a JESD204 link layer IP to a data bus with a fixed width, containing interleaved virtual converter samples. Both JESD204B and JESD204C link layers are supported.

Open Tool

IBIS Model 1

S-Parameter 1


Evaluation Kits

eval board
EVAL-AD917x

AD917x Evaluation Board

Product Details

The AD9171, AD9172, and AD9173 evaluation boards are FMC form-factor boards with FMC connectors that comply to the Vita 57.1 standard. The FMC boards use a Mini-Circuits balun on the DAC output.

To operate the evaluation board, the user must attach the board to a compatible FMC carrier board, such as those provided by FPGA vendors. Analog Devices produces an FPGA carrier called the ADS7-V2, which serves as a digital pattern generator or data source as well as the power supply for the boards. The AD917x board has an option to be powered from a lab power supply when used in a special NCO-only mode. This operation is described in more detail in the User's Guide, linked on the wiki site. The user must be able to observe the DAC output on a spectrum analyzer. A low noise clock source is provided on the evaluations boards, the HMC7044 clock synthesizer, and an option exists for the user to supply a low jitter external sine or square wave clock as a clock source instead. The evaluation board comes with software, called ACE, which allows the user to program the SPI port. Via the SPI port, the DUT (and clock circuitry) can be programmed into any of its various operating modes. It also comes with the DAC Software Suite which includes the DPGDownloader for vector generation, download, and transmission to the evaluation board when using the ADS7-V2.

EVAL-AD917x
AD917x Evaluation Board
AD9172-FMC-EBZANGLE-web AD9172-FMC-EBZBOTTOM-web AD9172-FMC-EBZTOP-web

Latest Discussions

Recently Viewed