ADRV9022

RECOMMENDED FOR NEW DESIGNS

Integrated, Quad RF Transceiver with Observation Path

ADRV9022 Wideband Transceiver IC

Viewing:

Overview

  • 4 differential transmitters
  • 4 differential receivers
  • 2 observation receivers with 2 inputs each
  • Single band 4T4R or dual band 2T2R operation
  • Fully integrated DPD adaptation engine for power amplifier linearization
  • Crest factor reduction engine
  • LO tuning range: 75 MHz to 6000 MHz
  • RF range: 10 MHz to 6100 MHz1
  • Maximum receiver bandwidth: 200 MHz
  • Maximum transmitter large signal bandwidth: 200 MHz
  • Maximum transmitter synthesis bandwidth: 450 MHz
  • Maximum observation receiver bandwidth: 450 MHz
  • Fully integrated independent fractional-N RF synthesizers
  • Fully integrated clock synthesizer
  • Dual external LO inputs supporting operation up to 6 GHz
  • Multichip phase synchronization for all LOs and baseband clocks
  • Support for TDD and FDD applications
  • 24.33 Gbps JESD204B/JESD204C digital interface
  • Simplifying thermal and power consumption challenges
  • 6.89 W power consumption for the TDD mode, DFE enabled use case with 200 MHz occupied bandwidth

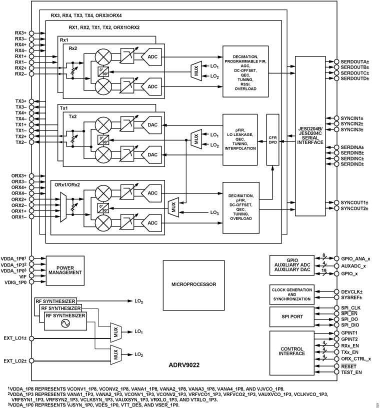
The ADRV9022 is a highly integrated, RF agile transceiver that offers four independently controlled transmitters and receivers, dedicated observation receiver inputs for monitoring each transmitter channel, integrated synthesizers, and digital signal processing that delivers a complete transceiver solution. This device meets the performance needs of cellular infrastructure, including small cells, macro 3G/4G/5G systems, and massive, multiple in and multiple out (MIMO) base stations.

The receiver subsystem consists of four wide bandwidth, direct conversion receivers with excellent dynamic range. The transmitters use direct conversion modulation, enabling low noise operation and power efficiency. Two wide bandwidth, time shared observation receivers with dual inputs monitor the transmitter outputs.

The transceiver integrates automatic and manual attenuation control, DC offset correction, quadrature error correction (QEC), and digital filtering, removing the need for these in the digital baseband. Additional integrated functions include analog-to-digital converters (ADCs), digital-to-analog converters (DACs), and general-purpose inputs and outputs (GPIOs) for flexible digital control.

To ensure high RF performance, the device includes five fully integrated phase-locked loops (PLLs). Two for high-performance, low power, fractional-N RF synthesizers, one for an independent local oscillator (LO) mode for the observation receiver, one for the converter and digital circuits, and one for the serial interface clock.

Please see the Data Sheet for the full description.

APPLICATIONS

  • Tactical communications, phased array radar, and electronic warfare
  • Wireless test and measurement
  • Portable instruments
  • TDD and FDD applications

ADRV9022
Integrated, Quad RF Transceiver with Observation Path
ADRV9022 Functional Block Diagram ADRV9022 Pin Configuration ADRV9022 Chip Illustration
Add to myAnalog

Add product to the Products section of myAnalog (to receive notifications), to an existing project or to a new project.

Create New Project
Ask a Question

Documentation

Learn More
Add to myAnalog

Add media to the Resources section of myAnalog, to an existing project or to a new project.

Create New Project

Software Resources


Hardware Ecosystem

Parts Product Life Cycle Description
Switching Regulators & Controllers 3
LTC3642 PRODUCTION High Efficiency, High Voltage 50mA Synchronous Step-Down Converter
ADP5054 RECOMMENDED FOR NEW DESIGNS Quad Buck Regulator Integrated Power Solution
ADP5056 RECOMMENDED FOR NEW DESIGNS Triple Buck Regulator Integrated Power Solution
Modal heading
Add to myAnalog

Add product to the Products section of myAnalog (to receive notifications), to an existing project or to a new project.

Create New Project

Evaluation Kits

eval board
EVAL-ADRV9022/ADRV9026
/ADRV9029

ADRV9022/ADRV906ADRV9029 Evaluation Board

Features and Benefits

  • Complete ADRV9026 radio cards for evaluation
    • ADRV9026-HB/PCBZ for frequency band 2.8GHz to 6GHz
    • ADRV9026-MB/PCBZ for frequency band 650MHz to 2.8GHz
    • ADRV9026-LB/PCBZ for frequency band 75MHz to 1000MHz
  • Complete ADRV9029 radio cards for evaluation
    • ADRV9029-HB/PCBZ (integrated DPD & CFR) for frequency band 2.8GHz to 6GHz
    • ADRV9029-MB/PCBZ (integrated DPD & CFR) for frequency band 650MHz to 2.8GHz
  • 4x4 Wideband RF transceiver platform operating over 650MHz to 6GHz frequency range
  • A separate power daughter card provides reference design for high efficiency power supply solution
  • FMC connector to FPGA motherboard ADS9-V2EBZ
  • Includes schematics, layout, BOM, API and evaluation software

Product Details

The ADRV9029 and ADRV9026 radio cards designed to showcase the ADRV9026 (quad-channel wideband RF transceiver) and ADRV9029 (quad-channel wideband RF transceiver with integrated DPD & CFR). The radio cards provide a 4x4 transceiver platform for device evaluation. All peripherals necessary for the radio card to operate include a separate high efficiency power circuit board, and a high-performance clocking solution included on the radio board. Connecting one of the radio cards with the FPGA motherboard ADS9-V2EBZ through the FMC connector form a complete evaluation platform for ADRV9026 and ADRV9029. The ADRV9026 evaluation kit can also be used to evaluate the performance of the ADRV9010.

eval board
ADS9-V2EBZ

ADS9-V2EBZ Evaluation Board

Features and Benefits

Xilinx Kintex Ultrascale+ XCKU15P-2FFVE1517E FPGA.

  • One (1) FMC+ connector.
  • Twenty (20) 28Gbps transceivers supported by one (1) FMC+ connector.
  • HMC DRAM
  • Simple USB 3.0 port interface.
  • Two micro SD cards are included, "TRX" -- for ADRV9026 evaluation boards and "HSX" -- for MxFE evaluation boards.

Product Details

When connected to a specified Analog Devices high speed converter evaluation board, the ADS9-V2EBZ works as a data capture/transmit board. Designed to support the highest speed JESD204B/C data converters, the FPGA on the ADS9-V2EBZ acts as the data receiver for high speed ADC's, and as the transmitter for high speed DAC's.

EVAL-ADRV9022/ADRV9026
/ADRV9029
ADRV9022/ADRV906ADRV9029 Evaluation Board
ADRV9029 Evaluation Board - Angle View ADRV9029 Evaluation Board - Top View ADRV9029 Evaluation Board - Bottom View
ADS9-V2EBZ
ADS9-V2EBZ Evaluation Board
ADS9-V2EBZANGLE-web ADS9-V2EBZBOTTOM-web ADS9-V2EBZTOP-web

Latest Discussions

Recently Viewed