概览
优势和特点
- Analog Devices has worked closely with FPGA and processor manufacturers to develop verified power solutions that optimize cost, size and efficiency in high performance applications
- Our reference designs are supported by an intuitive design tool set and IP
- Our team can provide designs for quick prototypes that can speed time to market in the most complex applications
电路描述
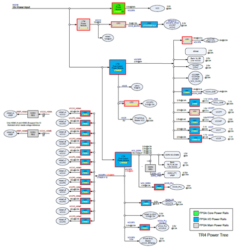
The TR4 Development Kit provides the ideal hardware platform for system designs that demand high-performance, serial connectivity, and advanced memory interfacing. The TR4 is powered by the Stratix IV GX device and supported by industry-standard peripherals, connectors and interfaces that offer a rich set of features that is suitable for a wide range of compute-intensive applications. For large-scale ASIC prototype development, multiple TR4s can be stacked together to create an easily-customizable multi-FPGA system.
 
                             
                         
                         
                                                 
                                                 
                                                 
                                                


