MAX9401

四路、ECL/PECL差分缓冲器/接收器

产品技术资料帮助

ADI公司所提供的资料均视为准确、可靠。但本公司不为用户在应用过程中侵犯任何专利权或第三方权利承担任何责任。技术指标的修改不再另行通知。本公司既没有含蓄的允许,也不允许借用ADI公司的专利或专利权的名义。本文出现的商标和注册商标所有权分别属于相应的公司。

Viewing:

概述

  • 差分两倍摆幅ECL/PECL输出
  • 输入兼容于LVECL/LVPECL
  • 在3.0GHz时钟频率下,保证900mV差分输出
  • 异步模式下,365ps传输延迟
  • 同步模式下,10ps通道至通道扭曲
  • 集成100Ω输入终端(MAX9404)
  • 兼容+3.3V/+5.0V标称电源电压
  • 可选的同步/异步工作模式
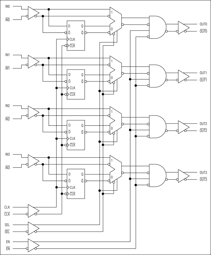
  • MAX9401/MAX9404是超高速、低扭曲的四路ECL/PECL缓冲器/接收器,设计应用于高速数据和时钟驱动。通过外部时钟,四路通道能够同步工作,或在异步模式下,由SEL输入状态决定。使能输入提供了强制所有输出端为差分低电平状态的功能。

    MAX9401具有高阻抗(开路)输入,MAX9404具有100Ω的差分输入终端电组,以减少外部元件的数目。两种器件均具有两倍摆幅的发射极开路输出,尤其适合于驱动长线电缆。MAX9401/MAX9404工作电源电压范围VCC - VEE = +3.0V至+5.5V,指定工作温度范围-40°C至+85°C,提供节省空间的32引脚5mm x 5mm QFN (EP)封装和TQFP封装。

    应用

    • 自动测试设备(ATE)
    • 局端背板时钟分配
    • 数据和时钟驱动器与缓冲器
    • DSLAM背板
    • 无线基站

    MAX9401
    四路、ECL/PECL差分缓冲器/接收器
    MAX9401、MAX9404:功能框图
    添加至 myAnalog

    将产品添加到myAnalog 的现有项目或新项目中(接收通知)。

    创建新项目
    提问

    参考资料

    了解更多
    添加至 myAnalog

    Add media to the Resources section of myAnalog, to an existing project or to a new project.

    创建新项目

    最新评论

    需要发起讨论吗? 没有关于 MAX9401的相关讨论?是否需要发起讨论?

    在EngineerZone®上发起讨论

    近期浏览