MAX9135

预发布

可编程、高速、多输入/输出LVDS交叉开关

利用LIN或I²C可编程交叉开关简化点到点LVDS链路

产品技术资料帮助

ADI公司所提供的资料均视为准确、可靠。但本公司不为用户在应用过程中侵犯任何专利权或第三方权利承担任何责任。技术指标的修改不再另行通知。本公司既没有含蓄的允许,也不允许借用ADI公司的专利或专利权的名义。本文出现的商标和注册商标所有权分别属于相应的公司。

Viewing:

概述

  • 每端口支持高达840Mbps数据速率
  • 未使能端口处于高阻态,便于端口扩展
  • LVDS输出带有可编程预加重
  • LVDS输入提供共模偏压
  • 开关切换的设置有三种可选方案:
    • I²C接口
    • LIN接口
    • 可编程引脚(MAX9134/MAX9135)
  • ±25kV ESD保护
  • +3.3V电源电压
  • -40°C至+105°C工作温度范围

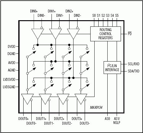
MAX9132/MAX9134/MAX9135高速、多端口、低压差分信号(LVDS)交叉点开关专门用于数字视频及摄像机信号传输。这些开关具有较宽频带,支持高达840Mbps的数据速率。MAX9132有三个输入口和两个输出口,MAX9134有三个输入口和四个输出口,MAX9135有四个输入口和三个输出口。数字视频信号或摄像机信号可以通过开关从一路输入传输到一个或多个输出端口。

MAX9132/MAX9134/MAX9135开关切换可通过I²C接口或本地互联网络(LIN)串口设置。此外,MAX9134/MAX9135还提供设置开关切换的引脚。这些引脚用来设定I²C模式的初始条件。为了生成更多的输入或输出端口,可以将这些开关并联或串联使用。

MAX9132/MAX9134/MAX9135采用+3.3V工作电压,工作在-40°C至+105°C温度范围。MAX9134/MAX9135采用32引脚(5mm x 5mm) TQFP封装,MAX9132采用20引脚(6.5mm x 4.4mm) TSSOP封装。输入/输出引脚在ISO气隙放电模式下具有高达±25kV的ESD保护,在IEC气隙放电模式下具有±15kV ESD保护,在ESD接触放电模工下具有±10kV保护。其它引脚均具有高达±3kV的人体模式ESD保护。

应用

  • 视频监控系统
  • 车载数字摄像机
  • 高速数字多媒体切换系统
  • 导航系统显示器
  • 视频/音频分配系统

MAX9135
可编程、高速、多输入/输出LVDS交叉开关
MAX9132、MAX9134、MAX9135:功能框图
添加至 myAnalog

将产品添加到myAnalog 的现有项目或新项目中(接收通知)。

创建新项目
提问

参考资料

了解更多
添加至 myAnalog

Add media to the Resources section of myAnalog, to an existing project or to a new project.

创建新项目

软件资源

找不到您所需的软件或驱动?

申请驱动/软件

硬件生态系统

部分模型 产品周期 描述
串行器/解串器(SerDes)和千兆多媒体串行链路(GMSL) 7
MAX9207 预发布 10位、总线LVDS串行器
MAX9206 最后购买期限 10位总线LVDS解串器
MAX9218 最后购买期限 27位、3MHz至35MHz、直流平衡、LVDS解串器
MAX9205 最后购买期限 10位、总线LVDS串行器
MAX9235 不推荐用于新设计 10位、LVDS串行器
MAX9208 最后购买期限 10位总线LVDS解串器
MAX9217 最后购买期限 27位、3MHz至35MHz、直流平衡、LVDS串行器
Modal heading
添加至 myAnalog

将产品添加到myAnalog 的现有项目或新项目中(接收通知)。

创建新项目

评估套件

MAX9132EVKIT

MAX9132评估板

特性和优点

  • Windows 2000/XP/Vista (32位)兼容软件
  • USB至PC连接(提供电缆)
  • 带有板上微控制器,以产生I²C及LIN总线命令
  • I²C接口端接
  • 无铅(Pb)并符合RoHS标准的封装
  • 经过验证的PCB布局
  • 完全安装并经过测试

产品详情

MAX9132评估板(EV kit)提供经过验证的设计,用于评估MAX9132高速多端口LVDS交叉点开关。MAX9132具有3个输入端口和2个输出端口。该评估板还包含Windows® 2000/XP/Vista®兼容软件,提供简捷的图像用户界面(GUI),便于评估MAX9132的性能。

MAX9132评估板PCB安装了MAX9132GUP+。

应用

  • 视频监控系统
  • 车载数字摄像机
  • 高速数字多媒体切换系统
  • 导航系统显示器
  • 视频/音频分配系统

MAX9132EVKIT
MAX9132评估板

最新评论

需要发起讨论吗? 没有关于 MAX9135的相关讨论?是否需要发起讨论?

在EngineerZone®上发起讨论

近期浏览