MAX3822

过期

+3.3V、2.5Gbps四路限幅放大器

产品技术资料帮助

ADI公司所提供的资料均视为准确、可靠。但本公司不为用户在应用过程中侵犯任何专利权或第三方权利承担任何责任。技术指标的修改不再另行通知。本公司既没有含蓄的允许,也不允许借用ADI公司的专利或专利权的名义。本文出现的商标和注册商标所有权分别属于相应的公司。

Viewing:

概述

  • +3.3V单电源
  • 单、双或四个通道工作于2.5Gbps
  • 700mW的总功耗(四个通道工作)
  • 120ps的最大输出边沿速度
  • 公共和各个通道的输入功率不足(/LOP)指示
  • 带有片内后端匹配电阻的差分CML输出
  • 30ps最大系统抖动
  • 2ps随机抖动
  • 电源关断特性使未用通道断电
  • 工作温度范围:0°C至+85°C

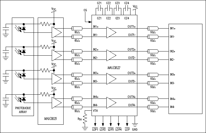
MAX3822四路限幅放大器尤其适合于数据速率高达2.5Gbps的多通道系统。MAX3822工作于+3.3V单电源,工作温度范围为0°C至+85°C。提供通道选择(CS)引脚,允许设定单路、双路或四路运行方式。禁止的通道将被关断,以降低功耗。所有四个通道的输出接口都为CML逻辑。

输入可由20mVP-P至1000mVP-P信号差分驱动。四个通道共用同一个门限电压,且可由外部电阻设置。还包括四个独立的功率检测器,用来监测每个通道的接收信号电平。如果某个通道信号输入低于设定门限值,则其对应的TTL兼容功率不足(/LOP)指示输出为低电平。提供4dB的典型/LOP滞回(对应于2dB光学滞回),避免输入信号电平在接近门限值时输出振荡。还提供一个公共/LOP指示,在一路或多路输入处于LOP状态下时输出低电平。

应用

  • ATM交换网络
  • 密集数字交叉连接
  • 高速并行链接
  • 多路接收模块
  • 光系统互连

MAX3822
+3.3V、2.5Gbps四路限幅放大器
MAX3822:典型工作电路
添加至 myAnalog

将产品添加到myAnalog 的现有项目或新项目中(接收通知)。

创建新项目
提问

参考资料

了解更多
添加至 myAnalog

Add media to the Resources section of myAnalog, to an existing project or to a new project.

创建新项目

最新评论

需要发起讨论吗? 没有关于 MAX3822的相关讨论?是否需要发起讨论?

在EngineerZone®上发起讨论

近期浏览