MAX12558

过期

双路、80Msps、14位、IF/基带ADC

可理想用于高性能通信接收器

产品技术资料帮助

ADI公司所提供的资料均视为准确、可靠。但本公司不为用户在应用过程中侵犯任何专利权或第三方权利承担任何责任。技术指标的修改不再另行通知。本公司既没有含蓄的允许,也不允许借用ADI公司的专利或专利权的名义。本文出现的商标和注册商标所有权分别属于相应的公司。

Viewing:

概述

  • 高达400MHz的直接IF采样
  • 优异的动态性能
    • fIN = 70MHz/175MHz时,SNR为74.4dB/71.7dB
    • fIN= 70MHz/175MHz时,SFDR为84.2dBc/79dBc
  • 3.3V低功耗工作
    • 789mW (差分时钟模式)
    • 756mW (单端时钟模式)
  • 全差分或单端模拟输入
  • 可调的差分模拟输入电压
  • 750MHz输入带宽
  • 可调的内部或外部基准,基准可共用
  • 差分或单端时钟
  • 可接受25%至75%占空比的时钟
  • 用户可选择的DIV2与DIV4时钟模式
  • 关断模式
  • 二进制补码或格雷码格式的CMOS输出
  • 超量程与数据有效指示
  • 小尺寸、68引脚、薄型QFN封装(10mm x 10mm x 0.8mm)
  • 提供12位兼容版本(MAX12528)
  • 可提供评估板(请定购MAX12558EVKIT)

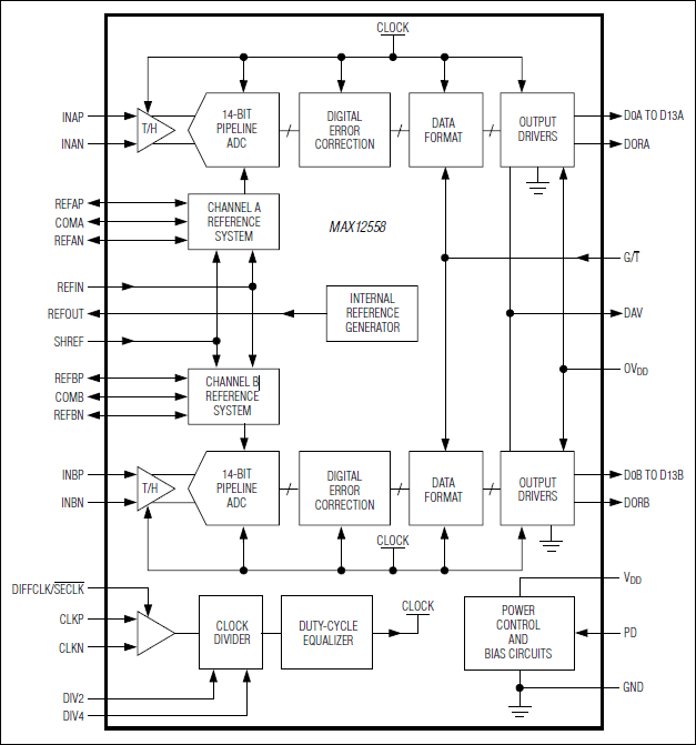
MAX12558是双路3.3V、14位模数转换器(ADC),具有全差分宽带采样/保持(T/H)输入,用来驱动内部量化器。MAX12558针对低功耗、小尺寸和高动态性能进行了优化,适合中频(IF)与基带采样应用。该双路ADC由3.3V单电源供电,输入频率为175MHz时,输出信噪比典型值为71.7dB (SNR),而功耗仅为756mW。T/H输入级可接受高达400MHz的单端或差分输入。除了具有低工作功耗特性外,MAX12558还具有330µW关断模式,降低了空闲周期的功耗。

MAX12558具有灵活的基准电路,可以使用内部2.048V带隙基准或外部基准,并允许两个ADC共用基准。基准结构使得满量程模拟输入可以在±0.35V至±1.15V范围内调整。MAX12558提供的共模基准可简化设计,减少差分模拟输入电路中的外围元件数量。

MAX12558支持单端或差分输入时钟。用户可选择二分频(DIV2)与四分频(DIV4)模式,可以实现灵活的设计,并有助于消除时钟抖动的负面影响。ADC内部占空比均衡器(DCE)可在较宽范围内补偿时钟占空比的变化。

MAX12558具有两路并行、14位宽度、CMOS兼容输出。数字输出格式可以通过引脚选择为二进制补码或格雷码。数字输出采用1.7V至3.6V单电源供电,便于与不同逻辑电平接口。MAX12558采用带裸露焊盘(EP)的10mm x 10mm x 0.8mm、68引脚、薄型QFN封装,工作在扩展级(-40°C至+85°C)温度范围。

应用

  • 数字机顶盒
  • I/Q接收器
  • 中频与基带通信接收器:蜂窝、LMDS、点到点微波通信、MMDS、HFC、WLAN
  • 低功耗数据采集
  • 便携式仪表
  • 超声和医学成像

MAX12558
双路、80Msps、14位、IF/基带ADC
MAX12558:功能框图
添加至 myAnalog

将产品添加到myAnalog 的现有项目或新项目中(接收通知)。

创建新项目
提问

参考资料

了解更多
添加至 myAnalog

Add media to the Resources section of myAnalog, to an existing project or to a new project.

创建新项目

软件资源

找不到您所需的软件或驱动?

申请驱动/软件

硬件生态系统

部分模型 产品周期 描述
模数转换器(ADC) 5
MAX12527 量产 双路、65Msps、12位、IF/基带ADC
MAX12528 过期 双路、80Msps、12位、IF/基带ADC
MAX12557 量产 双路、65Msps、14位、IF/基带ADC
MAX12559 过期 双路、96Msps、14位、IF/基带ADC
MAX12529 过期 双路、96Msps、12位、IF/基带ADC
Modal heading
添加至 myAnalog

将产品添加到myAnalog 的现有项目或新项目中(接收通知)。

创建新项目

评估套件

MAX12529EVKIT

MAX12527、MAX12528、MAX12529、MAX12557、MAX12558和MAX12559评估板

特性和优点

  • 低电压、低功耗模式
  • 可选的板上时钟整形电路
  • 板上输出驱动
  • 完全安装并经过测试

产品详情

MAX12527/MAX12528/MAX12529/MAX12557/MAX12558/MAX12559评估板(EV kit)是完全安装并经过测试的电路板,包括用来评估该系列12位和14位双通道模/数转换器(ADC)性能所需的全部元件。这些ADC接收差分模拟输入信号,评估板将用户所提供的单端输入转换成差分信号。ADC产生的数字输出可以方便地送入用户提供的高速逻辑分析仪或数据采集系统。该系列评估板工作在2.0V和3.3V电源电压。

应用

  • 数字机顶盒
  • I/Q接收器
  • 中频与基带通信接收器:蜂窝、LMDS、点到点微波通信、MMDS、HFC、WLAN
  • 低功耗数据采集
  • 便携式仪表
  • 超声和医学成像

MAX12527EVKIT

MAX12527、MAX12528、MAX12529、MAX12557、MAX12558和MAX12559评估板

特性和优点

  • 低电压、低功耗模式
  • 可选的板上时钟整形电路
  • 板上输出驱动
  • 完全安装并经过测试

产品详情

MAX12527/MAX12528/MAX12529/MAX12557/MAX12558/MAX12559评估板(EV kit)是完全安装并经过测试的电路板,包括用来评估该系列12位和14位双通道模/数转换器(ADC)性能所需的全部元件。这些ADC接收差分模拟输入信号,评估板将用户所提供的单端输入转换成差分信号。ADC产生的数字输出可以方便地送入用户提供的高速逻辑分析仪或数据采集系统。该系列评估板工作在2.0V和3.3V电源电压。

应用

  • 数字机顶盒
  • I/Q接收器
  • 中频与基带通信接收器:蜂窝、LMDS、点到点微波通信、MMDS、HFC、WLAN
  • 低功耗数据采集
  • 便携式仪表
  • 超声和医学成像

MAX12528EVKIT

MAX12527、MAX12528、MAX12529、MAX12557、MAX12558和MAX12559评估板

特性和优点

  • 低电压、低功耗模式
  • 可选的板上时钟整形电路
  • 板上输出驱动
  • 完全安装并经过测试

产品详情

MAX12527/MAX12528/MAX12529/MAX12557/MAX12558/MAX12559评估板(EV kit)是完全安装并经过测试的电路板,包括用来评估该系列12位和14位双通道模/数转换器(ADC)性能所需的全部元件。这些ADC接收差分模拟输入信号,评估板将用户所提供的单端输入转换成差分信号。ADC产生的数字输出可以方便地送入用户提供的高速逻辑分析仪或数据采集系统。该系列评估板工作在2.0V和3.3V电源电压。

应用

  • 数字机顶盒
  • I/Q接收器
  • 中频与基带通信接收器:蜂窝、LMDS、点到点微波通信、MMDS、HFC、WLAN
  • 低功耗数据采集
  • 便携式仪表
  • 超声和医学成像

MAX12559EVKIT

MAX12527、MAX12528、MAX12529、MAX12557、MAX12558和MAX12559评估板

特性和优点

  • 低电压、低功耗模式
  • 可选的板上时钟整形电路
  • 板上输出驱动
  • 完全安装并经过测试

产品详情

MAX12527/MAX12528/MAX12529/MAX12557/MAX12558/MAX12559评估板(EV kit)是完全安装并经过测试的电路板,包括用来评估该系列12位和14位双通道模/数转换器(ADC)性能所需的全部元件。这些ADC接收差分模拟输入信号,评估板将用户所提供的单端输入转换成差分信号。ADC产生的数字输出可以方便地送入用户提供的高速逻辑分析仪或数据采集系统。该系列评估板工作在2.0V和3.3V电源电压。

应用

  • 数字机顶盒
  • I/Q接收器
  • 中频与基带通信接收器:蜂窝、LMDS、点到点微波通信、MMDS、HFC、WLAN
  • 低功耗数据采集
  • 便携式仪表
  • 超声和医学成像

MAX12557EVKIT

MAX12527、MAX12528、MAX12529、MAX12557、MAX12558和MAX12559评估板

特性和优点

  • 低电压、低功耗模式
  • 可选的板上时钟整形电路
  • 板上输出驱动
  • 完全安装并经过测试

产品详情

MAX12527/MAX12528/MAX12529/MAX12557/MAX12558/MAX12559评估板(EV kit)是完全安装并经过测试的电路板,包括用来评估该系列12位和14位双通道模/数转换器(ADC)性能所需的全部元件。这些ADC接收差分模拟输入信号,评估板将用户所提供的单端输入转换成差分信号。ADC产生的数字输出可以方便地送入用户提供的高速逻辑分析仪或数据采集系统。该系列评估板工作在2.0V和3.3V电源电压。

应用

  • 数字机顶盒
  • I/Q接收器
  • 中频与基带通信接收器:蜂窝、LMDS、点到点微波通信、MMDS、HFC、WLAN
  • 低功耗数据采集
  • 便携式仪表
  • 超声和医学成像

MAX12558EVKIT

MAX12527、MAX12528、MAX12529、MAX12557、MAX12558和MAX12559评估板

特性和优点

  • 低电压、低功耗模式
  • 可选的板上时钟整形电路
  • 板上输出驱动
  • 完全安装并经过测试

产品详情

MAX12527/MAX12528/MAX12529/MAX12557/MAX12558/MAX12559评估板(EV kit)是完全安装并经过测试的电路板,包括用来评估该系列12位和14位双通道模/数转换器(ADC)性能所需的全部元件。这些ADC接收差分模拟输入信号,评估板将用户所提供的单端输入转换成差分信号。ADC产生的数字输出可以方便地送入用户提供的高速逻辑分析仪或数据采集系统。该系列评估板工作在2.0V和3.3V电源电压。

应用

  • 数字机顶盒
  • I/Q接收器
  • 中频与基带通信接收器:蜂窝、LMDS、点到点微波通信、MMDS、HFC、WLAN
  • 低功耗数据采集
  • 便携式仪表
  • 超声和医学成像

MAX12529EVKIT
MAX12527、MAX12528、MAX12529、MAX12557、MAX12558和MAX12559评估板
MAX12527EVKIT
MAX12527、MAX12528、MAX12529、MAX12557、MAX12558和MAX12559评估板
MAX12528EVKIT
MAX12527、MAX12528、MAX12529、MAX12557、MAX12558和MAX12559评估板
MAX12559EVKIT
MAX12527、MAX12528、MAX12529、MAX12557、MAX12558和MAX12559评估板
MAX12557EVKIT
MAX12527、MAX12528、MAX12529、MAX12557、MAX12558和MAX12559评估板
MAX12558EVKIT
MAX12527、MAX12528、MAX12529、MAX12557、MAX12558和MAX12559评估板

最新评论

需要发起讨论吗? 没有关于 MAX12558的相关讨论?是否需要发起讨论?

在EngineerZone®上发起讨论

近期浏览