LTC2629
量产具 I2C 接口的四通道 12 位轨至轨 DAC
- 产品模型
- 8
概述
- 外形尺寸最小的引脚兼容型四通道 DAC:
- LTC2609:16 位
- LTC2619:14 位
- LTC2629:12 位
- 在整个温度范围内保证单调
- 分离的基准输出
- 27 个可选地址
- 400kHz I2C™ 接口
- 2.7V 至 5.5V 宽电源范围
- 低功率操作:每个 DAC 的电源电流为 250µA (在 3V)
- 个别通道断电至 1µA (最大值)
- 高轨至轨输出驱动 (±15mA,最小值)
- DAC 之间的超低串扰 (5µV)
- LTC2609 / LTC2619 / LTC2629:上电复位至零标度
- LTC2609-1 / LTC2619-1 / LTC2629-1:上电复位至中间标度
- 纤巧型 16 引脚窄体 SSOP 封装
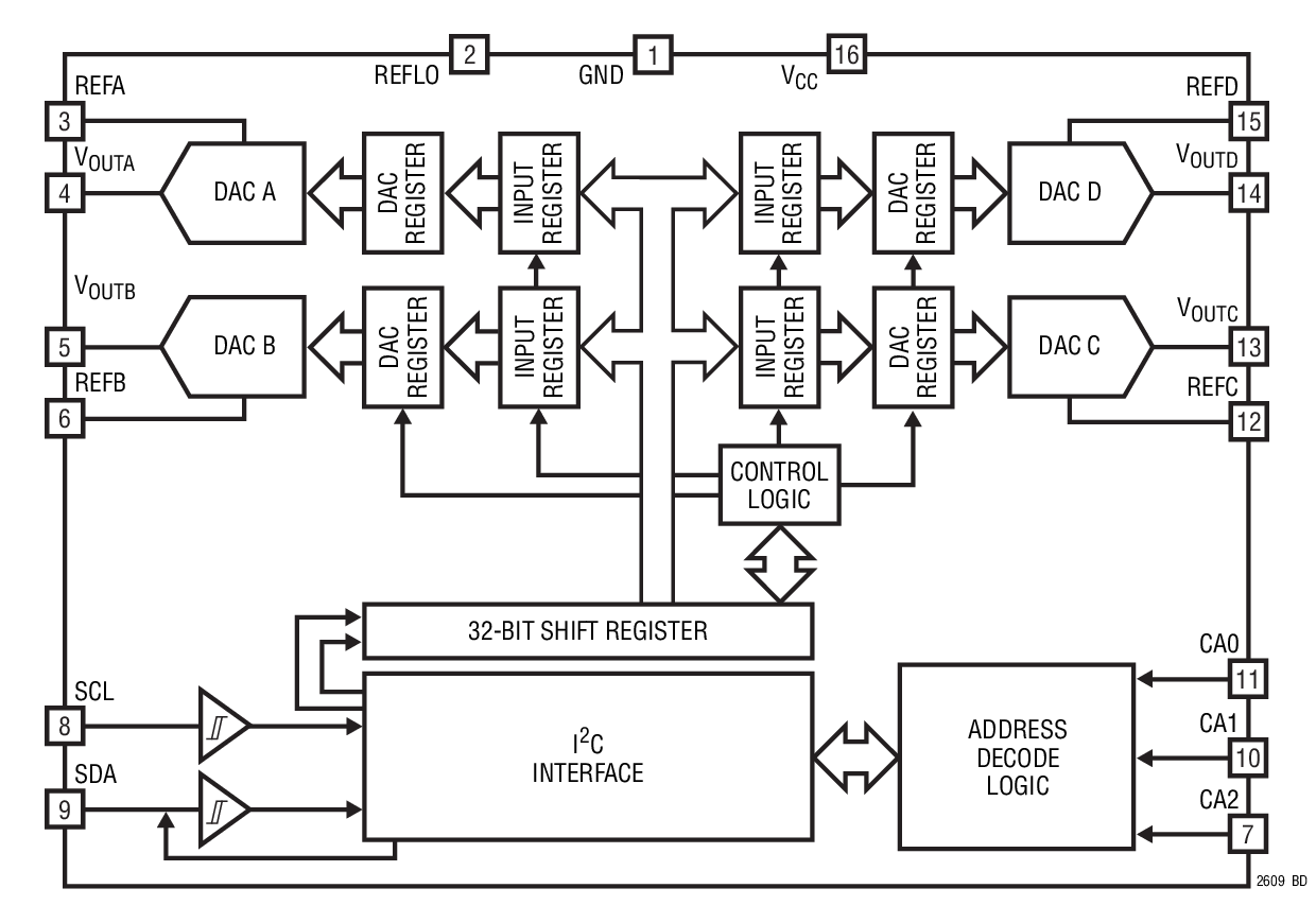
LTC®2609 / LTC2619 / LTC2629 是四通道 16、14 和 12 位、2.7V 至 5.5V 轨至轨电压输出 DAC,采用 16 引脚SSOP 封装。它们具有内置高性能输出缓冲器并保证单调。
这些器件为 16 位和 14 位 DAC 设立了新的电路板密度基准点,并提升了单电源、电压输出 DAC 中的输出驱动和负载调节性能标准。
以上器件采用一个二线式、I2C 兼容型串行接口。LTC2609 / LTC2619 / LTC2629 工作于标准模式 (100kHz 时钟速率) 和快速模式 (400kHz 时钟速率)。
LTC2609 / LTC2619 / LTC2629 内置一个上电复位电路。在上电期间,电压输出上升至比零标度高出不到 10mV;在上电之后,它们将保持于零标度,直到出现一个有效写操作和更新操作为止。上电复位电路把 LTC2609-1 / LTC2619-1 / LTC2629-1 复位至中间标度。电压输出保持在中间标度,直到出现一个有效写操作和更新操作为止。
Applications
- 移动通信
- 过程控制和工业自动化
- 自动测试设备和仪表
参考资料
数据手册 1
可靠性数据 1
技术文章 1
ADI 始终高度重视提供符合最高质量和可靠性水平的产品。我们通过将质量和可靠性检查纳入产品和工艺设计的各个范围以及制造过程来实现这一目标。出货产品的“零缺陷”始终是我们的目标。查看我们的质量和可靠性计划和认证以了解更多信息。
| 产品型号 | 引脚/封装图-中文版 | 文档 | CAD 符号,脚注和 3D模型 |
|---|---|---|---|
| LTC2629CGN#PBF | 16-Lead SSOP (Narrow 0.15 Inch) | ||
| LTC2629CGN#TRPBF | 16-Lead SSOP (Narrow 0.15 Inch) | ||
| LTC2629CGN-1#PBF | 16-Lead SSOP (Narrow 0.15 Inch) | ||
| LTC2629CGN-1#TRPBF | 16-Lead SSOP (Narrow 0.15 Inch) | ||
| LTC2629IGN#PBF | 16-Lead SSOP (Narrow 0.15 Inch) | ||
| LTC2629IGN#TRPBF | 16-Lead SSOP (Narrow 0.15 Inch) | ||
| LTC2629IGN-1#PBF | 16-Lead SSOP (Narrow 0.15 Inch) | ||
| LTC2629IGN-1#TRPBF | 16-Lead SSOP (Narrow 0.15 Inch) |
| 产品型号 | 产品生命周期 | PCN |
|---|---|---|
|
10月 3, 2024 - 24_0235 (QSOP/SSOP PKG) Migrating Bottom Trace Code Marking to Top Side Laser Marking |
||
| LTC2629CGN#PBF | 量产 | |
| LTC2629CGN#TRPBF | 量产 | |
| LTC2629CGN-1#PBF | 量产 | |
| LTC2629CGN-1#TRPBF | 量产 | |
| LTC2629IGN#PBF | 量产 | |
| LTC2629IGN#TRPBF | 量产 | |
| LTC2629IGN-1#PBF | 量产 | |
| LTC2629IGN-1#TRPBF | 量产 | |
|
10月 11, 2022 - 22_0235 Epoxy Change from Henkel 8290 to 8290A for GN Package |
||
| LTC2629CGN#PBF | 量产 | |
| LTC2629CGN#TRPBF | 量产 | |
| LTC2629CGN-1#PBF | 量产 | |
| LTC2629CGN-1#TRPBF | 量产 | |
| LTC2629IGN#PBF | 量产 | |
| LTC2629IGN#TRPBF | 量产 | |
| LTC2629IGN-1#PBF | 量产 | |
| LTC2629IGN-1#TRPBF | 量产 | |
|
4月 6, 2022 - 22_0066 Laser Top Mark for 16QSOP Assembled in ADPG [PNG] |
||
| LTC2629CGN#PBF | 量产 | |
| LTC2629CGN#TRPBF | 量产 | |
| LTC2629CGN-1#PBF | 量产 | |
| LTC2629CGN-1#TRPBF | 量产 | |
| LTC2629IGN#PBF | 量产 | |
| LTC2629IGN#TRPBF | 量产 | |
| LTC2629IGN-1#PBF | 量产 | |
| LTC2629IGN-1#TRPBF | 量产 | |
这是最新版本的数据手册
软件资源
找不到您所需的软件或驱动?
申请驱动/软件硬件生态系统
工具及仿真模型
精密DAC误差预算工具
精密DAC误差预算工具是一种Web应用程序,用于计算精密DAC信号链的直流精度。它可显示整个信号链中的静态误差状况,以快速评估设计利弊。可计算由基准电压源、运算放大器和精密DAC引起的直流误差。
打开工具Linduino 3
Linduino是ADI公司的Arduino兼容系统,用于开发和分配面向集成电路的固件库和示例代码。每个支持Linduino的产品包括示例主程序(在LTSketchbook/产品型号文件夹中定义)和驱动程序代码(在LTSketchbook/库文件夹中定义)。
最新评论
需要发起讨论吗? 没有关于 LTC2629的相关讨论?是否需要发起讨论?
在EngineerZone®上发起讨论