LTC2436-1
量产双通道差分输入 16 位无延迟 ΔΣ 模数转换器
- 产品模型
- 4
概述
- 带有自动通道选择 (往复式) 的双通道差分输入
- 低电源电流:200uA,自动睡眠时 4uA
- 差分输入和差分基准,共模范围从 GND 到 VCC
- 0.12LSB INL,无漏码
- 0.16LSB 满量程误差和 0.006LSB 偏移
- 800nV RMS 噪声,与VREF 值无关
- 无延迟:数字滤波器一个周期内即建立稳态,各通道转换均准确
- 内部振荡器 —— 无需外部元器件
- 87dB 最小值、50Hz 和 60Hz 的陷波滤波器
- 窄 SSOP-16 封装
- 2.7V 到 5.5V 单电源工作
- 引脚与 24 位 LTC2412 兼容
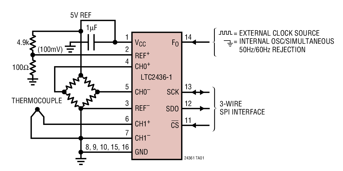
LTC®2436-1 是带有一个集成振荡器的双通道差分输入微功率 16 位无延迟增量累加 (No Latency ΔΣ™) 模数转换器。它能够提供 0.5LSB INL 和 800nVRMS 噪声的性能指针,与 VREF 值无关。两个差分信道交替转换,信道识别码包含在转换结果中。它采用增量累加技朮,提供数字滤波器单次转换中的稳态建立。LTC2436-1 可以通过单只引脚进行配置,可在 50Hz 和 60Hz ±2% 上获得优于 87dB 的输入差模抑制。它还可用一个外部振荡器来驱动,以获得一个用户定义的抑制频率。内部振荡器无需使用外部的频率设定组件。
转换器可以接受从 0.1V 到 VCC 的任何外部差分基准电压,可灵活实现参数比和远程传感检测配置。全幅差分输入电压范围是从 -0.5˙VREF 到 0.5˙VREF。共模基准电压 VREFCM 和共模输入电压 VINCM 可以分别被设定在 GND 和 VCC 之间的任意值。直流共模输入抑制比超过 140dB。
LTC2436-1 通过一个灵活的 3 线数字端口通讯,该端口与 SPI 和 MICROWIRE™ 协议兼容。
Applications
- 直接传感器数字转换器
- 称重器
- 直接温度测量
- 气体分析器
- 应变仪变换器
- 仪表
- 数据采集
- 工业过程控制
参考资料
数据手册 1
可靠性数据 1
应用笔记 1
产品选型卡 1
ADI 始终高度重视提供符合最高质量和可靠性水平的产品。我们通过将质量和可靠性检查纳入产品和工艺设计的各个范围以及制造过程来实现这一目标。出货产品的“零缺陷”始终是我们的目标。查看我们的质量和可靠性计划和认证以了解更多信息。
| 产品型号 | 引脚/封装图-中文版 | 文档 | CAD 符号,脚注和 3D模型 |
|---|---|---|---|
| LTC2436-1CGN#PBF | 16-Lead SSOP (Narrow 0.15 Inch) | ||
| LTC2436-1CGN#TRPBF | 16-Lead SSOP (Narrow 0.15 Inch) | ||
| LTC2436-1IGN#PBF | 16-Lead SSOP (Narrow 0.15 Inch) | ||
| LTC2436-1IGN#TRPBF | 16-Lead SSOP (Narrow 0.15 Inch) |
| 产品型号 | 产品生命周期 | PCN |
|---|---|---|
|
10月 3, 2024 - 24_0235 (QSOP/SSOP PKG) Migrating Bottom Trace Code Marking to Top Side Laser Marking |
||
| LTC2436-1CGN#PBF | 量产 | |
| LTC2436-1CGN#TRPBF | 量产 | |
| LTC2436-1IGN#PBF | 量产 | |
| LTC2436-1IGN#TRPBF | 量产 | |
|
10月 11, 2022 - 22_0235 Epoxy Change from Henkel 8290 to 8290A for GN Package |
||
| LTC2436-1CGN#PBF | 量产 | |
| LTC2436-1CGN#TRPBF | 量产 | |
| LTC2436-1IGN#PBF | 量产 | |
| LTC2436-1IGN#TRPBF | 量产 | |
|
4月 6, 2022 - 22_0066 Laser Top Mark for 16QSOP Assembled in ADPG [PNG] |
||
| LTC2436-1CGN#PBF | 量产 | |
| LTC2436-1CGN#TRPBF | 量产 | |
| LTC2436-1IGN#PBF | 量产 | |
| LTC2436-1IGN#TRPBF | 量产 | |
这是最新版本的数据手册
软件资源
找不到您所需的软件或驱动?
申请驱动/软件硬件生态系统
最新评论
需要发起讨论吗? 没有关于 LTC2436-1的相关讨论?是否需要发起讨论?
在EngineerZone®上发起讨论