LTC2368-24

量产

具集成型数字滤波器的 24 位、1Msps、伪差分单极性 SAR ADC

产品技术资料帮助

ADI公司所提供的资料均视为准确、可靠。但本公司不为用户在应用过程中侵犯任何专利权或第三方权利承担任何责任。技术指标的修改不再另行通知。本公司既没有含蓄的允许,也不允许借用ADI公司的专利或专利权的名义。本文出现的商标和注册商标所有权分别属于相应的公司。

Viewing:

概述

  • 保证 24 位,无漏失码
  • ±0.5ppm INL (典型值)
  • 具实时平均功能的集成型数字滤波器
  • 低功率:21mW (在 1Msps)
  • 在 1Msps 时 SNR 的典型值为 98dB
  • 在 15.25sps 时动态范围的典型值为 140dB
  • 在 fIN = 2kHz 时的 –116dB THD (典型值)
  • 50Hz/60Hz 抑制
  • 保证工作至 85°C
  • 单 2.5V 电源
  • 伪差分单极性输入范围:0V 至 VREF
  • 具菊链模式的 1.8V 至 5V SPI 兼容型串行 I/O
  • 16 引脚 MSOP 封装和 4mm x 3mm DFN 封装

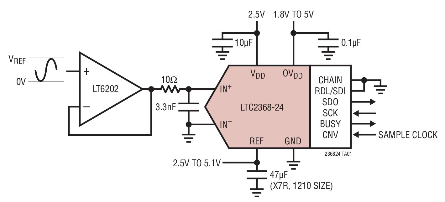
LTC®2368-24 是一款低噪声、低功率、高速 24 位逐次逼近型寄存器 (SAR) ADC,其具有一个集成型数字平均滤波器。LTC2368-24 采用一个 2.5V 工作电源,具有 0V 至 VREF 的伪差分单极性输入范围 (VREF 的变化范围从 2.5V 至 5.1V)。LTC2368-24 仅消耗 21mW (典型值) 功率,并实现了 ±4.5ppm INL (最大值) 和无漏失码 (在 24 位)。

LTC2368-24 具有一个易用的集成型数字平均滤波器,该滤波器能够对 1 至 65536 个转换结果进行实时平均,并显著地把动态范围从 98dB (在 1Msps) 改善至 140dB (在 15.25sps)。不需要单独的编程接口或配置寄存器。

高速 SPI 兼容型串行接口支持 1.8V、2.5V、3.3V 和 5V 逻辑,同时还拥有一种菊链模式。LTC2368-24 在转换操作之间自动地断电,从而减少了较低采样速率条件下的功率耗散。



Applications

  • 地震学
  • 能源勘探
  • 医疗成像
  • 高速数据采集
  • 工业过程控制
  • ATE (自动测试设备)

LTC2368-24
具集成型数字滤波器的 24 位、1Msps、伪差分单极性 SAR ADC
Integral Nonlinearity vs Output Code Product Package 1 Product Package 2
添加至 myAnalog

将产品添加到myAnalog 的现有项目或新项目中(接收通知)。

创建新项目
提问

参考资料

了解更多
添加至 myAnalog

Add media to the Resources section of myAnalog, to an existing project or to a new project.

创建新项目

软件资源

Evaluation Software 2

DC2289A CPLD Source Code

LinearLab Tools

A collection of Matlab and Python programs that provide direct access to Linear Technology’s data converter evaluation boards.


硬件生态系统

部分模型 产品周期 描述
基准电压源 1
LTC6652 量产 精准、低漂移、低噪声缓冲基准
接口收发器和隔离器 1
LTM2893 量产 100MHz 隔离型 ADC 串行接口
模数转换器(ADC) 1
LTC2380-24 量产 具集成型数字滤波器的 24 位、1.5Msps / 2Msps、低功率 SAR ADC
运算放大器 2
LTC2057 推荐用于新设计 高电压、低噪声、零漂移运算放大器
LT6202 量产 轨至轨输入和输出、1.9nV/√Hz 超低噪声、低功率、100MHz 单路运算放大器
Modal heading
添加至 myAnalog

将产品添加到myAnalog 的现有项目或新项目中(接收通知)。

创建新项目

评估套件

eval board
DC2289A-B

LTC2368-24 Demo Board | 24-Bit, 1Msps Pseudo-Differential Input SAR ADC with Integrated Filter (Requires DC590, DC2026 or DC890)

产品详情

The LTC2380-24 and LTC2368-24 are low power, low noise, high speed, 24-bit SAR ADCs with an integrated digital averaging filter that operates from a single 2.5V supply. The demo manual refers to the LTC2380-24 but applies to both parts, the only difference being that the LTC2380-24 has fully differential inputs and the LTC2368-24 has pseudo-differential inputs. The LTC2380-24 has –117dB THD, consumes only 28mW and achieves ±4ppm INL max with no missing codes at 24 bits. The DC2289A demonstrates the DC and AC performance of the LTC2380-24 in conjunction with the DC590 or DC2026 QuikEval and DC890 PScope data collection boards. Use the DC590 or DC2026 to demonstrate DC performance such as peak-to-peak noise and DC linearity. Use the DC890 if precise sampling rates are required or to demonstrate AC performance such as SNR, THD, SINAD and SFDR. The Demonstration Circuit 2289A is intended to show recommended grounding, component placement and selection, routing and bypassing for this ADC.

DC2289A-B
LTC2368-24 Demo Board | 24-Bit, 1Msps Pseudo-Differential Input SAR ADC with Integrated Filter (Requires DC590, DC2026 or DC890)
DC2289A-B Demo Board DC2289A-B Demo Board DC2289A-B Demo Board DC2289A-B Demo Board DC2289A - Demo Board Image DC2289A - Schematic

最新评论

需要发起讨论吗? 没有关于 LTC2368-24的相关讨论?是否需要发起讨论?

在EngineerZone®上发起讨论

近期浏览