LTC2355-14
量产具停机功能的串行 14 位、3.5Msps 采样 ADC
- 产品模型
- 4
概述
- 3.5Msps 转换速率
- 74.2dB SINAD (在 14 位),71.1dB SINAD (在 12 位)
- 低功耗:18mW
- 3.3V 单电源操作
- 2.5V 内部带隙基准可被取代
- 三线式 SPI 兼容型串行接口
- 睡眠 (13μW) 停机模式
- 打盹 (4mW) 停机模式
- 80dB 共模抑制
- 0V 至 2.5V 单极输入范围
- 纤巧型 10 引脚 MSOP 封装
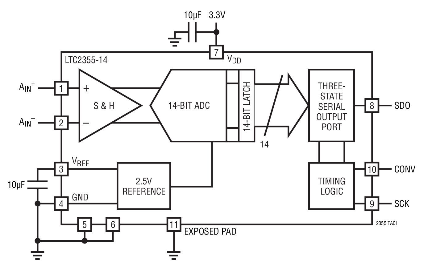
LTC®2355-12 / LTC2355-14 是采用差分输入的 12 位 / 14 位、3.5Msps 串行 ADC。这些器件仅从单 3.3V 电源吸收 5.5mA 电流,并采用纤巧型 10 引脚 MSOP 封装。一种睡眠停机功能电路能够进一步将功耗降低至 13μW。速度、低功率与纤巧型封装的组合使 LTC2355-12 / LTC2355-14 成为高速、便携式应用的合适之选。
80dB 的共模抑制使用户能够通过对来自信号源的信号进行差分测量以免除接地环路和共模噪声。
这些器件可对 0V 至 2.5V 单极输入进行差分转换。AIN+ 和 AIN— 的绝对电压摆幅从地电位扩展至电源电压。
串行接口在一个 CONV 上升沿之后的 16 个时钟周期中发送转换结果,以获得与标准串行接口的兼容性。如果在位于转换操作其间的数据流之后提供两个额外的时钟周期以用作采集时间,则在使用一个 63MHz 时钟的情况下能够实现 3.5Msps 的全采样速率。
应用
- 通信
- 数据采集系统
- 不间断电源
- 多相电动机控制
- 多工数据采集
- RFID
参考资料
数据手册 1
可靠性数据 1
用户手册 1
技术文章 1
ADI 始终高度重视提供符合最高质量和可靠性水平的产品。我们通过将质量和可靠性检查纳入产品和工艺设计的各个范围以及制造过程来实现这一目标。出货产品的“零缺陷”始终是我们的目标。查看我们的质量和可靠性计划和认证以了解更多信息。
| 产品型号 | 引脚/封装图-中文版 | 文档 | CAD 符号,脚注和 3D模型 |
|---|---|---|---|
| LTC2355CMSE-14#PBF | 10-Lead MSOP w/ EP | ||
| LTC2355CMSE-14#TRPBF | 10-Lead MSOP w/ EP | ||
| LTC2355IMSE-14#PBF | 10-Lead MSOP w/ EP | ||
| LTC2355IMSE-14#TRPBF | 10-Lead MSOP w/ EP |
| 产品型号 | 产品生命周期 | PCN |
|---|---|---|
|
6月 5, 2024 - 24_0004 Epoxy Change from Henkel 8290 to 8290A for MSOP (3) |
||
| LTC2355CMSE-14#PBF | 量产 | |
| LTC2355CMSE-14#TRPBF | 量产 | |
| LTC2355IMSE-14#PBF | 量产 | |
| LTC2355IMSE-14#TRPBF | 量产 | |
|
2月 4, 2020 - 20_0130 Laser Top Mark Conversion for 10-Lead MSOP Packages Assembled in ADPG and UTAC |
||
| LTC2355CMSE-14#PBF | 量产 | |
| LTC2355CMSE-14#TRPBF | 量产 | |
| LTC2355IMSE-14#PBF | 量产 | |
| LTC2355IMSE-14#TRPBF | 量产 | |
这是最新版本的数据手册
软件资源
Evaluation Software 1
LinearLab Tools
A collection of Matlab and Python programs that provide direct access to Linear Technology’s data converter evaluation boards.
找不到您所需的软件或驱动?
硬件生态系统
| 部分模型 | 产品周期 | 描述 |
|---|---|---|
| 接口收发器和隔离器 1 | ||
| LTM2883 | 量产 | 具可调 ±12.5V 和 5V 稳定电源的 SPI / 数字或 I2C μModule 隔离器 |
| 模数转换器(ADC) 1 | ||
| LTC2314-14 | 量产 | 采用 TSOT 封装的 14 位、4.5Msps、串行采样 ADC |
评估套件
最新评论
需要发起讨论吗? 没有关于 LTC2355-14的相关讨论?是否需要发起讨论?
在EngineerZone®上发起讨论