LTC2142-12

量产

12 位、65Msps、低功率、双通道 ADC

产品技术资料帮助

ADI公司所提供的资料均视为准确、可靠。但本公司不为用户在应用过程中侵犯任何专利权或第三方权利承担任何责任。技术指标的修改不再另行通知。本公司既没有含蓄的允许,也不允许借用ADI公司的专利或专利权的名义。本文出现的商标和注册商标所有权分别属于相应的公司。

Viewing:

概述

  • 两通道同时采样 ADC
  • 70.8dB SNR
  • 89dB SFDR
  • 低功率:92mW / 65mW / 48mW (总值)
                  46mW / 33mW / 24mW (每通道)
  • CMOS、DDR CMOS、或 DDR LVDS 输出
  • 可选的输入范围:1VP-P 至 2VP-P
  • 750MHz 满功率带宽采样及保持 (S/H)
  • 可任选的数据输出随机函数发生器
  • 可任选的时钟占空比稳定器
  • 睡眠和打盹模式
  • 用于配置的串行 SPI 端口
  • 64 引脚 (9mm x 9mm) QFN 封装

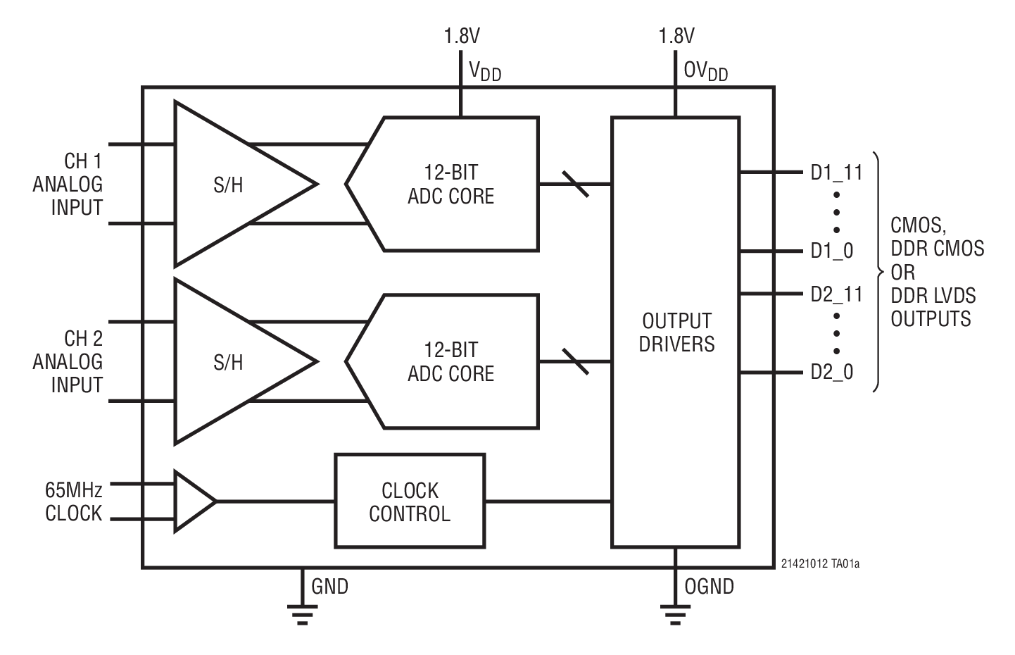
LTC®2142-12 / LTC2141-12 / LTC2140-12 是两通道同时采样 12 位 A/D 转换器,专为对高频、宽动态范围信号进行数字化处理而设计。这些器件非常适合要求苛刻的通信应用,其 AC 性能包括 70.8dB SNR 和 89dB 无寄生动态范围 (SFDR)。0.08psRMS 的超低抖动实现了 IF 频率的欠采样和卓越的噪声性能。

DC 规格包括整个温度范围内的 ±0.3LSB INL (典型值)、±0.1LSB DNL (典型值) 和无漏失码。转换噪声为 0.3LSBRMS

数字输出可以是全速率 CMOS、双倍数据速率 CMOS 或双倍数据速率 LVDS。一个单独的输出电源提供了 1.2V 至 1.8V 的 CMOS 输出摆幅。

可以利用一个正弦波、PECL、LVDS、TTL 或 CMOS 输入对 ENC+ 和 ENC输入进行差分或单端驱动。一个任选的时钟占空比稳定器在全速和多种时钟占空比条件下实现了高性能。


应用

  • 通信
  • 蜂窝基站
  • 软件定义无线电
  • 便携式医学成像
  • 多通道数据采集
  • 非破坏性测试

LTC2142-12
12 位、65Msps、低功率、双通道 ADC
2-Tone FFT, fIN = 70MHz and 69MHz Product Package 1 Product Package 2 Product Package 3
添加至 myAnalog

将产品添加到myAnalog 的现有项目或新项目中(接收通知)。

创建新项目
提问

参考资料

了解更多
添加至 myAnalog

Add media to the Resources section of myAnalog, to an existing project or to a new project.

创建新项目

软件资源

Evaluation Software 1

LinearLab Tools

A collection of Matlab and Python programs that provide direct access to Linear Technology’s data converter evaluation boards.


硬件生态系统

部分模型 产品周期 描述
差分放大器 2
LTC6406 最后购买期限 3GHz、低噪声、轨至轨输入差分放大器/驱动器
LTC6409 推荐用于新设计 10GHz GBW、1.1nV/√Hz 差分放大器 / ADC 驱动器
锁相环(PLL)频率合成器 1
LTC6946 最后购买期限 具集成型 VCO 的超低噪声及杂散 0.37GHz 至 6.39GHz 整数 N 合成器
Modal heading
添加至 myAnalog

将产品添加到myAnalog 的现有项目或新项目中(接收通知)。

创建新项目

工具及仿真模型

IBIS 模型 1


评估套件

eval board
DC1620A-P

LTC2142-12: 12-bit 65Msps Dual ADC, DDR LVDS Outputs, 5-140MHz, Requires DC890, LVDS_XFMR and DC1075

产品详情

DC1620A-P: Demo Board for LTC2142-12 12-Bit, 65Msps Low Power Dual ADCs.

DC1620A-P
LTC2142-12: 12-bit 65Msps Dual ADC, DDR LVDS Outputs, 5-140MHz, Requires DC890, LVDS_XFMR and DC1075
DC1620A-A - Schematic

最新评论

需要发起讨论吗? 没有关于 LTC2142-12的相关讨论?是否需要发起讨论?

在EngineerZone®上发起讨论

近期浏览