HMC973

过期

电压可变衰减器,采用SMT封装,0.5 - 6.0 GHz

Viewing:

概述

  • 出色的线性度 :
    +35 dBm输入IP3
  • 宽衰减范围:
    26 dB
  • 单正电压e
    控制: 0至+5V
  • 吸收式拓扑结构
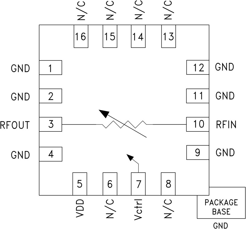
  • 16引脚3x3mm SMT封装: 9mm²

HMC973LP3E是一款吸收式电压可变衰减器(VVA),工作范围为0.5至6 GHz,非常适合必须利用模拟DC控制信号来控制超过26 dB幅度范围的RF信号电平。 它集成一个分流型衰减器,由模拟电压Vctrl控制。 和其他基于GaAs FET的VVA不同,HMC973LP3E在其控制范围内具有+35 dBm的出色输入IP3线性度。 HMC973LP3E是一款单向器件,当RF输入信号施加于RFIN封装引脚时具有优质线性度性能。 HMC973LP3E采用符合RoHS标准的3x3 mm QFN无引脚封装。

应用

  • 点对点无线电
  • 蜂窝/3G和WiMAX/4G基础设施
  • 测试仪器仪表
  • 微波传感器
  • 军事、ECM和雷达

推荐替代产品

HMC973A 推荐用于新设计

电压可变衰减器,采用SMT封装,0.5 - 6.0 GHz

HMC973

电压可变衰减器,采用SMT封装,0.5 - 6.0 GHz

hmc973lp3e_fbl
添加至 myAnalog

将产品添加到myAnalog 的现有项目或新项目中(接收通知)。

创建新项目
提问

参考资料

了解更多
添加至 myAnalog

Add media to the Resources section of myAnalog, to an existing project or to a new project.

创建新项目

软件资源

找不到您所需的软件或驱动?

申请驱动/软件

硬件生态系统

部分模型 产品周期 描述
HMC973A 推荐用于新设计

电压可变衰减器,采用SMT封装,0.5 - 6.0 GHz

Modal heading
添加至 myAnalog

将产品添加到myAnalog 的现有项目或新项目中(接收通知)。

创建新项目

工具及仿真模型


评估套件

EVAL-HMC973LP3E
HMC973LP3E评估板

最新评论

近期浏览