HMC8142

推荐用于新设计

集成功率检波器的81 GHz至86 GHz E频段功率放大器

产品技术资料帮助

ADI公司所提供的资料均视为准确、可靠。但本公司不为用户在应用过程中侵犯任何专利权或第三方权利承担任何责任。技术指标的修改不再另行通知。本公司既没有含蓄的允许,也不允许借用ADI公司的专利或专利权的名义。本文出现的商标和注册商标所有权分别属于相应的公司。

Viewing:

概述

  • 增益: 21 dB(典型值)
  • 针对1 dB压缩(P1dB)的输出功率: 25 dBm(典型值)
  • 饱和输出功率(PSAT): 26 dBm(典型值)
  • 输出三阶交调截点(OIP3): 29 dBm(典型值)
  • 输入回波损耗: 12 dB(典型值)
  • 输出回波损耗: 8 dB(典型值)
  • 直流电源: 4 V (450 mA)
  • 无需外部匹配
  • 裸片尺寸: 3.039 mm × 1.999 mm × 0.05 mm

HMC8142是一款集成温度补偿片内功率检波器的E频段砷化镓(GaAs)、假晶(pHEMT)、单芯片微波集成电路(MMIC)、中等功率放大器,工作频率范围为81 GHz至86 GHz。 HMC8142提供21 dB增益、25 dBm输出功率(1 dB压缩)、29 dBm输出三阶交调截点和26 dBm饱和输出功率(20%功率附加效率(PAE),4 V电源)。 HMC8142提供出色的线性度并针对E频段通信和高容量无线回程无线电系统进行优化。 放大器配置和高增益使其成为天线之前最后一级信号放大的绝佳选择。 所有数据均利用50 Ω测试夹具中的芯片获取,通过各端口上宽度为3 mil、厚度为0.05 mil、长度为7 mil的焊线连接。

应用

  • E频段通信系统
  • 高容量无线回程无线电系统
  • 测试与测量

HMC8142
集成功率检波器的81 GHz至86 GHz E频段功率放大器
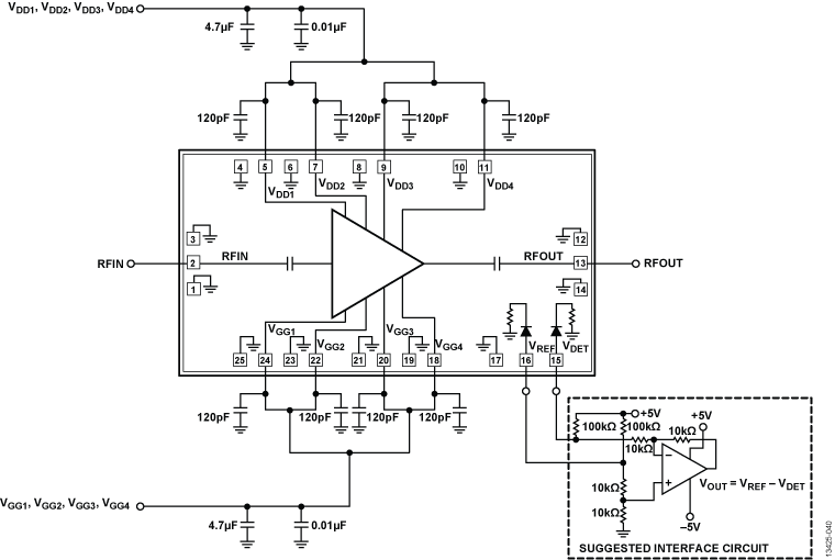
HMC8142 Functional Block Diagram HMC8142 Pin Configuration HMC8142 Circuit Diagram
添加至 myAnalog

将产品添加到myAnalog 的现有项目或新项目中(接收通知)。

创建新项目
提问

参考资料

了解更多
添加至 myAnalog

Add media to the Resources section of myAnalog, to an existing project or to a new project.

创建新项目

软件资源

找不到您所需的软件或驱动?

申请驱动/软件

工具及仿真模型

Sys-Parameter Models for Keysight Genesys

Sys-Parameter models contain behavioral parameters, such as P1dB, IP3, gain, noise figure and return loss, which describe nonlinear and linear characteristics of a device.

打开工具

ADIsimRF

ADIsimRF是一款简单易用的RF信号链计算工具。可以计算和导出多达50级的信号链级联增益、噪声、失真和功耗并绘制其曲线。ADIsimRF还包括丰富的ADI射频和混合信号元件的器件模型数据库。

打开工具

最新评论

需要发起讨论吗? 没有关于 HMC8142的相关讨论?是否需要发起讨论?

在EngineerZone®上发起讨论

近期浏览